簡介
恆溫恆濕空調機組,一般是將製冷系統的蒸發器(翅片管式),裝在被處理空氣的通道中,利用製冷劑的直接蒸發來冷卻空氣。當空氣流過蒸發器的外表面時,在被冷卻的同時,含濕量也降低。為了保證被調節房間所要求的相對濕度,在空調器中設有加濕器。加濕器是一個盛有水的小容器,內有電極加熱器,使水受熱汽化成水蒸氣,以增加所處理空氣的含濕量。此外,在空調器中還裝有電加熱器,可對空氣進行乾式加熱,用以改變空氣的溫度,或者在冬季用來供熱。恆溫恆濕機組的適用範圍是。溫度20~25±1℃,相對濕度(50~70)±10%,它的製冷量大小不等,一般在7~116kW左右,風量在1000~17000m /h,均採用自動控制。
恆溫恆濕空調機組原理
圖1 恆溫恆濕空調機組原理圖圖1(1-乾濕球溫度控制器;2-電加熱器;3-通風機;4-電極加濕器;5-蒸發器;6-壓縮機;7-冷凝器;8-貯液器;9-壓力控制器;10-過濾器;11-節流機構)示出一種恆溫恆濕空調機組原理圖。它包括製冷系統(壓縮機、冷凝器、毛細管、蒸發器)、電加熱器。加濕器及溫濕度自動控制元件等。
圖1恆溫恆濕空調機組的壓縮機6為半封閉式,冷凝器7為水冷套管式,並裝有電磁給水閥,當壓縮機停轉時,電磁閥能自動關閉水源。
加濕器為電極式,是用三根銅棒或不鏽鋼棒作為電極,將其按照一定距離和尺寸裝在瓷質容器中,以水作電阻。由於水的電阻而產生熱量,水被加熱而蒸發成水蒸氣,經出氣管送到需加濕的空氣中。這種加濕器內水位越高,通過的電流越太,產生的蒸汽量越多,因此用改變溢流管位置高低的辦法,來調節水位的高低,從而調節加濕量。
蒸發器的蛇形管用紫銅管制作,管外套有鋁製翅片。通風機為雙聯離心風機,轉速為960r/min,風量為3000m /h。夏季利用蒸發器把混合空氣冷卻,然後再經過風機加壓,送至室內,用自動控制儀表控制電加熱器,以保證室內溫度。用製冷系統中的蒸發器冷卻降溫,由濕球溫度計及繼電器控制壓縮機停開,調節室內的溫度及濕度。冬季用自動控制電加熱器加熱執保證室內溫度,用自動控制電極式加濕器調節濕度。
熱泵式恆溫恆濕空調機組
熱泵式恆溫恆濕空調機組,可以實現夏季供冷、冬季供熱。它同一般恆溫恆濕機組的區別,在於製冷系統中加一個四通轉向閥,使冷凝器與蒸發器互相轉換。
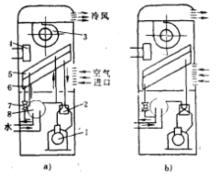
圖2 熱泵式空調機組工作原理圖圖2(1-壓縮機;2-四通轉向閥;3-風機;4-加濕器;5-冷凝加熱器;6-空氣換熱器;7-雙向節流閥;8-水換熱器)為一熱泵型空調機組工作原理圖。當需要供冷時,按製冷循環工作,如圖2a所示。此時空氣換熱器6中的低壓氟利昂蒸氣,經過轉向閥2,被壓縮機1吸入,壓縮後經轉向閥2進入冷凝加熱器5、水換熱器8冷卻並凝結,凝結的氟利昂液體經雙向節流閥7節流降壓(降溫)後,進入空氣換熱器6汽化,吸收被冷卻空氣的熱量,達到降溫的目的。然後,低壓氟利昂蒸氣又被壓縮機1吸入,如此不斷循環。冷凝加熱器5為空氣冷卻式冷凝器,作為對空氣的二次加熱用。
當需要供熱時,設備按熱泵循環工作,如圖2b所示。此時水換熱器8作為蒸發器,其中的低壓氟利昂蒸氣被壓縮機1吸入壓縮後,經四通轉向閥2進入空氣換熱器6,製冷劑凝結放熱而將空氣加熱。空氣換熱器6中凝結的製冷劑液體,經雙向節流閥7節流降壓(降溫),進入水換熱器8中,吸收水的熱量而汽化。低壓氟利昂蒸氣再被壓縮機1吸入,如此不斷循環而將空氣加熱。按熱泵循環工作時,水換熱器8的進水溫度不能低於6℃,以防水管凍裂。
當室內溫濕度波動時,用停開製冷裝置和電極式加濕器的方法來控制。夏季室內幹球溫度低時停開壓縮機,冬季濕度偏低時開啟電極式加濕器。
