簡介
隨著城市裡移動用戶的飛速增加以及高層建築越來越多,話務密度和覆蓋要求也不斷上升。這些建築物規模大,對行動電話信號有很強的禁止作用。在大型建築物的低層、地下商場、地下停車場等環境下,移動通信信號弱,手機無法正常使用,形成了移動通信的盲區和陰影區;在中間樓層,由於來自周圍不同基站信號的重疊,造成導頻污染,手機頻繁切換,甚至掉話,嚴重影響了手機的正常使用。另外,在有些建築物內,雖然手機能夠正常通話,但是用戶密度大,基站信道擁擠,手機上線困難。
室內分布系統為上述問題提供了較佳的解決方案。其原理是利用室內天線分布系統將移動通信基站的信號均勻分布在室內每個角落,從而保證室內區域擁有理想的信號覆蓋 。
出現原因
1、室內移動通信環境有太多需要完善的地方;
2、覆蓋方面,由於建築物自身的禁止和吸收作用,造成了無線電波較大的傳輸衰耗,形成了移動信號的弱場強區甚至盲區;
3、容量方面,建築物諸如大型購物商場、會議中心,由於行動電話使用密度過大,局部網路容量不能滿足用戶需求,無線信道發生擁塞現象;
4、質量方面,建築物高層空間極易存在無線頻率干擾,服務小區信號不穩定,出現桌球切換效應,話音質量難以保證,並出現掉話現象。室內分布系統的建設,可以較為全面地改善建築物內的通話質量,提高行動電話接通率,開闢出高質量的室內移動通信區域;同時,使用微蜂窩系統可以分擔室外宏蜂窩話務,擴大網路容量,從整體上提高行動網路的服務水平。
不同信息源選擇比較
室內分布系統信源選擇的比較
使用基站使用直放站1. 是否增加容量(根據需要增加容量/不能增加容量)2. 信號質量(好/一般)3. 對網路的影響(小/控制不好影響很大)4. 是否需要傳輸設備(需要/不需要)5. 是否需要重新頻率規劃(需要/不需要)6. 是否需要調整參數(需要/支持)7. 是否支持容量動態分配(不支持容量預分配/支持). 是否支持多運營商(不支持/支持)9. 安裝時間(較長/較短)10. 投資(較多/較少)
信號源接入方法
室內分布系統的信號源有以下幾種接入方式:
(1) 宏蜂窩作信源接入信號分布系統;
(2) 微蜂窩作信源接入信號分布系統;
(3) 直放站作信源接入信號分布系統。
分別論述如下:
(1) 宏蜂窩作信源接入信號分布系統
是以宏蜂窩基站作為信號分布系統的信號源。宏蜂窩作信號源容量大、覆蓋範圍廣、信號質量好、容易實現無源分布、網路最佳化簡單,是室內分布系統最好的接入方式。但宏蜂窩成本較為昂貴,且需有光纖傳輸通路,建設周期長。
(2) 微蜂窩作信源接入信號分布系統
是以微蜂窩基站作為信號分布系統的信號源。由於微蜂窩本身功率較小,只適用於較小面積的室內覆蓋,若要實現較大區域的覆蓋,就必須增加微蜂窩功放。與宏蜂窩相比微蜂窩成本較低、對環境要求不高、施工方便等,所以微蜂窩作信號源使用也較為廣泛。
(3) 直放站作信源接入信號分布系統
是利用施主天線空間耦合或利用耦合器件直接耦合存在富餘容量的基站信號,再利用直放站設備對接收到的信號進行放大為信號分布系統提供信號源。
直放站以其靈活簡易的特點成為解決小容量室內分布系統的重要方式。直放站不需要基站設備和傳輸設備,安裝簡便靈活,設備型號也豐富多樣,在移動通信直放站中也扮演著重要的角色
直放站作信源接入信號分布系統有以下套用方式:
1) 通過直放站的施主天線直接從附近基站提取信號
2) 用耦合器從附近基站耦合部分信號通過光纖傳送到欲覆蓋區的直放站
3) 用耦合器從附近基站耦合部分信號通過電纜傳送到欲覆蓋區的直放站
系統分類
室內分布系統根據傳輸媒介分為:
(1)射頻無源分布系統;
(2)射頻有源分布系統;
(3)光纖分布方式;
(4)泄露電纜分布方式。
LTE室內分布系統介紹
室內分布系統是用於改善建築物內移動通信環境的一種方案,其原理是通過各種室內天線將移動通信基站的信號均勻地分布到室內的每個角落,從而保證室內區域理想的信號覆蓋。
室內分布系統的建設,可以較為全面有效地改善建築物內的通話質量,提高行動電話接通率,開闢出高質量的室內移動通信區域。同時,採用微/宏蜂窩作為室內分布系統的信源還可以有效地分擔室外宏蜂窩的話務,從而提升網路的容量,從整體上提高行動網路的服務水平。
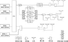
室內分布系統主要由來自各種制式網路的施主信源和信號分布系統兩部分組成。施主信源包括基站、基站拉遠設備、無線或有線中繼設備。室內信號分布系統由有源器件、無源器件、天線、纜線等組成。系統結構如圖10-27所示。
圖10-27 系統結構無線信號的引入應考慮套用頻段和通信制式的適用限制,滿足所建通信制式系統建設要求。各通信制式室內覆蓋系統可單獨建設,滿足各自製式的網路指標要求,也可以採用多制式共用信號分布系統方式。當多制式合路時,各制式系統應滿足各自的網路指標要求,並保證各制式系統間互不干擾。
如圖10-27所示,室內分布系統主要由施主信源和信號分布系統組成。
施主信源分為宏基站、微蜂窩、分散式基站和中繼接入的各類直放站等。施主信源可從分擔的業務類別、容量,分散過密地區的網路壓力,動態地調配業務資源,達到最佳的網路最佳化角度進行綜合考慮選取。施主信源的饋送應根據地理環境的不同採用近端射頻線纜本地的直接饋送和遠端光纖或其他中繼電路的饋送方式,室內分布系統的施主信源放置在本地室內時,必須考慮授時系統天線的引入,確保通信信號的同步。
宏基站信源的業務容量大,擴容方便,輸出連線埠多,在套用中可以選擇使用單通道和多通道兩種解決方案。但一般對機房及電源環境要求較高,建築物內應設有機房條件。
微蜂窩基站信源是一種專門為室內覆蓋區域獨立承載提供業務量的方式,採用射頻電纜接入方式直接與信號分布系統相連,通過信號分布系統均勻分配至各個天線連線埠,實現室內有效覆蓋,且設備安裝簡單,不需要單獨的機房。但在室內微蜂窩基站設定仍需增建傳輸系統與基站控制器銜接。
分散式基站信源話務容量大,組網靈活,能將富餘話務容量拉遠至定點覆蓋區域,除了可以實現本地接入,也能實現遠端拉遠接入。
採用直放站作為饋送信號源,通過中繼接力方式將室外宏基站的信號引入到室內覆蓋盲區,既可以增強室內覆蓋質量,又可以共享宏基站的基帶處理能力。直放站信源常用於室外站存在富餘容量,可以擴大至室內覆蓋範圍的套用場景。在使用無線直放站作為信號源接入時應考慮到周圍的無線環境影響及宏基站的業務容量的限定。
信號分布系統是根據網路傳輸的制式和頻段,結合不同建築物損耗及場景選取不同的覆蓋分布方式。其中包括無源分布系統、有源分布系統、泄漏電纜分布系統、光纖分布系統、基站或直放站拉遠分布系統和混合分布系統等。
無源天饋分布方式由除信號源外的耦合器、功率分配器、合路器等無源器件和電纜、天線組成,通過無源器件進行信號分路傳輸,經饋線將信號儘可能平均分配至分散安裝在建築物各個區域的每一付天線上,從而實現室內信號的均勻分布。該分布方式適用於中等面積建築物室內盲區的覆蓋,無源天饋分布系統示意圖如圖10-28所示。
圖10-28 無源分布系統示意圖有源分布系統由除信號源外的放大器類設備(幹線放大器、光纖直放站等)、耦合器、功分器、合路器等有源、無源器件和饋線、無源天線或有源天線等組成,同時還可增加濾波器用以增大抑制無線空間干擾信號進入上行有源設備的隔離度,系統示意圖如圖10-29所示。
圖10-29 有源分布系統示意圖有源分布系統主要用於建築面積較大的建築物內或狹長隧道類型的室內環境,需要增加放大器,用以補償信號在傳輸過程中的損耗。當一級放大器無法完成對某一區域的覆蓋時,可採用多級放大器級聯的方式完成信號的延伸覆蓋。採用級聯方式時應通過限定級聯級數的方法保證上行噪聲不超出基站接收連線埠的雜散噪聲最低規定門限。
採用泄漏電纜分布方式的信號分布系統稱為泄漏電纜分布系統,利用功率放大器和射頻寬頻合路器或耦合器,將多種頻段的無線信號通過泄漏電纜進行傳輸覆蓋。系統不需要天線陣列和其他部件,結構簡單,但傳輸損耗大。它適用於隧道、捷運、長廊、高層升降電梯等特定環境的覆蓋,如圖10-30所示。泄漏電纜可以保證信號場強均勻分布,克服駐波場。由於泄漏電纜損耗較大,傳輸距離短,對傳輸距離長的區域通常加有中繼放大。
圖10-30 泄漏電纜分布系統示意圖光纖室內分布系統是基於全光纖分布方式,它直接通過光纖傳輸分配至各處的天線節點,再經光電轉換把射頻信號連線到每個天線上。系統由主單元、光纖線路、含光電轉換遠端單元以及天線組成。其具體組網結構如圖10-31所示。
圖10-31 光纖室內分布系統示意圖套用全光結構的分布系統方式,遠端設備與天線可以是分離或一體化結構,由於省去了射頻器件及線纜的傳輸損耗,輸出電信號功率較小,在多系統共用情況下降低了相互之間的射頻干擾影響。同時套用全光纖室內分布方式可擴展傳輸通道的頻寬,以滿足多制式寬頻業務的需求。這種方式適用於小型的住宅和旅館區域,又可適用於中大型覆蓋範圍或者中大型業務密集公共場館。
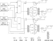
多系統共用室內分布方式是多系統、多網路共用共享的一種組網接入方式,可分為收發共用傳輸路徑和收發分路傳輸路徑兩種方式,組成結構分別如圖10-32和圖10-33所示。採用多系統接入綜合分路平台POI,通過對不同制式之間的頻段隔離實現室內多制式、多系統的重疊覆蓋,對後來接入的系統可採用後端饋入的方式,如無線區域網路系統,但須考慮原有覆蓋路徑適用的頻率範圍。對較長的分支路徑需採用有源器件(如放大器等)增加傳輸信號強度時,各系統有源器件相互獨立,上下輸入端需考慮收發隔離及帶外頻段的抑制能力,有源設備需放置在具有隔離效果的無源器件(如多頻率分路/合路器或收發濾波器等)中間,以避免系統之間的有源干擾。
圖10-32 多系統共用室內分布方式-收發共用
圖10-33 多系統共用室內分布方式-收發分路
