概念介紹
定壓功率放大器(constant voltage power amplifier)廣泛套用於廣播系統及報警系統,甚至套用於超聲等功率轉換產品,常見的該類功率放大器主要承擔音頻遠程傳播系統的心臟功能。
最早的產品概念來源於1949年美國的產品標準,起初主要套用於學校、辦公室、報警產品,隨後套用範圍逐步推廣至軍事領域、海事領域、消防領域,近年一部分超聲類產品也採用這種產品及結構作為功率源。
早期的產品採用電子管,採用推挽拓撲至輸出變壓器,該類定壓放大器體積龐大,效率低,壽命短目前已很少使用;隨後出現的雙極性電晶體功率放大器目前套用較多,最常見的系統由10v-80 輸出的AB類或B類雙極性功率放大器驅動相應額定功率的輸出變壓器組成,輸出變壓器通過不同的抽頭實現70v/100v/120v的音頻電壓有效值輸出,這類放大器隨後又衍生出來基於B類為基礎的H類多級電源電壓產品和電源電壓隨動放大器產品,這兩種產品基於B類放大器,但是能量轉換效率要提高10%-20%左右,發熱量減小很多,功率密度有所提高。
隨著功率電子技術的發展, 目前基於PWM調製的數字功率放大器產品已經逐漸占領主流市場,高功率密度,高轉換效率,長壽命產品支持。小功率定壓功率放大器逐步採用單晶片的CLASS D 放大器驅動高壓輸出變壓器的結構,目前在諸如報警系統、應急廣播系統等電池供電的產品中廣泛套用這類結構的定壓放大器產品,這類產品功率不大,從10W-300W,效率高為其顯著特徵,滿功率輸出效率甚至大於95%,為傳統模擬放大器所不能比擬。
無輸出變壓器定壓數字功率放大器(transformerless constant voltage power amplifier)技術以其更高的功率密度成為新興的行業技術標準,數字功率放大器輸出端濾波處理後直接輸出,省去了笨重巨大的輸出變壓器是其顯著特點,具備最高的功率密度,最大的功率質量比,整機頻響極大提升,音質明顯高於傳統系統,目前成為行業研究設計的新方向。
無輸出變壓器定壓數字功率放大器技術的核心在於工作的廣泛的適應性,高可靠性,高運行穩定性,確保MTBF>10萬小時,具備良好的短路保護,過流保護,續流保護,溫度功率控制,超功率自動增益控制等功能,確保功率轉換的高效率高可靠,做到小故障自動快速處理不影響輸出,突發問題續流支持不中斷輸出,環境影響自動適應,另外阻抗匹配,器件選用等環節也會在很大程度上影響產品性能。
由定壓放大器所組成的背景音樂、公共廣播、應急報警系統已經普及與我們的日常生活,該類系統統稱定壓播放系統(constant voltage speaker system)。
定壓放大器是定壓播放系統的心臟,簡單的定壓播放系統由信號源、放大器、定壓喇叭組成,比較大的系統加入更多的不同分區信號源,採用更多的定壓放大器,最佳化功放及應急電源備份,通過遠程控制協定協調各部分功能。
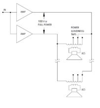
帶輸出變壓器100V系統構成:
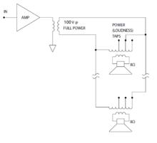
定壓功放無輸出變壓器100V系統構成
定壓功放定壓的含義
定壓輸出的稱呼很容易造成認知誤差,在定壓放大器的套用中是一個交流概念,滿功率輸出的是電壓有效值就是定壓放大器的額定電壓,既不是直流概念中的一直維持固定電壓電流隨信號變化,也不是交流概念中的交流電壓有效值恆定。定壓放大器輸出電壓按照其增益隨著輸入電壓的變化而變化,測試時施加1000Hz0.775Vrms正弦波信號在輸入端,輸出端在額定負載額定功率輸出的條件下,電壓有效值恆定為70Vrms/70.7vrms/100Vrms/120Vrms。
100V系統是比較常見的,美國常用70.7V。
輸出變壓器
常見的定壓輸出變壓器額定功率在10W-300W, 比較大的有1000W-2000W的較為少見,因為具備較好的效率和比較小的漏磁,這類變壓器大都使用環形的,鐵芯經過特殊加工卷繞起來,外觀為環狀。方形的E型鐵芯疊合結構變壓器多用在小功率產品上。
E型鐵芯變壓器
定壓功放環形鐵芯變壓器
定壓功放設計計算
雖然定壓系統輸出電壓高線路電流較小,對應的線路損耗較少,但是對於功率稍大的系統,或者距離較遠的系統,選擇合適的導線就很為重要。
系統拓撲
定壓功放系統損耗:
定壓功放導線選擇參照表:
定壓功放系統的優劣勢
顯著優勢
系統支持多揚聲器,一台功放可以帶動多個分部與多點的揚聲器,信息發布範圍大。
支持不同功率等級的揚聲器加入系統,不同功率的揚聲器配套不同的線間變壓器都可以在總功率允許的前提下加入到功放輸出匯流排上,同樣的揚聲器也可以通過接駁線間變壓器的不同抽頭實現不同的功率信號輸出。
低成本系統,功放輸出電壓高,支持普通的電線遠程傳輸,整體系統銅耗低,成本低。
容易擴展,系統可以隨時增加不同的揚聲器單元實現擴展,只需要簡單的線路連線。
1.系統支持多揚聲器,一台功放可以帶動多個分部與多點的揚聲器,信息發布範圍大。
2.支持不同功率等級的揚聲器加入系統,不同功率的揚聲器配套不同的線間變壓器都可以在總功率允許的前提下加入到功放輸出匯流排上,同樣的揚聲器也可以通過接駁線間變壓器的不同抽頭實現不同的功率信號輸出。
3.低成本系統,功放輸出電壓高,支持普通的電線遠程傳輸,整體系統銅耗低,成本低。
4.容易擴展,系統可以隨時增加不同的揚聲器單元實現擴展,只需要簡單的線路連線。
不足之處
聲音質量沒有定阻功放支持的揚聲器系統好, 因為輸出變壓器和線間變壓器的存在會導致低頻頻響和高頻頻響劣化,導致整個系統重放頻寬變窄,不過目前的無輸出變壓器產品已很大程度上提高了系統的重放頻響。
也是因為變壓器的存在,信號峰值失真較大。
系統效率仍然不夠高,大系統的綜合能量損耗較大。
1.聲音質量沒有定阻功放支持的揚聲器系統好, 因為輸出變壓器和線間變壓器的存在會導致低頻頻響和高頻頻響劣化,導致整個系統重放頻寬變窄,不過目前的無輸出變壓器產品已很大程度上提高了系統的重放頻響。
2.也是因為變壓器的存在,信號峰值失真較大。
3.系統效率仍然不夠高,大系統的綜合能量損耗較大。

