釋義
,例如:有襯套的、帶油環的和帶冷卻水夾套的等多種結構,如圖
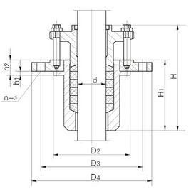
標準填料箱的主體材料有碳鋼和不鏽鋼兩種,填料箱的主要性能參數有壓力等級(0.6MPa和1.6MPa兩種)和公稱軸徑(DN系列為 30、40/50/60/70/80/90/100/110/120/130/140和160等)。 填料箱密封由填料箱體,填料,壓蓋,螺栓等基本零件構成,置於箱體與轉軸之間的填料在螺栓力以及壓蓋的軸向擠壓下,產生徑向延伸,使填料緊貼在轉軸的四周,從油杯中加入的潤滑油在軸旋轉時會使填料與轉軸的接觸面間形成一層極薄的油膜,既具有潤滑作用,又可以阻止釜內介質的外逸以及釜外氣體的滲入。
標記示例
例:公稱壓力為1.6MPa,公稱軸徑50mm的碳鋼填料箱,標記為
填料箱 PN1.6,DN50 HG21537.7--92

