固定式三通球閥概述
固定式三通球閥採用固定球,彈簧或彈簧載入的四面閥座結構,密封可靠,開關輕便。固定式三通球閥有T型之分,其中T型可實現對介質的分流或混流四種工況,根據需要可
選擇其中兩種或三種進行組合;L型可實現對介質流向切換兩種工況。
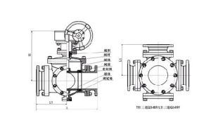
固定式三通球閥結構圖
固定式三通球閥結構圖 固定式三通球閥參數
閥體:WCB;
球體:CF8
閥座:2Cr13
密封圈:PTFE
工作溫度:-29~200℃;
適用介質:水、油、蒸汽等;
固定式三通球閥概述
固定式三通球閥採用固定球,彈簧或彈簧載入的四面閥座結構,密封可靠,開關輕便。固定式三通球閥有T型之分,其中T型可實現對介質的分流或混流四種工況,根據需要可
選擇其中兩種或三種進行組合;L型可實現對介質流向切換兩種工況。
固定式三通球閥結構圖
固定式三通球閥結構圖 固定式三通球閥參數
閥體:WCB;
球體:CF8
閥座:2Cr13
密封圈:PTFE
工作溫度:-29~200℃;
適用介質:水、油、蒸汽等;
球閥(ball valve ),啟閉件(球體)由閥桿帶動,並繞球閥軸線作旋轉運動的閥門。亦可用於流體的調節與控制,其中硬密封V型球閥其V型球芯與堆焊硬質...
產品介紹 特點 分類 產品特點 參數等級不鏽鋼球閥只需要用旋轉90度的操作和很小的轉動力矩就能關閉嚴密。完全平等的閥體內腔為介質提供了阻力很小、直通的流道。球閥的主要特點是本身結構緊湊,易於操...
工作原理 分類 說明書 特點 維護保養球閥主要用於截斷或接通管路中的介質,亦可用於流體的調節與控制,其中硬密封V型球閥其V型球芯與堆焊硬質合金的金屬閥座之間具有很強的剪下力,特別適用於含纖維...
工作原理 優點 分類及特點電動球閥是是工業自動化控制系統中的重要執行機構。電動球閥是根據閥瓣的這種移動形式繞閥桿的軸線作旋轉運動的閥門。閥座通口的變化是與閥瓣行程成正比例關係。主...
簡介 分類 概述 特點 安裝檢查高壓球閥是指啟閉件(球體)由閥桿帶動,並繞閥桿的軸線作旋轉運動的閥門。用於液壓機械設備、液壓開關、天然氣等,高壓球閥問世於20世紀50年代,隨著科學技術...
簡介 工作原理 高壓球閥優點 分類及特點 操作和使用美標球閥和法蘭閘閥是同屬一個類型的閥門,區別在它的關閉件是個球體,球體繞閥體中心線作旋轉來達到開啟、關閉的一種閥門。
簡介 優點 分類 工作原理 結構特點氣動球閥是球閥配上氣動執行器。 氣動球閥具體分類有:不鏽鋼氣動球閥,塑膠氣動球閥,衛生級氣動球閥,碳鋼氣動球閥,二通氣動球閥,三通氣動球閥,四通氣動球閥。
簡介 氣動球閥發展演變與工作原理 簡史 用途 分類球閥、英國進口球閥、日本進口球閥、美國進口球閥、浮動式球閥Q41、固定式...、BQ47、BQ71。液化氣球閥、天燃氣球閥Q41、Q11。三通球閥Q45、Q44、Q48、Y型三通球閥YQ42、四通球閥Q46。偏心半球閥Q340F...
