原理簡介
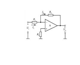
反相放大器如圖所示,反相放大器電路具有放大輸入信號並反相輸出的功能。“反相”的意思是正、負號顛倒。這個放大 器套用了負反饋技術。所謂負反饋,即將輸出信號的一部分返回到輸入,在圖所示電路中,象把輸出Vout經由R2 連線(返回)到反相輸入端(-)的連線方法就是負反饋。
運算放大器具有以下特點,當輸出端不加電源電壓時,正相輸入端(+)和反相輸入端(-)被認為施加了相同的電壓,也就是說可以認為是虛短路。所以,當正相輸入端 (+)為0V時,A點的電壓也為0V。
運算放大器的輸入阻抗極高,反相輸入端(-)中基本上沒有電流。因此,當I經由A點流向R時,I和I電流基本相等。由以上條件,對R2使用歐姆定律,則得出V=- IxR。I為負是因為I從電壓為0V的點A 流出。換一個角度來看,當反相輸入端(-)的輸入電壓上升時,輸出會被反相,向負方向大幅度放大。由於這 個負方向的輸出電壓經由R與反相輸入端相連,因此,會使反相輸入端(-)的電壓上升受阻。反相輸入端和正 相輸入端電壓都變為0V,輸出電壓穩定。
通過這個放大器電路中輸入與輸出的關係來計算一下增益。增益是V和V的比,即 Vout/Vin= (-IxR) / (IxR) =- R/R。所得增益為-,表示波形反相。
作用
反相器是CMOS電路中的基本增益級,採用共源結構,負載可以是有源負載或者電流源。
反相放大器
反相比例放大電路典型電路設計
用一個集成運放、一個51K電阻、一個255K電阻、一個18K電阻和一個82K電阻構成一個帶有部分正反饋的反向比例運算放大器。引入部分正反饋可以實現高增益放大,具體結構描述如下:
1、組成基本負反饋放大器部分:51K電阻一頭接輸入端,另一頭接在運放的反向輸入端,255K電阻一頭接在運放反向輸入端,另一頭接在運放輸出端。18K電阻一頭接在運放的同向輸入端,另一頭接地,基本負反饋放大器部分的增益為5。
2、進一步組成帶有部分正反饋的反向比例運算放大器:在上述基本負反饋放大器基礎上再添加一個 82K正反饋電阻,電阻一頭接在運放的同向輸入端,另一頭接在運放輸出端即可,它的正反饋係數為K=18/(18+82)=0.18.這樣的話輸入電阻約 為51K(如果覺得輸入電阻太大,則可用49.9K和249K電阻分別取代51K和255K電阻)放大倍數為A/(1-A*K)=5 /(1-5*0.18)=5/0.1=50。
套用
積分器
反相放大器將原來反相放大器R電阻,換成一顆電容器C 此時輸入信號V與輸出信號V之關係,形成一積分關係。
微分器
將原來反相放大器R電阻,換成一顆電電容器C ,此時輸入信號V與輸出信號V之關係,即變形成一微分關係。
加法器
若將反相放大器稍微變化一下,此時輸入信號與輸出信號V之關係,若R = R = R =...= R= R,就可簡化為V =-(V+V+V+...+V),形成一加法關係。

