背景
運算放大器(叩amps)具有很強的通用性。可以用於數學運算,如加、減、乘、積分和微分。很多電子電路使用運算放大器作為其組成部分,如放大器、濾波器、振盪器和觸發器等。運算放大器OP是信號處理和信號變換中常用的元件,常用的有同相輸入和反相輸入兩種類型。
從信號的輸入輸出連線埠看,運算放大器可以看作一個三連線埠器件。理想運算放大器具有如下特性:輸入阻抗無限大、輸出阻抗為零、偏移電壓為零、頻寬無限、共模抑制比和開環增益均無限大。
簡介
對於同相放大器,由於反饋迴路至負相端,其放大倍數與輸入信號沒有關係,即使輸入信號的內阻R發生大幅度的變化,也不會將該變化引入到運放的放大倍數中。而反相放大器就受到信號內阻的影響。但是同相放大器也有一定的不便:如果在同相運放的反相端進行零點調節或者添加加法電路,會引起信號源阻抗變化導致增益的改變,這需要特別注意。一般在使用同相放大器時,反相端除了連線反饋電路外,不引入其他的電路。
同相放大器的一個常用套用是電壓跟隨器,常用的電壓跟隨器。
基本電路
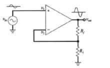
同相放大器下圖所示是同相放大器的交流等效電路。輸入電壓Uin。驅動同相輸入端,該電壓被放大後產生同相的輸出電壓,輸出電壓的一部分通過分壓器反饋到輸入端。R1上的電壓是加在反相輸入端的反饋電壓,這個反饋電壓幾乎與輸入電壓相等。由於開環電壓增益很高,V1和V2之間的差別很小。由於反饋電壓與輸入電壓相反,所以形成負反饋。
負反饋穩定總電壓增益的原理如下:如果開環電壓增益Avol由於某種原因增加了,輸出電壓將隨之增加,並反饋更多的電壓到反相輸人端。這個反相的反饋電壓使淨輸入電壓(V1--V2)減小。因此,儘管Avol增加,
(V1--V2)卻減小了,最終輸出的增加量比沒有負反饋時小很多。總的結果是輸出電壓只有很小的增加。

