基本介紹
1. 反相求和電路
按照輸入方式的不同,加法運算電路可以分為反相加法器和同相加法器。
(1)反相加法運算電路。反相加法運算電路如圖1所示,利用這個電路可以實現3個輸入信號之間的求和運算。
加減運算電路
加減運算電路
加減運算電路2.減法運算電路
差動比例運算電路即由單級運放構成的減法器。但由於信號有反相輸入端和同相輸入端,所以也存在調整不便和共模輸入電壓較大的問題。如圖3所示!
圖4為兩級運放構成的反相輸入減法電路。電路由第一級的反相器和第二級的加法運算電路級聯而成。
加減運算電路
加減運算電路特點
調節某一路信號的輸入電阻不影響其他路輸入與輸出的比例關係,同相求和電路 ,虛短、虛斷,單運放和差電路,雙運放和差電路。
設計方法
1 任意比例係數的加減法運算電路
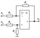
所給出的任意比例係數的加減法運算電路如圖1所示。其中,u111、u112、…u11n為n個減運算輸入信號,u121、u122、…u12m為m個加運算輸入信號,u0為輸出信號,R11、R12、…R1n、R21、R22、…R2m為輸入端電阻,RF為反饋電阻,Rp為平衡電阻,R’為附加電阻。
加減運算電路運放輸入端電阻的平衡條件為
加減運算電路
加減運算電路式(5)反映了輸入信號比例係數與附加電阻、平衡電阻、反饋電阻的關係,表明在滿足電阻平衡的條件下,各加運算輸入信號比例係數之和與各減運算輸入信號比例係數之和的差值可以大於l、小於1或等於1,即輸入信號的比例係數無限定。
根據輸入信號比例係數的數值範圍,加減運算電路還可簡化。
2 比例係數加減結果特定取值時的電路簡化方案
2.1 各加運算輸入信號比例係數之和與各減運算輸入信號比例係數之和的差值大於1的加減運算電路
當各輸入信號的比例係數關係為時,可令式(5)中電阻Rp→∞,即圖1所示電路中去掉電阻Rp,由式(5)中實現大於1的平衡條件。
2.2 各加運算輸入信號比例係數之和與各減運算輸入信號比例係數之和的差值小於1的加減運算電路
當各輸入信號的比例係數關係為時,可令式(5)中電阻R’→∞,即圖1所示電路中去掉電阻R’,由式(5)中實現小於1的平衡條件。
2.3 各加運算輸入信號比例係數之和與各減運算輸入信號比例係數之和的差值等於1的加減運算電路,當各輸入信號的比例係數關係時,可令式(5)中電阻R’→∞,Rp→∞,即圖1所示電路中去掉電阻R’及Rp。
3 設計步驟及舉例
3.1 設計步驟
(1)由參與運算的各輸入信號比例係數加、減的數值範圍確定電路形式;
(2)由運算關係及平衡條件確定外部各個電阻值。
3.2 設計舉例
例1,試設計實現u0=2u121+3u122-u111運算關係的加減運算電路。
將所要實現的運算關係式與式(4)對比,確定式(4)中各輸入信號的比例係數,確定所設計電路的形式為圖1中去掉電阻Rp,按三個輸入信號所示。選取Rp=120kΩ,代入各輸入信號的比例係數表達式中,解出
R21=60kΩ,R22=40kΩ,R11=120kΩ 由式(5)並考慮Rp→∞,有代入各輸入信號的比例係數,有解出R’=40kΩ。
例2,試設計實現u=2u121-3u111-u112運算關係的加減運算電路。將所要實現的運算關係式與式(4)對比,確定式(4)中各輸入信號,例3,試設計實現u0=2u121+u122-1.5u111-0.5u112運算關係的加減運算電路。將所要實現的運算關係式與式(4)對比,確定式(4)中各輸入信號的比例係數為確定所設計電路的形式為圖1中去掉電阻R’及Rp,按四個輸入信號重畫。選取RF=150kΩ,代入各輸入信號的比例係數表達式中。
相關研究
加減運算電路能夠對兩個輸入信號之差進行放大,可以實現代數加減運算功能,運用proteus模擬軟體進行實驗,分析運算結果,集成運放的加減運算可套用於彩色電視系統傳輸信號編碼過程 。
基於集成運算放大器的比例運算和加減運算電路中,學生常常受到繁瑣的公式推導和眾多的計算公式的困擾,實踐證明,如果在一定的條件下,恰當地分析、歸納,充分地利用對稱性和統一性,會把繁瑣的問題簡單化,能進一步提高學生分析問題和解決問題的效率和準確度 。

