產品用途
剪下波波速測試儀是,儀器利用錘擊、電火花或爆炸等作為激發震源,勘探深度從幾米到百多米,使用延時功能,可保證深部地層振動信號的測試精度。適用於波速(剪下波、壓縮波)測試、地脈動測量,廣泛套用於水利、電力、鐵路、橋樑、城建、交通等領域工程勘察(探)方面。
操作原理
單孔法波速測試採用的振源很多,如:爆破、空氣壓縮槍、彈簧式S波激發裝置、火箭筒等
等。但在一般的場地剪下波速測試中最常用的是敲擊板激振源。
敲擊板激振源:剪下波的測試設備—敲擊板激振源將一塊彈性好的木板(木板長約2米,寬約0.4—0.5米,厚約0.1米)受錘擊的兩頭包上鐵板,放在平整的地面上,上面壓上重物,使木板與地面緊密接觸,然後敲擊木板兩側,這樣木板就給地面一個水平衝擊力,激起土層的剪下振動。激發的振動主要為SH波。
敲擊板激振源:
剪下波的測試設備—敲擊板激振源在敲擊衝量一定的條件下,激發的SH波振幅隨木板上重物重量的增大而增大,但超過一定值後影響會有所減少;長板效果比短板好;板與地面的接觸條件對激振效果影響較明顯,板底釘有釘齒、地面上潑水或水泥漿以增大木板與地面接觸的緊密程度可改善激振效果。
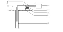
現場測試如圖所示。
剪下波速測試示意圖1-場地振動測試儀
2-重物
3-木板
4-外觸發感測器
5-三分量探頭
6-探頭信號傳輸線
7-外觸發感測器信號線
8-鋼絲繩(或尼龍繩)
圖4 單孔波速測試示意圖
測試步驟:
1、平整場地,使激振板離測試孔的水平距離為1~3m,上壓重物500Kg以上或將卡車雙後輪壓在木板上;
2、將外觸發感測器(一般用錐形桿38Hz地震速度檢波器)插入激振板中間地面,緊靠激振板,信號線另一端與儀器的CH4通道聯接;
3、將三分量檢波器信號線接頭與儀器的數據匯流排接口連線,並開機在地表實測幾次,檢查一下整個測試系統是否正常;
4、將鋼絲繩(或尼龍繩)與探頭吊環連線好;
5、將探頭放入孔內某一位置,測試時,提繩宜緊貼孔壁拉住探頭,電纜處於鬆弛狀態,防止電纜的振動影響測試結果;
6、參數設定:採樣間隔和延遲時間宜隨測孔的深度變化而有所改變,一般以能讀到初至時間為準,採樣間隔宜小不宜大;出廠默認的採樣間隔為200us(適合20米以內測試)。
7、用適宜的鐵錘水平敲擊木板的一端,地表產生的剪下波經地層傳播,由孔內三分量檢波器的水平向檢波器接收SH波信號,然後反向敲擊木板的另一端,孔內三分量水平向檢波器同樣接收來自相反方向的SH波信號,通過正反兩方向的實測波形,找出波形交叉點,讀取初至波傳播時間;
8、一點測完後,用提升繩上拉或下放探頭,到待測點位置停下,再進行第二點測試,測完後繼續往上拉或下放。重複以上步驟,依此進行逐個點測試,直至測試點完成。
9、縱波波速的測試與SH波的測試有所不同,其振動頻率更快,採樣間隔較小,敲擊時應豎向敲擊放在孔口的鐵板或木板。
產品特點
剪下波波速測試儀主要特點
採樣通道數:4道(三道數據,一道觸發)
採樣點數: 512、1024、2048、4096(地脈動測量樣點可增加若干)
採樣間隔:最小30μs,連續可調
通頻帶:0.5Hz~4000Hz
延時:0~500ms
外觀:鋁合金豪華主機箱(“進取銀白”和“莊重純黑”任選),內置工業級控制微機
顯示屏:640×480點陣液晶顯示屏(TFT真彩超亮)
工作溫度:-10℃~+50℃
供電電源:交流220V50Hz,直流12V 5A
儀器具有良好的抗振、防潮、防塵性能
產品優點
剪下波波速測試儀產品優點:
1、數據採用隨身碟轉存,方便快捷!
2、專用儀器,功能突出,操作簡單易用
3、工業設計一體化儀器、適應現場環境,抗干擾、穩定性好
4、內置高性能電池,無需現場接電,同時,儀器外部留有直流接口,方便延長試驗時間
5、使用彈臂式探頭,省去打氣的麻煩,乾孔、濕孔均可以使用
關鍵字
關鍵字:場地振動測試儀/剪下波波速測試儀/波速測試儀/波速儀/波速測井儀/剪下波/波速/測井儀/剪下波探頭/剪下波三分量探頭/三分量探頭(剪下波速測試)/三分量檢波器/井中三分量檢波器/剪下波速探頭/地震儀/剪下波速/剪下波測試儀

