例如:
共模增益差分放大器U1,如果將其同相輸入端與反相輸入端短路,則Vo=Ac*Vs (Vo為輸出電壓,Ac為共模增益,Vs為輸入電壓)。因此共模輸出電壓與共模輸入電壓之比為共模增益。
所謂共模增益也叫共模電壓增益,是指共模輸出電壓對共模輸入電壓的比值。其中共模輸出電壓在單端輸出時為U或U
若共模輸出電壓取自T1管的輸出端,則Kc1=U0c1/Uic1約等於-Rc/2REE
若共模輸出電壓取自T2管的輸出端,且電路兩邊完全對稱則Kc2=Kc1
在雙端輸出時Kc=Kc1-Kc2=0

共模增益表示電晶體差分放大器或集成運算放大器對共模輸入信號的放大能力。在差分放大器或集成運算放大器的輸入級完全對稱時,共模增益應趨於零。
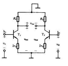
例如:
共模增益差分放大器U1,如果將其同相輸入端與反相輸入端短路,則Vo=Ac*Vs (Vo為輸出電壓,Ac為共模增益,Vs為輸入電壓)。因此共模輸出電壓與共模輸入電壓之比為共模增益。
所謂共模增益也叫共模電壓增益,是指共模輸出電壓對共模輸入電壓的比值。其中共模輸出電壓在單端輸出時為U或U
若共模輸出電壓取自T1管的輸出端,則Kc1=U0c1/Uic1約等於-Rc/2REE
若共模輸出電壓取自T2管的輸出端,且電路兩邊完全對稱則Kc2=Kc1
在雙端輸出時Kc=Kc1-Kc2=0
共模抑制指的是對相同信號的抑制。在差分放大電路中得到充分的套用。在電路設計中為濾除干擾信號同時使原有信號放大,從而引入差分放大電路。
Vn Vn Vn
可程式增益放大器(PGA:),是一種通用性很強的放大器,其放大倍數可以根據需要用程式進行控制。 可程式增益放大器含全平衡差動放大器模組、解碼器模組和電阻...
簡介 組合PGA 集成PGA 可程式增益放大器的電路分析 可程式增益放大器的設計及工作被動鎖模光纖雷射器是一種高效的波長轉換器,可以將泵浦光波長轉換為所摻稀土離子的激射波長。
1概述 3 被動鎖模技術類型 4 被動鎖模光纖雷射器的研究現狀黎洪模,徐靜斐丈夫,1918年4月20日生,男,漢族,廣西玉林人,1941年秋至1945年夏就讀中央大學農藝系本科畢業,畢業後1945年秋至1949年夏...
人物經歷 家庭成員 主要業績《模擬與數字電子技術基礎》是2014年1月1日高等教育出版社出版的圖書,作者是蔡惟錚。
內容簡介 作者簡介 目錄《模擬與數字電路基礎實驗》是2006年復旦大學出版社出版的圖書,作者是孔慶生、俞承芳。
圖書信息 內容簡介 作者簡介 圖書目錄信號的抑制能力,是差模開環增益除以共模開環增益的函式。增益頻寬積增益頻寬...,通過控制1,2腳的電平來改變放大的倍數。參數共模輸入電阻該參數表示運算放大器工作線上性區時,輸入共模電壓範圍與該範圍內偏置電流的變化量之比。直流...
發展史 原理 分類 參數 套用的缺點是它外部反饋環的共模環路增益很小,輸出共模電平不能精確確定,因此,一般...負反饋的開環直流增益要求足夠大,最好能夠於差分開環直流增益相當;共模負反饋的單位增益頻寬也要求足夠大,最好接近差分單位增益頻寬;為了確保共模負反饋...
簡介 作用 運算設計 分類 歷史發展