光耦合器的分類和結構原理
圖1光耦合器的種類較多,常見有光敏二極體型、光敏電晶體型、光敏電阻型、光控晶閘管型、光電達林頓型、積體電路型等。光耦合器的結構原理如圖1所示。通常發光器件採用發光二極體。接收器中採用光敏二極體的,如圖1a所示;接收器中採用光敏電晶體的,如圖1b所示;還有以光集成組件為接收器件的,如圖1c所示,它的接收器為光敏二極體一高速開關電晶體組件;圖1d中接收器為光敏電晶體一達林頓電晶體組件;圖1e的接收器為光積體電路。
光耦合器的工作特性
光耦合器的工作特性如下:
(1)共模抑制比很高。在光耦合器內部,由於發光管和受光器之間的耦合電容很小(2pF以內),所以共模輸入電壓通過極間耦合電容對輸出電流的影響很小,因而共模抑制比很高。
(2)輸出特性。光耦合器的輸出特性是指在一定的發光電流 I下,光敏電晶體所加偏置電壓 V與輸出電流 I之間的關係。當 I=0時,發光二極體不發光,此時的光敏電晶體集電極輸出電流稱為暗電流,一般很小。當 I>0時,在一定的 I作用下,所對應的 I基本上與 V無關。 I與 I之間的變化呈線性關係,用半導體管特性圖示儀測出的光耦合器的輸出特性與普通電晶體輸出特性相似。
(3)隔離特性。包括隔離電壓、隔離電容和隔離電阻等。隔離電壓即光耦合器輸入端和輸出端之間的絕緣耐壓值;隔離電容即光耦合器件輸入端和輸出端之間的電容值;隔離電阻即半導體光耦合器輸入端和輸出端之間的絕緣電阻值。
(4)傳輸特性包括電流傳輸比上升時間和下降時間等。
(5)光耦合器可作為線性耦合器使用。在發光二極體上提供一個偏置電流,再把信號電壓通過電阻耦合到發光二極體上,這樣光敏電晶體接收到的是在偏置電流上增、減變化的光信號,其輸出電流將隨輸入的信號電壓做線性變化。光耦合器也可工作於開關狀態,傳輸脈衝信號。在傳輸脈衝信號時,輸入信號和輸出信號之間存在一定的延遲時間不同結構的光耦合器輸入、輸出延遲時間相差很大。
光耦合器的特點和套用
光耦合器具有體積小、壽命長、無觸點、抗干擾能力強、輸出和輸入之間隔離、可單向傳輸信號等特點,有時還可以取代繼電器、變壓器、斬波器等。 現已廣泛用於電氣絕緣、電平轉換、級間耦合、驅動電路、開關電路、斬波器、多諧振盪器、信號隔離、級間隔離 、脈衝放大電路、數字儀表、遠距離信號傳輸、脈衝放大、固態繼電器(SSR)、儀器儀表、通信設備及微機接口中。在單片開關電源中,利用線性光耦合器可構成光耦反饋電路,通過調節控制端電流來改變占空比,達到精密穩壓目的。
光耦合器的技術參數
光耦合器的技術參數主要有發光二極體正向壓降V、正向電流I、電流傳輸比CTR、輸入級與輸出級之間的絕緣電阻、集電極-發射極反向擊穿電壓V(BR)CEO、集電極-發射極飽和壓降VCE(sat)。此外,在傳輸數位訊號時還需考慮上升時間、下降時間、延遲時間和存儲時間等參數。
最重要的參數是電流放大係數傳輸比CTR(Curremt-Transfer Ratio)。通常用直流電流傳輸比來表示。當輸出電壓保持恆定時,它等於直流輸出電流I與直流輸入電流I的百分比。當接收管的電流放大係數hFE為常數時,它等於輸出電流I之比,通常用百分數來表示。有公式:
光耦合器採用一隻光敏三極體的光耦合器,CTR的範圍大多為20%~30%(如4N35),而PC817則為80%~160%,達林頓型光耦合器(如4N30)可達100%~500%。這表明欲獲得同樣的輸出電流,後者只需較小的輸入電流。因此,CTR參數與電晶體的hFE有某種相似之處。普通光耦合器的CTR-I特性曲線呈非線性,在I較小時的非線性失真尤為嚴重,因此它不適合傳輸模擬信號。線性光耦合器的CTR-I特性曲線具有良好的線性度,特別是在傳輸小信號時,其交流電流傳輸比(ΔCTR=ΔI/ΔI)很接近於直流電流傳輸比CTR值。因此,它適合傳輸模擬電壓或電流信號,能使輸出與輸入之間呈線性關係。這是其重要特性。在設計光耦反饋式開關電源時必須正確選擇線性光耦合器的型號及參數,選取原則如下:
(1)光耦合器的電流傳輸比(CTR)的允許範圍是50%~200%。這是因為當CTR5.0mA),才能正常控制單片開關電源I的占空比,這會增大光耦的功耗。若CTR>200%,在啟動電路或者當負載發生突變時,有可能將單片開關電源誤觸發,影響正常輸出。
(2)推薦採用線性光耦合器,其特點是CTR值能夠在一定範圍內做線性調整。
(3)由英國埃索柯姆(Isocom)公司、美國摩托羅拉公司生產的4N××系列(如4N25 、4N26、4N35)光耦合器,2012年在國內套用地十分普遍。鑒於此類光耦合器呈現開關特性,其線性度差,適宜傳輸數位訊號(高、低電平),因此不推薦用在開關電源中。
光電隔離
微機有多個輸入端,接收來自遠處現場設備傳來的狀態信號,微機對這些信號
圖2 光電耦合器接線原理處理後,輸出各種控制信號去執行相應的操作。在現場環境較惡劣時,會存在較大的雜訊干擾,若這些干擾隨輸入信號一起進入微機系統,會使控制準確性降低,產生誤動作。因而,可在微機的輸入和輸出端,用光耦作介面,對信號及雜訊進行隔離。典型的光電耦合電路如圖2所示。該電路主要套用在“A/D轉換器”的數位信號輸出,及由CPU發出的對前向通道的控制信號與類比電路的介面處,從而實現在不同系統間信號通路相聯的同時,在電氣通路上相互隔離,並在此基礎上實現將類比電路和數位電路相互隔離,起到抑制交叉串擾的作用。
對於線性類比電路通道,要求光電耦合器必須具有能夠進行線性變換和傳輸的特性,或選擇對管,採用互補電路以提高線性度,或用V/F變換後再用數位光耦進行隔離。
驅動電路
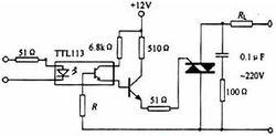
圖3 雙向可控矽(晶閘管)在微機控制系統中,大量套用的是開關量的控制,這些開關量一般經過微機的I/O輸出,而I/O的驅動能力有限,一般不足以驅動一些點磁執行器件,需加接驅動介面電路,為避免微機受到干擾,須採取隔離措施。如可控矽所在的主電路一般是交流強電迴路,電壓較高,電流較大,不易與微機直接相連,可套用光耦合器將微機控制信號與可控矽觸發電路進行隔離。電路實例如圖3所示。
在馬達控制電路中,也可採用光耦來把控制電路和馬達高壓電路隔離開。馬達靠MOSFET或IGBT功率管提供驅動電流,功率管的開關控制信號和大功率管之間需隔離放大級。在光耦隔離級—放大器級—大功率管的連線形式中,要求光耦具有高輸出電壓、高速和高共模抑制。
距離傳送
圖4 傳輸長線的光耦浮置處理在電腦套用系統中,由於測控系統與被測和被控設備之間不可避免地要進行長線傳輸,信號在傳輸過程中很易受到干擾,導致傳輸信號發生畸變或失真;另外,在通過較長電纜連線的相距較遠的設備之間,常因設備間的地線電位差,導致地環路電流,對電路形成差模干擾電壓。為確保長線傳輸的可靠性,可採用光電耦合隔離措施,將2個電路的電氣連線隔開,切斷可能形成的環路,使他們相互獨立,提高電路系統的抗干擾性能。若傳輸線較長,現場干擾嚴重,可通過兩級光電耦合器將長線完全“浮置”起來,如圖4所示。
長線的“浮置”去掉了長線兩端間的公共地線,不但有效消除了各電路的電流經公共地線時所產生雜訊電壓形成相互竄擾,而且也有效地解決了長線驅動和阻抗匹配問題;同時,受控設備短路時,還能保護系統不受損害。
檢測電路
圖5零交叉,即過零檢測,指交流電壓過零點被自動檢測進而產生驅動信號,使電子開關在此時刻開始開通。現代的零交叉技術已與光電耦合技術相結合。圖5為一種單片機數控交流調壓器中可使用的過零檢測電路。
220V交流電壓經電阻R限流後直接加到2個反向並聯的光電耦合器GD,GD的輸入端。在交流電源的正負半周,GD和GD分別導通,U輸出低電平,在交流電源正弦波過零的瞬間,GD和GD均不導通,U輸出高電平。該脈衝信號經反閘整形後作為單片機的中斷請求信號和可控矽的過零同步信號。
注意事項
(1)在光電耦合器的輸入部分和輸出部分必須分別採用獨立的電源,若兩端共用一個電源,則光電耦合器的隔離作用將失去意義。
(2)當用光電耦合器來隔離輸入輸出通道時,必須對所有的信號(包括數位量信號、控制量信號、狀態信號)全部隔離,使得被隔離的兩邊沒有任何電氣上的聯繫,否則這種隔離是沒有意義的。
光耦合器的選型
在設計光耦光電隔離電路時必須正確選擇光耦合器的型號及參數,選取原則如下:
(1)由於光電耦合器為信號單向傳輸器件,而電路中數據的傳輸是雙向的,電路板的尺寸要求一定,結合電路設計的實際要求,就要選擇單晶片集成多路光耦的器件;
(2)光耦合器的電流傳輸比(CTR)的允許範圍是不小於500%。因為當CTR<500%時,光耦中的LED就需要較大的工作電流(>5.0 mA),才能保證信號在長線傳輸中不發生錯誤,這會增大光耦的功耗;
(3)光電耦合器的傳輸速度也是選取光耦必須遵循的原則之一,光耦開關速度過慢,無法對輸入電平做出正確反應,會影響電路的正常工作;
(4)推薦採用線性光耦。其特點是CTR值能夠在一定範圍內做線性調整。設計中由於電路輸入輸出均是一種高低電平信號,故此,電路工作在非線性狀態。而線上性套用中,因為信號不失真的傳輸,所以,應根據動態工作的要求,設定合適的靜態工作點,使電路工作線上性狀態。
光耦合器的檢測方法
判斷光耦的好壞,可測量其內部二極體和三極體的正反向電阻來確定。更可靠的檢測方法是以下三種:
1、比較法
拆下懷疑有問題的光耦,用萬用表測量其內部二極體;三極體的正反向電阻值,用其與好的光耦對應腳的測量值進行比較,若阻值相差較大,則說明光耦已損壞。
2、數字萬用表檢測法
下面以PCIll光耦檢測為例來說明數字萬用表檢測的方法,檢測時將光耦內接二極體的+端①腳和—端②腳分別插入數字萬用表的hfE的c,e插孔內,此時數字萬用表應置於NPN擋;然後將光耦內接光電三極體c極⑤腳接指針式萬用表的黑表筆,e極④腳接紅表筆,並將指針式萬用表撥在Rxlk擋。這樣就能通過指針式萬用表指針的偏轉角度——實際上是光電流的變化,來判斷光耦的情況。指針向右偏轉角度越大,說明光耦的光電轉換效率越高,即傳輸比越高,反之越低;若錶針不動,則說明光耦已損壞。
3、光電效應判斷法
仍以ICIll光電耦合器的檢測為例,將萬用表置於Rxlk電阻擋,兩表筆分別接在光耦的輸出端④、⑤腳,然後用一節1.5V的電池與一隻50~100歐的電阻串接後,電池的正極端接PC111的①腳,負極端碰接②腳,或者正極端碰接①腳,負極端接②腳,這時觀察接在輸出端萬用表的指針偏轉情況。如果指針擺動,說明光耦是好的,如果不擺動,則說明光耦已損壞。萬用表指針擺動偏轉角度越大,表明光電轉換靈敏度越高。

