充氣整流管,gaseousconductionectifier。
充氣整流管產品技術指標
一、一般參數
陰極冷陰極
著火電壓≤900V
管壓降≤150V
反向漏電流≤3mA
安裝位置任意
重量(質量)≤25g
壽命800h
二、極限數據
最高反向電壓8000V
正向峰值電流600mA
正向平均電流60mA
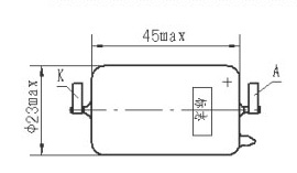
外形圖和電極接線
外形圖
電極接線相關詞條
| 正向峰值電流 | |

充氣整流管,具有正向著火電壓低,管壓降低,反向耐壓高的特點,主要用於發動機電容式點火裝置。
充氣整流管,gaseousconductionectifier。
充氣整流管一、一般參數
陰極冷陰極
著火電壓≤900V
管壓降≤150V
反向漏電流≤3mA
安裝位置任意
重量(質量)≤25g
壽命800h
二、極限數據
最高反向電壓8000V
正向峰值電流600mA
正向平均電流60mA
外形圖
電極接線| 正向峰值電流 | |
輝光放電整流管亦稱“冷陰極離子管”或“冷陰極充氣管”,是一種利用氣體輝光放電原理而工作的離子管,在電子電路中指示、穩壓等作用。 在工作時,管內產生明顯的...
介紹 相關詞條 相關連結二極體是只具有一個陰極與一個陽極(板極)的電子管。它是靠被燈絲加熱的陰極發射電子導電的。具有單嚮導電性能,即陽極電位高於陰極時,陰極發射的電子在電場的作...
簡介 熱陰極充氣二極體 相關詞條 參考資料人工形成的汞弧使泡點燃;在充氣整流管內陰極是固體的,藉助於電流通過陰極...一樣,在充氣管內,電流的流動主要是取決於電子向陰極的移動。沉重的汞正離子...線路中接有所謂燈絲電壓的穩定元件。為了避免充氣管過熱,故不應當使充氣管...
基本介紹 基本工作原理 充氣管整流器的運用特性 整流器 充氣管介紹的電子管。又稱離子管。在充氣管內,電子在電極間運動時與氣體原子和分子碰撞...、熱陰極充氣二極體及閘流管等。充氣管廣泛套用於雷達、通信、自動控制、輻射...,1922年制出輝光放電整流管。1929年制出閘流管。1930年制出輝光放電...
簡介 歷史 冷陰極放電管 計數管 穩壓管蒸氣整流管,用於高壓整流和逆變。在±100千伏直流輸電線路上採用,傳輸20...廣泛套用。美、日等國還發展了管道充氣(SF6)電纜,用於345千伏及以上...
簡介 發展歷史