簡介
儀用互感器一種特殊的變壓器,指用以傳遞信息供給測量儀器、儀表和保護、控制裝置的變換器。也稱測量用互感器,是測量用電壓互感器和測量用電流互感器的統稱。
作用
將一次高電壓或大電流變換為二次低電壓和小電流,一次迴路與二次迴路之間通過電磁感應傳遞信號,並且相互之間電氣隔離,二次低電壓和小電流方便用於測量儀器或繼電保護自動裝置使用,並且使二次設備與高壓隔離,保證設備和人身安全。
1、用來使儀表、繼電器等二次設備與主電路絕緣。
儀用互感器這即可避免主電路的高電壓直接引入儀表、繼電器等二次設備,又可防止繼電器、儀表等二次 設備的故障影響主電路,提高一、二次設備的安全性和可靠性,並有利於人身安全。
2、用來擴大儀表、繼電器等二次設備的套用範圍。
例如用5A的電流表或100V電壓表,通過不同變比的電流、電壓互感器可測量任意高的電流或電壓。而且可使二次儀表、繼電器的規格統一,有利於這些設備的標準化。
分類
根據測量對象的不同
電壓互感器
⑴按安裝地點可分為戶內式和戶外式。35kV及以下多製成戶內式;35kV以上則製成戶外式。
⑵按相數可分為單相和三相式,35kV及以上不能製成三相式。
⑶按繞組數目可分為雙繞組和三繞組電壓互感器,三繞組電壓互感器除一次側和基本二次側外,還有一組輔助二次側,供接地保護用。
⑷按絕緣方式可分為乾式、澆注式、油浸式和充氣式。乾式電壓互感器結構簡單、無著火和爆炸危險,但絕緣強度較低,只適用於6kV以下的戶內式裝置;澆注式電壓互感器結構緊湊、維護方便,適用於3kV~35kV戶內式配電裝置;油浸式電壓互感器絕緣性能較好,可用於10kV以上的戶外式配電裝置;充氣式電壓互感器用於SF6全封閉電器中。
⑸按工作原理劃分,還可分為電磁式電壓互感器,電容式電壓互感器和電子式電壓互感器。
電流互感器
按絕緣介質分類
乾式電流互感器。由普通絕緣材料經浸漆處理作為絕緣。
澆注式電流互感器。用環氧樹脂或其他樹脂混合材料澆注成型的電流互感器。
油浸式電流互感器。由絕緣紙和絕緣油作為絕緣,一般為戶外型。
氣體絕緣電流互感器。主絕緣由氣體構成。
按安裝方式分類
貫穿式電流互感器。用來穿過屏板或牆壁的電流互感器。
支柱式電流互感器。安裝在平面或支柱上,兼做一次電路導體支柱用的電流互感器。
套管式電流互感器。沒有一次導體和一次絕緣,直接套裝在絕緣的套管上的一種電流互感器。
母線式電流互感器。沒有一次導體但有一次絕緣,直接套裝在母線上使用的一種電流互感器。
按原理分類
電磁式電流互感器。根據電磁感應原理實現電流變換的電流互感器。
電子式電流互感器。可以採用不同的原理,一般包含感測器、一次轉換電路、傳輸系統、電源等部分。
原理
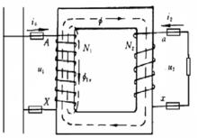
儀用互感器電磁式電壓互感器原理其工作原理與變壓器相同,基本結構也是鐵心和原、副繞組。特點是容量很小且比較恆定,正常運行時接近於空載狀態。
由圖可知:U1/U2=N1/N2,依據此原理,測量出二次電壓U2,根據已知的變比,可以計算出一次電壓U1。
電壓互感器本身的阻抗很小,一旦副邊發生短路,電流將急劇增長而燒毀線圈。為此,電壓互感器的原邊接有熔斷器,副邊可靠接地,以免原、副邊絕緣損毀時,副邊出現對地高電位而造成人身和設備事故。
電磁式電流互感器原理與電磁式電壓互感器基本相同,主要區別在於一次繞組串聯在電路中,並且匝數很少,有的電流互感器還沒有一次繞組,利用穿過其鐵芯的一次電路(如母線)作為一次繞組;而且一次繞組導體相當粗;其二次繞組匝數相當多,導體較細。與電壓互感器類似,有I2/I1=N1/N2。
電流互感器二次不能開路,因為開路時,一次電流全部用於勵磁,鐵芯磁通增大,二次可能輸出高壓,危及安全,並且過大的磁通導致鐵芯迅速飽和,鐵芯發熱燒毀互感器 。
新型互感器
電子式互感器由於電磁互感器存在的易飽和、非線性及頻帶窄等問題,電子式電流互感器逐漸興起。電子式電流互感器一般具有抗磁飽和、低功耗、寬頻帶等優點。
變頻功率感測器是一種電壓、電流組合式的電子式互感器,該互感器的主要特點如下:
1、採用前端數位化技術,光纖傳輸,電磁兼容性好。
2、幅頻特性和相頻特性好,在寬幅值、頻率、相位範圍內均可獲得較高的測量精度。
3、屬於數字式感測器,二次儀表不會引入誤差,感測器誤差就是系統誤差。
變頻功率感測器適用於電力推進、電機、風機、水泵、風力發電、軌道交通、電動汽車、變頻器、特種變壓器、螢光燈、LED照明等領域的產品檢試驗、能效評測及電能質量分析。

