設備介紹
IK型標準信號轉換器在工業自動化控制系統中與各儀表配套使用,實現標準信號轉為開關量,在一定條件下代替PLC的輸出。
主要技術指標
2、 輸入信號:4~20mA歐或(1~5V);標配8路。(可增加)
5、 任意調控輸入信號源,使其在任何一值產生出乾接點輸出。
6、 環境條件:溫度0℃~55℃,溫度≦85%,不透於有腐蝕性氣體的場所使用。
工作狀態
1.調節電位器W,使其在某點輸出乾接點(例如:在輸入時4.8mA,要產生報警,即調節電位器W,輸出產生乾接點。
外形與安裝
開口尺寸::152mm(寬)×76mm(高)
安裝:盤裝
常見轉換器
模數轉換器
模數轉換器是一種能將模擬信號轉變為數位訊號的電子元件。通常是將信號採樣並保持以後,再進行量化和編碼,這兩個過程是在轉化的同時實現的。
模數轉換一般要經過採樣、保持和量化、編碼這幾個步驟。在實際電路中,有些過程是合併進行的,如採樣和保持,量化和編碼在轉換過程中是同時實現的。
數模轉換器
數模轉換器是一種能夠把連續的模擬信號轉變為離散的數位訊號的器件。經數字系統處理後的數字量,有時又要求再轉換成模擬量以便實際使用,這種轉換稱為“數模轉換”。
DAC主要由數字暫存器、模擬電子開關、位權網路、求和運算放大器和基準電壓源(或恆流源)組成。用存於數字暫存器的數字量的各位數碼,分別控制對應位的模擬電子開關,使數碼為1 的位在位權網路上產生和其位權成正比的電流值,再由運算放大器對各電流值求和,並轉換成電壓值。
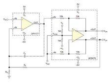
用電阻設定增益的單端至差分轉換器
很多套用都需要差分信號,以獲得較高的信噪比,提高對共模噪聲的抑制能力,並獲得較低的二次諧波失真,例如驅動數據機ADC、通過雙絞線電纜傳輸信號,以及高保真音頻信號的調整等。這就要求有一種可以將單端信號轉換為差分信號的電路,即單端-差分轉換器 。
對很多套用而言,AD8476內置的小功率全差分精密放大器就足夠完成單端-差分的轉換功能。但對於需要更高性能的套用,可以將一隻OP1177精密運放與AD8476相級聯,如圖所示。這種單端-差分轉換器有高的輸入阻抗、(最大)2nA輸入偏移電流及相對輸入端的(最大)60μV偏移電壓和(最大)0.7μV/℃電壓偏移。
單端-差分轉換器圖1 : 調節R F與R G的比值,就可以設定這個單端-差分轉換器。
圖1中電路是一種雙放大器反饋結構,其中運放決定了電路的精度以及噪聲性能,而差分放大器則扮演了單端-差分轉換功能。這個反饋結構抑制了AD8476的誤差,包括噪聲、失真、偏移、漂移,它用運放的大開環增益替代了AD8476內部的運放反饋迴路。本質上,這個結構是採用運放針對輸入端的開環增益,衰減了AD8476的誤差。
圖中的外接電阻R F和R G設定單端-差分放大器的增益,即
單端-差分轉換器與任何反饋連線相同,必須非常注意確保系統的穩定。OP1177與AD8476的級聯構成了一個組合式差分輸出運放,其開環增益是OP1177開環增益與AD8476閉環增益的乘積。因此,AD8476的閉環頻寬為OP1177的開環增益加了一極。為確保穩定性,AD8476的頻寬應高於OP1177的單位增益頻率。當電路的閉環增益大於2時,這個要求可以放鬆,因為電阻反饋網路可有效地將OP1177的單位增益頻率降低RG/(RG+RF).AD8476的頻寬為5MHZ,因此電路在任何增益下都不會有穩定性問題。
當使用單位增益頻率遠大於差分放大器頻寬的運放時,可以插用一個頻寬限制電容CF,如圖所示。電容CF與反饋電阻RF構成一個積分器,整個電容的頻寬則為:
整個電容的頻寬頻寬方程1/ 2係數的原因是:電路的輸出是按單端反饋,而不是差分式。因此,電路的反饋係數與頻寬都要減半。
如果這個減少的頻寬小於差分放大器的閉環頻寬,則電路就會穩定。這種頻寬限制技巧也可以將RG開路,從而獲得2的增益。

