簡介
超聲電視成像測井採用旋轉式超聲換能器,對井眼四周進行掃描,並記錄回波波形。岩石聲阻抗的變化會引起回波幅度的變化,井徑的變化會引起回波傳播時間的變化。將測量的反射波幅度和傳播時間按井眼內360°方位顯示成圖像,就可對整個井壁進行高解析度成像,由此可看出井下岩性及幾何界面的變化(包括沖蝕帶、裂縫和孔洞等)。
超聲成像測井儀器
井下聲波電視目前具有代表性的超聲成像測井儀器有:斯倫貝謝的超聲成像儀USI 和超聲井眼成像儀UBI、阿特拉斯的井周聲波成像測井儀CBIL、哈里伯頓的井周聲波掃瞄器CAST、國內華北油田的井下電視儀等。右表是這些儀器的簡況。
與早期的BJFWV相比,超聲成像測井儀主要採用了以下措施來改善成像質量和解析度:
(1)通過改進超聲換能器的布局,將換能器與鑽井液直接接觸,減小了信號的衰減;
(2)普遍採用了聚焦型換能器,減小了信號在鑽井液中的衰減對成像質量造成的不利影響;
(3)通過採用低頻換能器或大尺寸換能器,提高儀器在高密度鑽井液中工作的能力;
(4)通過增大垂向和橫向採樣點數,提高了儀器的成像解析度。目前這些儀器的最大縱向解析度在10~30mm 之間,略低於微電阻率掃描成像測井儀。
原理
井下聲波電視該儀器用壓電換能器,由馬達驅動,在井下可作360°旋轉(如圖)。通常用頻率為1500次/s 電脈衝激發換能器,使其成聲波源發射聲波,換能器的工作頻率為1.3MHz,另一種換能器的工作頻率為400kHz。
儀器由井下上提時,換能器向井壁發射聲波,當聲波由井壁反射回來時,換能器則作為接收器接收反射回來的信號,將接收到的信號經電子線路送到地面顯示屏,調節顯像管的輝度,輝度的亮暗與信號的幅度有一定的比例關係,於是在螢光屏上顯示出亮暗不同的調輝光點口當換能器在井中旋轉一周時,就觸發顯象管的光點水平偏轉一次,結果就顯示出與旋轉一周相對應的水平掃描線。儀器上提,就在記錄儀中得出井眼展開的圖像,可以用輝度的明暗顯示,也可用彩色顯示。
當前,聲波井下電視,已由模擬測量改進為數字測量。一般是測量回波幅度和雙程旅行時間,輸出的都是數位訊號,將這些信息進行處理,可以得到井壁圖像和井徑變化的圖像,由於普遍採用聚焦探頭,超聲井下電視不僅可以在套管井中測量,也可以在裸眼井中測量。
超聲成像測井的聲源是圓片狀壓電陶瓷。可以將聲源的聲場看成是圓片上無限多個點聲源產生聲場疊加的結果。通常定義聲壓幅度值衰減為聲軸方向聲壓幅度70%(3 面)的方向的角度。這一角度對應的波場寬度又稱為三分貝射束寬度,這一參數反映了超聲成像的空間解析度。換能器設計的原則儘可能使更多的能量匯集在一塊較小的面積內。發射信號的性質主要取決於換能器的直徑和頻率。影響超音波衰減和成像解析度的主要因素有:
(1) 工作頻率。
換能器的形狀、頻率以及與目的層的距離決定聲束的光斑大小。尺寸越小,頻率越高,則光斑越小。但是,尺寸越小,功率就越小;頻率越高,聲衰減就越大。鑽井液引起的聲衰減會降低信號解析度,要求工作頻率儘可能低;然而降低頻率會對測量結果的空間解析度產生不利影響。
(2) 井內鑽井液。
井內鑽井液由鑽井液的固有吸收和固相顆粒(或氣泡)散射衰減兩部分組成。鑽井液密度越大,聲波衰減越大,探測靈敏度則下降。
(3)測量距離。
(4)目的層的表面結構。
不同類型岩石具有不同的表面結構。鑽井過程造成的非自然表面結構。
(5)目的層的傾角
在儀器居中不好或井眼不規則時,圖像中呈現出遮掩顯著特徵的垂直條紋。
(6)岩石的波阻抗差異。
哈里伯頓公司的超聲井下電視CAST 使用電子自動聚焦換能器可以把聲束的光斑控制,井下聲波電視原理圖在5mm 的直徑,提高了儀器的解析度及井壁圖像的質量。
圖像處理方法及套用
井下聲波電視(1)包括可供用戶選擇的數據顯示、傳播時間和反射波幅度剖面圖的繪製,進行圖像增強、計算地層傾角、確定裂縫方位以及進行頻率分析等。圖像增強是通過採用平衡濾波器來改善低振幅的黑暗部分,使用清晰濾波器突出近似水平或近似垂直的特徵,從而使整個圖像的明暗度得到有效調整,使得薄夾層顯露出來。由頻率分析可確定出某一井段上的層理面、裂縫、孔洞和沖蝕層段的數目o 此外,可用所得到的地層方位玫魂圖來確定層理面或裂縫系統的主要方向。提高圖像的垂向解析度則受換能器性能、掃描旋轉速度以及測井速度等因素。
井下聲波電視近幾年來井下聲波電視有很大發展,井壁成像質量取得很大的改進,尤其是"星"成像|的制約。測井系統(Star Imager)很有特色(阿特拉斯公司)。它把微電阻率成像與聲波電視成像接成一根儀器,同時給出電成像和聲波成 像,右圖 是儀器結構示意圖。微電阻率成像儀是在6 臂地層傾角儀的基礎上發展的,每個極板上有兩排電極,每排12 個鈕扣電極,共144 個電極。聲波成像與環形井眼成像系統基本一樣,在8in 井眼中,微電阻率成像的覆蓋率為60%,聲波成像覆蓋率為100%。
(2)井下聲波電視測井的套用
聲波接收器收到的聲波幅度與鑽井液和井壁的聲阻抗有關,聲阻抗大,反射回波幅度大;聲阻抗小,反射回的波幅度小。另外也可以用雙程旅行時來研究井眼形狀的變化。井下聲波電視可解決下述有關問題:
(1)判斷岩性。對於硬地層,如白雲岩、石灰岩及緻密硬砂岩,聲阻抗大,反射波幅度大,圖像的輝度明亮。對於泥岩層和煤層,聲阻抗小,反射波幅度低,圖像的輝度暗,總之可將圖像與岩心對比,找出地區岩性的特點。
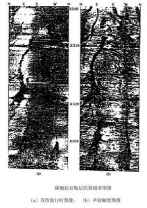
井下聲波電視(2)劃分裂縫帶。對於裂縫帶,通常顯示暗的條紋,可根據條紋的變化,確定裂縫的產狀(與地層微電阻率掃描成像一樣)。右圖是碳酸鹽岩地層,在聲波幅度圖像中有明顯的黑條紋,而且是傾角較陡的裂縫(約為80°),在雙程旅行時圖像中也有顯示,但不如聲波幅度圖像中清楚。
(3)檢查射孔質量及套管損壞情況。在聲波幅度圖像中射孔孔眼顯示成黑點,黑點的分布反映孔眼的分布,如果黑點間有黑色條紋相連,表明射孔時套管破裂。如果套管有損壞時,對於損壞的地方則呈暗色。
(4)檢查壓裂效果。如果在壓裂前、後分別進行井下聲波電視測井,即可顯示出壓裂的人工裂縫。右圖是泥質灰岩和石灰岩的井眼圖像,壓裂前圖像中元裂縫顯示,但在加壓壓裂時和壓裂後的圖像中清楚地顯示兩條垂直的裂縫,這是由壓裂形成的人工裂縫。
