基本概念
不確定系統
系統的諸因素中含有不能用確定的量進行描述的系統或呈現有不確定性信息的系統稱為不確定性系統。所謂不確定,即不明確、不肯定。不確定的量是表述系統中不確定性信息的量,如模糊量、灰色量,都是不確定的量,分別稱之為模糊不確定量、灰色不確定量。
不確定性系統預測的基本出發點是強調以系統思想為指導,以綜合處理不確定性信息為主要手段。它沒有改變經典預測的初衷,是經典預測的繼承和發展。因此,經典預測理論的基本原理在此仍具有指導作用。
離散系統
早在五十年代,由於數字計算機在工程和科學上套用的增加,離散控制系統的研究己經引起了人們的注意,當時的工作主要是套用z變換研究採樣數據系統。近三十年來,離散控制系統的研究已經有了較大的發展。尤其是近幾十年來,隨著科學技術的高速發展,人類社會進入到信息化,工業技術發生了根本性變革,出現了一大批高新技術領域世界範圍的微電子技術革命浪潮,極大地推動了微處理機和微型計算機在控制系統種的套用。由於數字計算機進行計算機時在時間上是離散的,因此當一個系統用數字計算機進行控制或用數字計算機模擬、分析、設計控制系統時,需要把時間變數考慮為離散變數,研究的系統需要考慮為離散系統,由於這些原因,近來離散控制系統的研究再次引起了控制界的特別重視,目前離散控制系統的分析與設計已成為控制理論的一個重要組成部分。
隨著微型機的多功能性及可靠性的不斷提高,加之其價格的日益下降,套用微型計算機進行控制和管理日益廣泛。例如用小型機代替二次儀表對生產過程進行控制時,其不僅可以實現PID控制,還可以實現一些複雜控制。更進一步,還可以套用離散控制系統的理論和方法,設計更高級的反饋系統,以達到諸如最優控制、線性多變數控制、自適應控制等等。又如用微機對一個工廠、一個公司以至一個比較複雜的管理系統管理時,通過建立數學模型,利用離散系統的理論和方法進行分析與設計,可以得到令人滿意的管理策略。由於數字計算機處理的只能時離散的數位訊號,所以,不論它用於控制或用於管理,如果原來的信號時連續的,都需要將它離散化,轉換成離散信號。這就是說,需要通過離散化把原來的連續控制系統轉換成一個離散控制系統來處理。因此研究離散系統具有重要的現實意義。
研究背景
在實際的工業控制中,各種工業生產過程,生產設備以及其他眾多被控對象,其動態特性一般都難以精確的數學模型描述。有時即使能獲得被控對象數學模型,但由於其過於複雜,也難以對其進行有效的性能分析和綜合,因此必須進行適當的簡化。另一方面,隨著生產過程中條件和環境的變化,控制系統中元件的老化或損壞,被控對象本身的特性也會隨之發生變化,所有這些因素使得描述被控對象的數學模型和實際對象之間不可避免的存在一定的誤差。因此,不確定性普遍存在於工程套用中。例如汽車離合器變速緩衝裝置,套用H∞控制理論來改善自動離合器變速時的過渡回響,從而提高舒適性的實例。另一個常見的例子是礦車速度控制,礦車在運行過程中,車速的變化或坑道坡度的變化會引入鋼索的伸縮振動,且在坑道各站停車時,礦車會來回振動,從而不僅惡化乘客的舒適感而且降低工作效率。不確定系統有個顯著的特點就是系統中存在未知的不確定項。不確定系統的控制系統的設計與實現,要求存在未知不確定性的情況下,仍然能使系統穩定並保持所希望的系統性能。
模型的分類方法
就不確定離散系統而言,其不確定性產生的原因很多,主要包括:
(1)參數的測量誤差;
(2)參數的辨識誤差;
(3 )參數的實際值與標稱值的偏差;
(4)環境和運行條件的影響,這往往是不確定性的最重要的原因;
(5)工況變動的影響;
(6)人為的簡化等等。
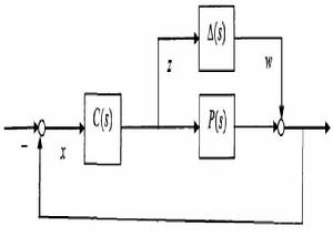
將不確定系統模型擴展到反饋控制系統設計中,控制器模型C(s)和控制對象模型P(s)以及系統的不確定性△(s)的關係如圖所示:
不確定離散系統其中不確定△(s)包括了系統的不確定攝動等因素。從不確定性的分類來看,一般將其分為三類:
1.可參數化不確定性模型。可參數化不確定模型又稱參數不確定性,是指可以用被控對象模型的參數攝動來表示不確定性.這類不確定性一般不改變系統的結構。例如矩形體、球形體、多面體內取值等。
2.非結構性攝動。這種攝動不僅以參數變化形式出現而且系統結構也發生變化,例如H∞範數,Gap度量的攝動。
3.混合攝動。同時具有結構性和非結構性攝動。
縱觀不確定系統的研究和發展,存在兩條主要的線索,即基於傳遞函式矩陣的頻域理論與直接狀態空間模型的時域理論。非結構不確定在頻域分析中套用較多。
不確定離散系統的魯棒控制
在魯棒控制理論的發展中形成了一些理論分支,如H∞控制理論、結構奇異值理論和Kharitonov區間理論等,在這些魯棒控制理論中我們主要介紹一下H∞控制理論。在二十世紀60年代,以狀態空間描述對象的現代控制理論得到了很大發展,出現了以Kalman-Bucy濾波器和最優二次調節理論為基礎的LQG設計方法,這種設計方法忽略了系統的不確定性,對系統的干擾作了很嚴格的要求,它要求精確的系統模型,如果系統的模型具有不確定性,LQG設計方法就不能保證系統具有魯棒性。Zames 指出:基於狀態空間模型的LQG設計方法之所以魯棒性不好,主要是LQG使用的積分指標造成的以及將不確定的干擾用白噪聲模型表示。基於此,他提出,假定干擾屬於某一己知信號集的情況下,用其相應的靈敏度函式的H∞範數作為指標,設計目標是在可能發生的最嚴重干擾下使系統的誤差在這種範數意義下達到極小,這樣就將干擾問題轉化位求解使閉環系統穩定,並使相應的H∞範數指標極小化的輸出反饋控制問題。H∞控制的基本思想是用H∞範數作為目標函式的度量進行控制系統的設計,使系統干擾至誤差的傳遞函式的H∞範數最小,從而使具有有限功率譜的干擾至誤差影響降到最小程度。H∞控制本質上可以認為是魯棒控制的一個分支,最初的H∞控制問題不是考慮系統的參數不確定性,而是考慮系統干擾的不確定性,後來發展的魯棒H∞控制理論,同時考慮系統參數不確定性和干擾對系統性能的影響。
一般認為Zames (1981)提出的以控制系統內的某些信號間的傳遞函式矩陣H∞範數為最佳化指標的設計思想標誌著H∞控制理論的誕生。其後一段時期的問題主要是在控制系統內部穩定的控制器集合中尋求一個傳遞函式矩陣的H二範數的最小解問題。Doyle等人(1989)在美國控制年會上發表了著名DGKF論文,證明了可通過求解兩個適當的代數Riccati矩陣方程來得到H∞控制的解。DGKF的論文標誌著H∞控制理論的成熟。在H∞控制的研究中,有界實引理的引進以及其和H∞控制之間關係的建立為H∞控制的研究提供了新的工具,使得可以更加簡潔有效地證明DGKF論文的主要結論。有界實引理也為套用不確定系統二次鎮定的Riccati方程方法來研究不確定系統的魯棒H∞控制問題提供了可能。
不確定離散系統的保成本控制
不確定性系統的保成本控制(GCC)最早是由Chang和Peng於1972年在自適應控制中提出來的。近年來,隨著不確定系統魯棒二次鎮定和H∞控制狀態空間方法研究所取得的進展,保成本控制問題研究再次受到人們的注意,吸引了眾多專家學者,並取得了令人注目的成果。其研究己經貫穿控制系統的各個領域,如線性連續不確定系統、離散不確定系統、時滯系統、不確定系統以及不確定廣義系統等。
在工業過程系統中,各個元件(主要是執行器和感測器)往往會隨著控制系統運行時間的不斷增加出現損壞或發生失效,從而導致整個系統不穩定或性能變差。為了讓控制系統在某些元件出現失效時仍具有一定程度的可靠性,系統能夠正常運行並達到設定的性能指標,有些學者提出了可靠控制理論。最初的可靠控制理論的研究大多是針對確定系統的並結合等的性能指標要求,設計合適的反饋控制律。
Veillette完整的介紹了集中式和分散式兩種類型的可靠控制設計方案,研究了具有參數不確定的單擾動系統的可靠保成本問題,通過將滿階的代數Riccati方程分解為兩個降階的快速代數Riccati方程來避免由並行計算引起的僵直問題。Yu 首先研究了在給定的二次成本函式下的離散時間系統的可靠保成本控制,並且所用的執行器的失效模型是一個新的模型,包括了所有失效的情況,具有更廣泛的意義。線性矩陣不等式處理方法的套用也更方便的給出了最優可靠保成本控制律的參數表達形式。

