三端可調輸出穩壓器WK11117
主要特點:
輸出電壓範圍:1.2VDC~37VDC
負載調整率0.3%
限流保護
過熱保護
TO-257金屬封裝或陶瓷表貼封裝
概述:
產品的設計與製造符合GJB2438A-2002《混合積體電路通用規範》和Q/WK20008-2012《混合積體電路WK117805、WK117812、WK117815、WK117905、WK117912、WK117915、WK11117型線性穩壓器詳細規範》的要求。
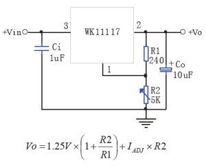
典型套用圖:
典型套用圖:環境溫度:
工作溫度(Tc):-55℃~+125℃(M級)、-40℃~+85℃(E/I級)
存儲溫度:-65℃~+150℃
主要參數:
輸出電流:1A
輸入輸出壓差:≤40V
耗散功率:內部限制
示圖:
WK11117