原理分析
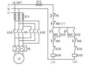
電機要實現正反轉控制,將其電源的相序中任意兩相對調即可(我們稱為換相),通常是V相不變,將U相與W相對調節器,為了保證兩個接觸器動作時能夠可靠調換電動機的相序,接線時應使接觸器的上口接線保持一致,在接觸器的下口調相。由於將兩相相序對調,故須確保二個KM線圈不能同時得電,否則會發生嚴重的相間短路故障,因此必須採取聯鎖。為安全起見,常採用按鈕聯鎖(機械)與接觸器聯鎖(電氣)的雙重聯鎖正反轉控制線路(如下圖所示);使用了按鈕聯鎖,即使同時按下正反轉按鈕,調相用的兩接觸器也不可能同時得電,機械上避免了相間短路。另外,由於套用的接觸器聯鎖,所以只要其中一個接觸器得電,其長閉觸點就不會閉合,這樣在機械、電氣雙重聯鎖的套用下,電機的供電系統不可能相間短路,有效地保護了電機,同時也避免在調相時相間短路造成事故,燒壞接觸器。
原理說明
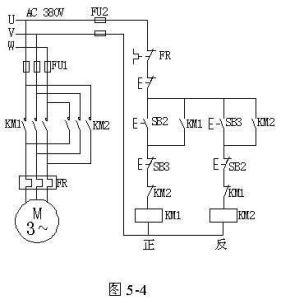
圖中主迴路採用兩個接觸器,即正轉接觸器KM1和反轉接觸器KM2。當接觸器KM1的三對主觸頭接通時,三相電源的相序按U―V―W接入電動機。當接觸器KM1的三對主觸頭斷開,接觸器KM2的三對主觸頭接通時,三相電源的相序按W―V―U接入電動機,電動機就向相反方向轉動。電路要求接觸器KM1和接觸器KM2不能同時接通電源,否則它們的主觸頭將同時閉合,造成U、W兩相電源短路。為此在KM1和KM2線圈各自支路中相互串聯對方的一對輔助常閉觸頭,以保證接觸器KM1和KM2不會同時接通電源,KM1和KM2的這兩對輔助常閉觸頭線上路中所起的作用稱為聯鎖或互鎖作用,這兩正向啟動過程對輔助常閉觸頭就叫聯鎖或互鎖觸頭。
正向啟動過程
按下起動按鈕SB2,接觸器KM1線圈通電,與SB1並聯的KM1的輔助常開觸點閉合,以保證KMl線圈持續通電,串聯在電動機迴路中的KM1的主觸點持續閉合,電動機連續正向運轉。
停止過程
按下停止按鈕SB1,接觸器KMl線圈斷電,與SB2並聯的KM1的輔助觸點斷開,以保證KMl線圈持續失電,串聯在電動機迴路中的KMl的主觸點持續斷開,切斷電動機定子電源,電動機停轉。
反向啟動過程
按下起動按鈕SB3,接觸器KM2線圈通電,與SB3並聯的KM2的輔助常開觸點閉合,以保證KM2線圈持續通電,串聯在電動機迴路中的KM2的主觸點持續閉合,電動機連續反向運轉。
正反轉控制
圖中使用了2個分別用於正轉和反轉的電磁接觸器KM1、KM2,對這個電動機進行電源電壓相的調換。此時,如果正轉用電磁接觸器KM1,電源和電動機通過接觸器KM1主觸頭,使L1相和U相、L2相和V相、L3相和W相對應連線,所以電動機正向轉動。如果接觸器KM2動作,電源和電動機通過KM2主觸頭,使L1相和W相、L2相和V相、L3相和U相分別對應連線,因為L1相和L3相交換,所以電動機反向轉動。
安全措施
三相異步電動機正反轉控制原理圖如上圖所示三相異步電動機接觸器聯鎖的正反轉控制的電氣原理圖,為了保證一個接觸器得電動作時,另一個接觸器不能得電動作,以避免電源的相間短路,就在正轉控制電路中串接了反轉接觸器KM2的常閉輔助觸頭,而在反轉控制電路中串接了正轉接觸器KM1的常閉輔助觸頭。當接觸器KM1得電動作時,串在反轉控制電路中的KM1的常閉觸頭分斷,切斷了反轉控制電路,保證了KM1主觸頭閉合時,KM2的主觸頭不能閉合。同樣,當接觸器KM2得電動作時,KM2的常閉觸頭分斷,切斷了正轉控制電路,可靠地避免了兩相電源短路事故的發生。
聯鎖(或互鎖):在一個接觸器得電動作時,通過其常閉輔助觸頭使另一個接觸器不能得電動作的作用叫聯鎖(或互鎖)。實現聯鎖作用的常閉觸頭稱為聯鎖觸頭(或互鎖觸頭)。
三相異步電動機接觸器聯鎖的正反轉控制的優點:工作安全可靠。
缺點:操作不便。因電動機從正轉變為反轉時,必須先按下停止按鈕後,才能按反轉啟動按鈕,否則由於接觸器的聯鎖作用,不能實現反轉。為克服此線路的不足,可採用按鈕聯鎖或按鈕和接觸器雙重聯鎖的正反轉控制線路。

