基本內容
這種電路最大的好處是輸入輸出同極性。尤其適合於電池供電的套用場合,允許電池電壓高於或者小於所需要的輸入電壓。比如一塊鋰電池的電壓為3V ~ 4.2V,如果負載需要3.3V,那么SEPIC電路可以實現這種轉換。
另外一個好處是輸入輸出的隔離,通過主迴路上的電容C1實現。同時具備完全關斷功能,當開關管關閉時,輸出電壓為0V。
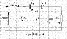
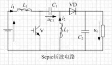
斬波電路
Sepic斬波電路是開關電源六種基本DC/DC變換拓撲之一。
sepicSepic斬波電路的基本工作原理:
當V處於通態時,E— L1—V迴路和C1—V— L2迴路同時導電, L1和 L2貯能。
V處於斷態時,E— L1— C1—VD—負載( C2和R)迴路及 L2—VD—負載迴路同時導電,此階段 E和 L1既向負載供電,同時也向 C1充電, C1貯存的能量在V處於通態時向 L2轉移。
Sepic斬波電路的輸入輸出關係由下式給出:
sepic
