Micaz MICAz is a wireless sensor network (WSN) mote developed by Crossbow Technology. The device is built upon the IEEE 802.15.4 standard. It is one of the most commonly used mote system in the world.
Hardware
The device consists of a printed circuit board of two AA drycell size for flexible modification by the user. Product numbers are MPR2400 and MPR2600
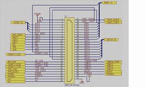
接口
Micaz 51pin接口 AtMega128L Processor - Program Flash Mem 128K - Serial Flash 512K - Config EEPROM 4KRadio Chip CC24202.4 GHz IEEE 802.15.4MMCX ant connectorUART10 bit built-in ADC51 pin connector
Sensor BoardMTS310 2-axis accelerometer, 2-axis magnetometer, microphone, temperature, light, piezo-speakerMTS420 GPS receiver, 2-axis accelerometer, temperature, humidity, barometer, lightMTS400 2-axis accelerometer, temperature, humidity, barometer, lightMDA300 universal input/output interface: 11 ch 12bit ADC, relay outputs, counter, sensor excitation volt out, temp/hum.MDA100 universal breadboard, temperature, light
Power SupplyTwo AA drycell batteriesExternal power supply connectorAutomatic battery management provided by the software
Networking
The motes communicate using the IEEE 802.15.4 standard including the base-station approach to sensor networking. The MICAz supports the IEEE 802.15.4 MAC layer, on top of which ZigBee or similar system layers can be built.
Software
Supported by TinyOS, Xmesh(MoteWorks), SOS, LiteOS, Mantis, contiki and Nano-RK.
