概述
ZD6系列電動轉轍機廣泛套用於國家鐵路、城市軌道交通、地方鐵路,ZD6系列電動轉轍機適用於時速120km/h以下的普通單開道岔和複式交分道岔,根據對道岔的保護方式分為可擠和不可擠型兩種;根據對道岔的鎖閉方式又可分為單鎖閉和雙鎖閉。它可以單機牽引道岔,也可以通過系列中不同型號轉轍機的相互匹配實現雙機牽引道岔,從而滿足不同道岔的需要 。
轉轍機主要結構
ZD6電動轉轍機結構ZD6系列電動轉轍機根據道岔使用狀態的要求,各型號的配置略有不同,主要由電動機、減速器、摩擦連線器,自動開閉器,主軸、動作桿、表示桿、移位接觸器,底殼及機蓋等組成 。
電動機
電動機電路圖要求具有足夠的功率,以獲得必要的轉矩和轉速。電動機要有較大的起動轉矩,以克服尖軌與滑床板之間的靜摩擦。同時,道岔需要定反位轉換,要求電動機能夠逆轉。通過改變定子繞組中或電樞(轉子)中的電流的方向來實現。兩個定子繞組通過公共端子分別與轉子的繞組串聯 。
減速器
減速器採用兩級齒輪減速傳動機構:第一級為普通圓柱齒輪傳動,第二級為漸開線一齒差減速器傳動 。
減速器中夾板式聯軸器有兩個作用:
1、使減速器的內齒輪固定,把減速器銷軸式輸出機構的旋轉運動傳給主軸;
2、電轉機過載時,如道岔內夾有異物,不能使道岔到位時,減速器輸出軸不轉,而內齒輪可在夾板式聯軸器內轉動,以保護轉轍機。
採用了雙向調整摩擦力矩的夾板式聯軸器,使正反向摩擦電流偏差較小。
外齒輪41齒,內齒輪42齒,兩者相差1齒。因此,外齒輪作一周偏心運動時,外齒輪的齒在內齒輪里錯位一齒。內齒輪靜止不動,外齒輪在一周的偏心運動中反方向旋轉一齒的角度。帶動輸出軸逆時針方向旋轉一周,這樣達到減速目的 。
摩擦連線器
摩擦連線器如圖所示,減速器內齒輪的小外園上南裝有摩擦制動板,摩擦制動板下端套於固定在減速殼上的夾板軸,上端用螺栓彈簧壓緊時,內齒輪就靠摩擦作用被“固定”起來。因此在正常轉換情況下,依靠摩擦力,內齒輪給予外齒輪一個反作用力,使外齒輪在擺動式運動中旋轉,帶動輸出軸、主軸、鎖閉齒輪轉動,從而帶動道岔轉換,當發生道岔尖軌遇有障礙物不能密貼,鎖閉齒輪、主軸、輸出軸等不能再轉動,而電動機卻還在轉動時,由於輸入軸還隨電動機在轉動,外齒輪仍繼續沿內齒輪作逐齒咬合的擺動式運動。但輸出軸不能轉動,外齒輪受滾棒的阻止而不能自轉。在這種情況下,擺動式運動使外齒輪對內齒輪有一個作用力,迫使內齒輪在摩擦制動板中旋轉 。
摩擦連線器的摩擦力要調整適當,過緊會導致電動機和有關機件損壞,過松不能正常帶動道岔轉換,通過調整彈簧壓力在大小來調整摩擦力,一般用測量摩擦電流值來衡量摩擦力大小 。
轉換鎖閉裝置
轉換鎖閉機構如圖所示,主要由鎖閉齒輪和齒條塊等組成,其作用是將旋轉運動改變為直線運動,並構成內部鎖閉。
當道岔轉換時,首先是電動機開始轉動,帶動減速器輸入,輸出軸轉動,並通過起動片帶動主軸及鎖閉齒輪轉動,鎖閉齒輪撥動齒條塊帶動動作桿動作,當轉換完畢後,鎖閉齒輪的園弧面正好與齒條塊的削尖齒弧面重合,當齒條塊受到水平移動的作用力時,這個力只能沿著鎖閉園弧的半徑方向傳給鎖閉齒輪。所以鎖閉齒輪不可能轉動,齒條塊也不能移動,被固定在齒條塊里的動作桿也不能移動,實現了道岔的內部鎖閉 。
自動開閉器
自動開閉器在轉轍機內隨機件動作,能自動完成開關作用,隨著道岔的轉換,正確地接通與斷開電動機電路及表示電路。轉轍機自動開閉器是整體式結構,可以獨立拆卸。它與表示桿(或鎖閉桿)配合,利用接點的通與斷,可以反映道岔尖軌的位置狀態。其接點環和靜接點等採用鈹青銅材料,提高導電性能及耐磨性能,壽命長。小拐軸採用花鍵軸與支架聯結避免曠動、增加扭轉強度。速動襯套採用自潤滑粉末冶金 。
擠岔保護及報警裝置
擠岔及保護裝置包括擠切銷和移位接觸器等。擠切銷用於連線動作桿和齒條塊,擠岔時擠切銷被切斷,使動作桿和齒條塊分離,避免機件損壞。移位接觸器用於監督擠切銷受損狀態,道岔被擠或擠切銷折斷時,斷開道岔表示,並接通擠岔報警電路 。
遮斷器
位於電動機一側,用於斷開電動機的電路。只有打開遮斷器,才能插入手搖把人工轉換道岔,或者打開機蓋進行維修 。
表示桿
表示桿通過與道岔的表示連線桿相連隨道岔動作,用來檢查尖軌是否密貼,以及在定位還是在反位。
由前、後表示桿以及兩個檢查塊組成。前表示桿的前伸端設有連線頭,用來和道岔的表示桿相連。後表示桿前端與並緊螺栓相連的是一長孔,所以有86—167mm的調整範圍,以滿足不同 的道岔開程需要 。
道岔轉換到位後,自動開閉器上的檢查柱就落入表示桿檢查塊的缺口之中,兩側的間隙為1.5±0.5mm。
現場調整表示缺口是一項重要的工作,在密貼調整完成後,才能進行表示的調整。先調調密貼,再調錶示(先調主口、、表示桿伸出為主口,在調副口、、表示桿拉入為副口) 。
轉轍機型號及參數
轉轍機型號以及各種型號所對應的各種參數:
| 型 號 | 額定電壓 DC V | 額定轉換力 N(kgf) | 動作桿動程mm | 表示桿動程mm | 轉換時間 S | 工作電流 A | 動作桿 主副銷 抗擠切力N | 表示桿銷 抗擠切力N | 擠岔與鎖閉方式 |
| ZD6-A 165/250 | 160 | 2450(250) | 165 | 135~185 | ≤3.8 | ≤2.0 | 主銷29420±1961 副銷29420±1961 | 單鎖閉 | |
| ZD6-D 165/350 | 160 | 3430(350) | 165 | 135~185 | ≤5.5 | ≤2.0 | 主銷29420±1961 副銷29420±1961 | 14700~17600 | 雙鎖閉 |
| ZD6-E 190/600 | 160 | 5884(600) | 190 | 140~190 | ≤9 | ≤2.0 | 主銷49033±3266 副銷≥88254 | 設固定檢查缺口 ≥20000 | 雙鎖閉 不可擠 |
| ZD6-F 130/450 | 160 | 4410(450) | 130 | 80~130 | ≤6.5 | ≤2.0 | 主銷29420±1961 副銷49033±3266 | 14700~17600 | 雙鎖閉 |
| ZD6-G 165/600 | 160 | 5884(600) | 165 | 135~185 | ≤9 | ≤2.0 | 主銷29420±1961 副銷49033±3266 | 14700~17600 | 雙鎖閉 |
| ZD6-H Z165/350 | 160 | 3430(350) | 165±2 | 80~185 | ≤5.5 | ≤2.0 | 主銷29420±1961 副銷29420±1961 | 單鎖閉 | |
| ZD6-J 165/600 | 160 | 5884(600) | 165 | 50~130 | ≤9 | ≤2.0 | 主銷29420±1961 副銷29420±1961 | 單鎖閉 | |
| ZD6-K 190/350 | 160 | 3430(350) | 190 | 80~130 | ≤7.5 | ≤2.0 | 主銷29420±1961 副銷49033±3266 | 單鎖閉 |
註:用於多機牽引,包括第二及其以後各點的轉轍機,應具備擠岔保護功能
轉轍機安裝
1、安裝於角鋼
2、安裝方式 站在電動機側看,動作桿向右伸,即為正裝,反之,為反裝。 正裝拉入和反裝伸出為定位時,自動開閉器1、3排接點接通 正裝伸出和反裝拉入為定位時,2、4排接點閉合。 動作桿、表示桿的運動方向與自動開閉器動接點運動方向相反 。
3、各連線螺栓緊固良好 。
轉轍機安裝轉轍機調試方法
1、轉轍機安裝完畢後,斷開遮斷器,準備好調試工具及測試儀器 。
2、調整密貼(2mm密貼,4mm不能密貼):
(1)用手搖把將電機動作桿調整到伸出位置,並調整定/反位調整螺母至道岔密貼位置。並調整表示桿連線螺栓至自動開閉器落入表示桿缺口內 。
(2)用手搖把將電機動作桿調整到拉入位置,並調整定/反位調整螺母至道岔密貼位置。並調整表示桿尾端調整螺栓至自動開閉器落入表示桿缺口內 。
3、調整缺口:調整表示桿調整螺栓至缺口在1.5+0.5mm 。
轉轍機控制電路
控制電路:道岔的轉換以電動機為動力源,給電動機供電的電路為啟動電路,道岔處於什麼位置由繼電器狀態來反映,給繼電器線圈供電的電路為表示電路 。
道岔啟動電路應滿足如下條件:
①道岔區段有車時,道岔不應轉換;
②進路在鎖閉狀態時進路上的道岔都不應轉換;
③道岔啟動電路已經動作以後,如果車駛入道岔區段,應保證轉轍機能繼續轉換到底;
④道岔啟動電路動作以後,如果由於轉轍機的自動開閉器接點或電動機的整流子與碳刷接觸不良以致電動機電路不通時,應使啟動電路自動停止工作復原,保證道岔不會再轉換;
⑤尖軌與基本之間夾有障礙物致使道岔轉不到底時,能使道岔轉回原位,必須保證道岔無論轉到什麼位置都可隨時使它向迴轉;
⑥道岔轉換完畢,應自動切斷電動機的電路 。
道岔表示電路應符合如下技術條件:
①只能用繼電器的吸起狀態與道岔位置相對應,要分別設定道岔定位表示繼電器和反位表示繼電器,而不能合用一個表示繼電器;
②當室外聯繫線路發生混線或混入其它電源時,必須保證不致使道岔表示繼電器錯誤吸起;
③當道岔在轉換或發生擠岔事故,停電或斷線等故障時,必須保證道岔表示繼電器失磁落下,因此必須使用安全型繼電器 。
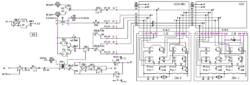
四線制道岔控制電路
如圖所示為四線制單動道岔控制電路圖,室內與室外聯繫用四條電纜芯線,其中X1、X2為啟動和表示共用線,X3為表示專用線,X4為啟動專用線 。
控制電路①元件說明如圖所示為單動道岔組合圖,其中為熔斷器,BB為表示變壓器,1DQJ為1道岔啟動繼電器,2DQJ為2道岔啟動繼電器,DBJ為定位表示繼電器,FBJ為的位表示繼電器,DCJ為定位操縱繼電器,FCJ為反位操縱繼電器,AJ為按鈕繼電器,SJ為鎖閉繼電器(SJ↑表示道岔區段空閒,進路在解鎖狀態)。
另外在方向組合內還有ZDJ總定位繼電器,ZFJ總反位繼電器。
DZ220,DF220為直流220伏道岔動作電源。
DJZ220,DJF220伏為交流220伏道岔表示電源。室外設備主要有電纜盒和電動轉轍機。
②表示電路
繼電器圖中所示電路中自動開閉器1.3排接點接通,DBJ吸起,其勵磁電路如下:BBII3→R1-2→X3→電纜盒3→外掛程式3→移位接觸器04-03→開閉器14-13-34-33→外掛程式9→整流盒2-1→外掛程式7→開閉器32-31-41→外掛程式1→電纜盒1→X1→2DQJ112-111→1DQJ11-13→→2DQJ131-132→DBJ4-1→BBII4
∣ C ∣
電容C為防止表示繼電器為顫動而設,因表示電路用的是交流電源,經過二極體半波整流後,其中交流成份較大,為了不使表示繼電器顫動,在表示繼電器線圈兩端並聯一隻4uF的電容。DBJ↑控制台定位表示燈綠燈亮反之,FBJ↑反位表示燈亮黃燈。
③啟動電路(圖3中道岔處於定位位置,現以定位向反位操縱為例說明啟動電路)。
操縱方式有如下兩種:
a、進路式操縱:排列進路時,按壓始、終端按鈕後,由選擇組網路線使FCJ↑。
b、單獨操縱:按壓該壓道岔單操按鈕使AJ↑,按下道岔總反位按鈕使ZFJ↑→KF-ZFJ有電。電路動作程式如下:
1DQJ↑→2DQJ轉極———————→電機轉動
∣ 定位表示燈熄滅 ∣→電流表指針偏轉
1DQJ勵磁電路如下:
KZ→↓CA6→SJ81-82→1DQJ3-4→2DQJ141-142→→AJ11-13→FCJ61-62→KF(進路式操縱)
→→AJ11-12-KF→ZFJ(單獨操縱)(↓CA6為控制台上道岔按鈕定位閉合接點,此接點平時閉合,按鈕拉出時斷開)。
2DQJ轉極電路:
KZ→1DQJ41-42→2DQJ2-1→AJ11-13→FCJ61-62→KF(進路式操縱)∣→AJ11-12→KF-ZFJ(單獨操縱)
電動機電路:
DZ220→RD3(5A熔斷器)→1DQJ1-2→1DQJ12-11→2DQJ111-113→X2→電纜盒2→外掛程式2→自動開閉器11-12→電動機2-4→安全接點05-06→外掛程式5→電纜盒5→X4→1DQJ21-22→2DQJ121-123→RD2(3A熔斷器)→DF220.
電機開始轉動時,自動開閉器接點由3排接通變為4排接通,接點41-42構通為道岔向回操縱做好了準備。
電機轉到底後,自動開閉器接點由1排接通變為2排接通,接點11-12斷開,電機動作電路被切斷,1DQJ落下,接通道岔反位表示電路如下:
BBII3→R1-2→X3→電纜盒3→外掛程式3-4→開閉器44-43→移位接觸器12-01→開閉器24-23→外掛程式10-11→整流盒Z1-2→外掛程式8→開閉器22-21-11→電纜盒2→X2→2DQJ113-111→1DQJ11-13→2DQJ131-132→FDBJ1-4→BBII4。
道岔由反位扳定位時,電路動作過程與上述基本相同,所不同的是單操時按下的是總定位按鈕ZDJ↑→KF-ZDJ有電。進路式操縱時是DCJ↑。2DQJ加的是正極性電源,由落下狀態變為吸起狀態,在轉轍機內開閉器41-42接點接通電機電路。電機開始轉動時,自動開閉器接點,由2排接通變為1排接通,電機轉到底後,自動開閉器接點由4排接通變為3排3排接通,41-42接點斷開,切斷電機動作電路,1DQJ落下,接通道岔定位表示電路如前所述 。
六線制控制電路
如圖所示為六線制單動道岔控制電路圖,室內與室外聯繫用四條電纜芯線,其中X1、X2為主機啟動和表示共用線,X3為表示專用線,X4為啟動專用線。X5、X6為付機啟動專用線 。
①元件說明如圖所示為單動道岔組合圖,其中為熔斷器,BB為表示變壓器,1DQJ為1道岔啟動繼電器,2DQJ為2道岔啟動繼電器,2DQJF為2道岔啟動繼電器復示繼電器,DBJ為定位表示繼電器,FBJ為的位表示繼電器,DCJ為定位操縱繼電器,FCJ為反位操縱繼電器,AJ為按鈕繼電器,SJ為鎖閉繼電器(SJ↑表示道岔區段空閒,進路在解鎖狀態)。另外在方向組合內還有ZDJ總定位繼電器,ZFJ總反位繼電器 。
DZ220,DF220為直流220伏道岔動作電源。DJZ220,DJF220伏為交流220伏道岔表示電源。室外設備主要有電纜盒和電動轉轍機 。
六線制單動雙機道岔控制電路②表示電路
圖中所示電路中自動開閉器1.3排接點接通,DBJ吸起,其勵磁電路如下:
BBII3→R1-2→X3→電纜盒3→外掛程式3→移位接觸器04-03→E機開閉器14-13-34-33→J機移位觸發器04-03→J機開閉器14-13-34-33→外掛程式9-8→整流盒1-2→J機開閉器32-31→外掛程式7→開閉器32-31-41→外掛程式1→電纜盒1→X1→2DQJF112-111→1DQJ11-13→→2DQJ131-132→DBJ4-1→BBII4。
電容C為防止表示繼電器為顫動而設,因表示電路用的是交流電源,經過二極體半波整流後,其中交流成份較大,為了不使表示繼電器顫動,在表示繼電器線圈兩端並聯一隻4uF的電容。DBJ↑控制台定位表示燈綠燈亮反之,FBJ↑反位表示燈亮黃燈 。
③啟動電路(圖中道岔處於定位位置,現以定位向反位操縱為例說明啟動電路)。
操縱方式有如下兩種:
a、進路式操縱:排列進路時,按壓始、終端按鈕後,由選擇組網路線使FCJ↑。
b、單獨操縱:按壓該壓道岔單操按鈕使AJ↑,按下道岔總反位按鈕使ZFJ↑→KF-ZFJ有電。電路動作程式如下:
1DQJ↑→2DQJ(2DQJF)轉極→電機轉動
∣定位表示燈熄滅 ∣→電流表指針偏轉
1DQJ勵磁電路如下:
KZ→↓CA6→SJ81-82→1DQJ3-4→2DQJ141-142→→AJ11-13→FCJ61-62→KF(進路式操縱)
→→AJ11-12-KF→ZFJ(單獨操縱)(↓CA6為控制台上道岔按鈕定位閉合接點,此接點平時閉合,按鈕拉出時斷開) 。
2DQJ轉極電路:
KZ→1DQJ41-42→2DQJ2-1→AJ11-13→FCJ61-62→KF(進路式操縱)∣→AJ11-12→KF-ZFJ(單獨操縱)
E機電動機電路:
DZ220→RD3(5A熔斷器)→1DQJ1-2→1DQJ12-11→2DQJF111-113→X2→電纜盒2→外掛程式2→自動開閉器11-12→電動機2-4→安全接點05-06→外掛程式5→電纜盒5→X4→1DQJ21-22→2DQJ121-123→RD2(3A熔斷器)→DF220。
J機電動機電路:
DZ220→RD3(5A熔斷器)→1DQJ1-2→1DQJ12-11→2DQJF121-123→X2→電纜盒2→外掛程式2→自動開閉器11-12→電動機2-4→安全接點05-06→外掛程式5→電纜盒5→X4→1DQJ21-22→2DQJ121-123→RD2(3A熔斷器)→DF220。
電機開始轉動時,自動開閉器接點由3排接通變為4排接通,接點41-42構通為道岔向回操縱做好了準備。
電機轉到底後,自動開閉器接點由1排接通變為2排接通,接點11-12斷開,電機動作電路被切斷,1DQJ落下,接通道岔反位表示電路如下:
BBII3→R1-2→X3→電纜盒3→外掛程式3→E機開閉器44-43→移位接觸器02-01→E機開閉器24-23→外掛程式10→外掛程式4→J機開閉器44-43→J機移位觸發器02-01→J機開閉器24-23→外掛程式10→整流盒2-1→外掛程式8→J機開閉器22-21→外掛程式7→開閉器22-21-11→外掛程式2→電纜盒1→X2→2DQJF113-111→1DQJ11-13→→2DQJ131-133→FBJ4-1→BBII4。
道岔由反位扳定位時,電路動作過程與上述基本相同,所不同的是單操時按下的是總定位按鈕ZDJ↑→KF-ZDJ有電。進路式操縱時是DCJ↑。2DQJ加的是正極性電源,由落下狀態變為吸起狀態,在轉轍機內開閉器41-42接點接通電機電路。電機開始轉動時,自動開閉器接點,由2排接通變為1排接通,電機轉到底後,自動開閉器接點由4排接通變為3排3排接通,41-42接點斷開,切斷電機動作電路,1DQJ落下,接通道岔定位表示電路如前所述。

