簡介
VDSL分離器是伴隨著ADSL通信技術向VDSL擴展應運而生的.隨著VDSL通信的發展套用VDSL分離器的頻帶分布也達到12MHz/17MHz/30MHz等.VDSL分離器就是要在高速率的銅線線路中同樣實行高效的頻帶隔離,並在享受高速上網的情況同樣不影響高質量的通話.還隨著語音分離板的集成密度的增加,對VDSL分離器的要求也越來越高.所以目前VDSL分離器存在幾點問題:1要求體積小.2成本高3性能要求高.所以VDSL分離器的問題也制約著VDSL難以快速廣泛的套用.
VDSL分離器的優點
使用VDSL上網幾乎可以享受光纖上網的感覺.而同樣可以使用原有的銅線傳輸資源.
VDSL分離器裝配更換也非常方便.
VDSL分離器的原理圖
一般VDSL分離器的設計都需要三級濾波.這樣就影響到分離器的成本,體積。
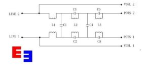
電氣原理圖低成本,小體積的VDSL分離器
組成
通常在設計VDSL語音分離器時,需要四個電感,其中需要一個高電感值的電感,高電感值的電感體積更大。三個主線電容,這樣除了體積大之外成本也高。而這款VDSL語音分離器只需要三個EP7電感和六個貼片電容(如果不需要高通濾波,不加保護加PTCNTC和防雷管)
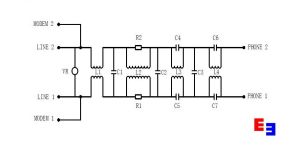
低成本,小體積VDSL分離器的組成電氣原理圖
採用三級濾波,如下圖:
電氣原理規格性能(高標準)
POSTPORTIMPEDANCE Zr=600Ω
Modemimpedance30kHzto12MHz100Ω
insertionloss@1000Hz<1dB
Insertionlossdistortion200Hz<f<4kHzwith1020Hzcenter<±1dB
Returnloss
300Hz<f<500Hz>=14dB
500Hz<f<2000Hz>=18dB
2000Hz<f<3400Hz>=14dB
LongitudinalconversionlossLCL
50Hz<f<600Hz>=40dB
600Hz<f<3400Hz>=40dB
3400Hz<f<4KHz>=40dB
4KHz<f<30KHz>=40dB
30KHz<f<1104KHz>=50dB
1104KHz<f<30MHz>=30dB
Delaydistortion600Hz<f<3400Hz<=150usec
DCresistance <=50Ω
Isolationresistance,branch-branch100VDC;term=∞Ω>=5MΩ
Stopbandattenuation
32kHz<f<20MHz>45dB
20MHz<f<30MHz>55dB
可以過100MA的電流
根據使用不同的配線模組,可以設計不同的PCB板結構。有些結構的Stopbandattenuation從30KHz到30MHz都可以達到55dB以上。
案例
根據不同的配線模組和電信商,適用於不同地區.
案例1
案例2
案例3
