主要特徵
1、集成了全部的脈寬調製電路。
TL4942、片內置線性鋸齒波振盪器,外置振盪元件僅兩個(一個電阻和一個電容)。
3、內置誤差放大器。
4、內置5V參考基準電壓源。
5、可調整死區時間。
6、內置功率電晶體可提供500mA的驅動能力。
7、推或拉兩種輸出方式。
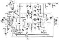
工作原理簡述
是一個固定頻率的脈衝寬度調製電路,內置了線性鋸齒波振盪器,振盪頻率可以通過外部的一個電阻和一個電容進行調節。
輸出電容的脈衝其實是通過電容上的正極性鋸齒波電壓與另外2個控制信號進行比較來實現。功率輸出管Q1和Q2受控於或非門。當雙穩觸壓器的時鐘信號為低電平時才會被通過,即只有在鋸齒波電壓大於控制信號期間才會被選通。當控制信號增大,輸出脈衝的寬度將減小。
控制信號由積體電路外部輸入,一路送至時間死區時間比較器,一路送往誤差放大器的輸入端。死區時間比較器具有120mV的輸入補償電壓,它限制了最小輸出死區時間約等於鋸齒波的周期4%,當輸出端接地,最大輸出占空比為96%,而輸出端接參考電平時,占空比為48%。當把死區時間控制輸入端接上固定的電壓,即能在輸出脈衝上產生附加的死區時間。
TL494內部結構脈衝寬度調製比較器為誤差放大器調節輸出脈寬提供了一個手段:當反饋電壓從0.5V變化到3.5時,輸出的脈衝寬度從被死區確定的最大導通百分比時間中下降為零。2個誤差放大器具有從—0.3V到(vcc—2.0)的共模輸入範圍,這可能從電源的輸出電壓和電流察覺的到。誤差放大器的輸出端常處於高電平,它與脈衝寬度調製器的反相輸入端進行“或”運算,正是這種電路結構,放大器只需最小的輸出即可支配控制電路。
封裝圖
TL494
