基本參數
製造商:FairchildSemiconductor
產品種類:達林頓電晶體
配置:Single
電晶體極性: NPN
封裝/箱體:TO-220
集電極—發射極最大電壓VCEO:100V
發射極-基極電壓VEBO:5V
集電極—基極電壓VCBO:100V
峰值直流集電極電流:5A
最大集電極截止電流:1000uA
最大工作溫度:+150C
封裝:Bulk
直流電流增益hFE最小值:1000@3A@3V
VCBO集電極-基極電壓(IE=0)6080100V
VCEO集電極-發射極電壓(IB=0)6080100V
VEBO發射極-基極電壓(IC=0)5V
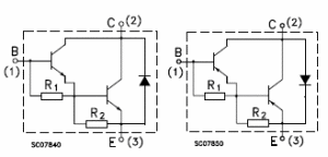
內部電路圖
電路PNP:R1=16KΩ、 R2=60Ω
