TDA7265是st公司生產的雙通道音頻功率放大積體電路,適用於高檔電視和Hi-Fi放音設備中作音頻功率放大
功能特點
TDA7265積體電路輸出功率大(每路為25w;工作電源電壓範圍寬(士6---士25 V),具有靜音功能和待機功能。其內含兩路功能相同的音頻功率放大積體電路,過流保護電路和過熱保護電路,以及其他一些輔助功能電路等。
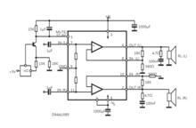
該IC採用11腳單列直插式封裝,其積體電路的引腳功能:
1.電源負極 2.輸出1 3.正極 4.輸出2 5.靜音控制 6.電源負極
引腳7.正向輸入2 8.負向輸入2 9.地線 10.負向輸入1 11.正向輸入1
不難看出,TDA7265的參數和封裝類似於它的兄弟型號TDA7269,但是TDA7265的功率卻大了不只一倍。主要也是套用在一些高檔的電視機及汽車音響中的。這次為大家收集到了TDA7265的幾種套用方式的電路圖,有興趣的不妨一試,據聽過套用7265高檔電視音響的朋友介紹說該音質和動態還是非常不錯的。
合併圖冊標準套用製作電路圖(在右邊的圖冊里):
BTL輸出方式套用製作電路圖(也在圖冊里):
據官方資料介紹,TDA7265當電源為±16在VBTL工作方式下時,也可以獲得50W的功率,因為BTL工作時電流較大,所以供電電壓要比正常方式降低一些,最好不要超過推薦的±20V。

