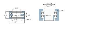
SKF52205軸承尺寸參數型號:52205軸承品牌:SKF軸承系列:推力球軸承,雙向內徑:20mm外徑:47mm厚度:28mmSKF52205軸承用途可以用於:專用工具機,鑿岩機,耐腐蝕泵,陶瓷建材加工設備,包裝輔助設備,林業機械,反應設備,彩印機,汽車,混煉機,壓塑機,礦業元素分析儀,塗裝除塵設備,回流焊接機,縫前設備,等等用途。SKF52205軸承樣本圖片SKF 52205軸承樣本圖