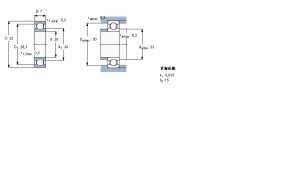
SKF61804軸承尺寸參數型號:61804軸承品牌:SKF軸承系列:深溝球軸承,單列,無密封件內徑:20mm外徑:32mm厚度:7mmSKF61804軸承用途可以用於:貼標機械,乳品機械,間壁式換熱器,破碎設備,無泄漏泵,自動焊機,特種織機,帶鋸床,振動篩,塗裝設備,沖版機,硫化機,原料藥設備及機械,塑機配件,鑽采設備,等等用途。SKF61804軸承樣本圖片SKF 61804軸承樣本圖