套用
用於SF6-氣體的氣體密度計是配有電氣附屬檔案的壓力表,主要用於能源工業里的開關設備。它將壓力測量和限位開關集合在一個裝置中。通過一個特殊的補償系統調整環境溫度的影響。密度計按照使用個案中的填充壓力、校正壓力、開關點和環境溫度進行校正。該儀器可提供室內型號,也可提供用於戶外的充氣或充液型。測量系統與外殼焊接在一起
簡介
SF6氣體密度繼電器,又要SF6氣體密度控制器、SF6氣體密度計帶限位開關、SF6氣體密度監測器、SF6氣體密度繼電器、SF6氣體密度監測帶微動開關、無油耐震SF6氣體密度繼電器、帶溫度補償SF6氣體密度繼電器、不帶溫補SF6氣體密度控制器、高精度SF6氣體密度監示器等。詳細說明
基本參數
標稱外殼尺寸:100精度等級: (EN 837-1)
使用溫度 :20 °C時為1.0
使用溫度: -20 °C...+60 °時為2.5時
壓力範圍:(EN 837-1) -0,1/+0,9 MPa
使用溫度:-40 °C至 +70 °C
溫度影響補償:由溫度導致的測量介質SF6的壓力變化可在 –20 °C 至+60 °C範圍內補償
校正壓力 PC:在0.3至0.55MPa間選擇。 溫度補償也適用該壓力範圍。
填充壓力 PF:在0.4至0.6Mpa間選擇。
保護等級(EN 60529 / IEC 529) IP 54 用於未填充儀器(室內) IP 65 用於填充儀器(室外)
標準結構
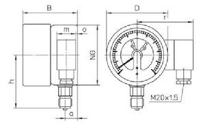
連線:不鏽鋼 316Ti (1.4571),G ½B 底部連線或背部下方連線(r)波登管:不鏽鋼316Ti (1.4571),圓形,氬弧焊,泄漏率 < 10-9 mbar l/s
機芯:不鏽鋼
刻度盤:鋁,黑色數字,白色背景,有色區域和開關點相符
指針:鋁,黑色
外殼和鑲嵌環:304不鏽鋼(1.4301),卷口環
觀察窗:夾層安全玻璃
外殼充填:RChg型: 無
RChgOe 型: 特種油
RChgN 型: 氮氣
安全特性:RChg: 外殼後部有 1" 排氣孔
RChgOe 和 RChgN : 密封
限位開關觸點盒(GSG):配有分立電路的雙倍磁性限位開關觸點 M22 (技術資料9000 /9100),固定可調和防松設計,通用插入式連線器位於外殼右側。對於 rFr 型結構,連線器在外殼後部。
3/8 B 或 M 20 x 1.5 (若需要可提供其它尺寸)
· 若需要可提供過程連線的其它位置
· 若需要可提供通用插入式連線器的其它位置
· 若需要可提供其它壓力單位(如bar),其它測量範圍
· 其它或附加的開關功能,例如切換觸點
· 若需要可提供電纜密封管
· 若需要可提供擴大範圍的溫度補償裝置
定貨參數
氣體密度計是根據個案使用要求進行生產和校正的。因此在訂貨時必須給出詳細的訂貨參數。請使用我們為您提供的SF6-氣體密度計的核對清單,見技術信息表T01-000-027 。基本類型的訂貨編碼如下所示:型號: RChg 100–3 SF6
RChgOe 100–3 SF6
RChgN 100–3 SF6
外殼結構的訂貨編碼: r, Rh, rRh, rFr(參見背面) (標準外殼底部連線 = 無標記字)
壓力範圍: -0.1/+0.9 MPa,其它參見上面
過程連線: G ½ B(標準), 其它參見上面
限位開關觸點: M22 (分立電路)
此外必須對溫度補償範圍、填充壓力、校正壓力、開關點、刻度盤設計和其它選項進行說明。
結構說明
結構
底部連線(標準,沒有附加標記字母)

通用插入式連線器:右側

標記字母: r
通用插入式連線器:右側

訂貨編碼: Rh
背部下方連線、後置安裝法蘭
訂貨編碼:rRh
通用插入式連線器:右側

背部下方連線、前置安裝法蘭
訂貨編碼: rFr
背部下方連線、前置安裝法蘭
通用插入式連線器:右側
帶變送器
SF6氣體密度控制器可另帶變送器起到遠傳作用。
