簡介
RTL8201BL是一個單連線埠的物理層收發器,它只有一個MII/SNI(媒體獨立接口/串列網路接口)接口。它實現了全部的10/100M乙太網物理層功能,包括物理層編碼子層(PCS),物理層介質連線設備(PMA),雙絞線物理媒介相關子層(TP-PMD),10Base-Tx編解碼和雙絞線媒介訪問單元(TPMAU)。
PECL接口支持連線一個外部的100Base-FX光纖收發器。這款晶片使用先進的CMOS工藝製作以滿足低壓低功耗的需求。
RTL8201BLRTL8201BL可以在NIC,MAU,CNR,ACR,乙太網HUB,或乙太網交換機中使用。另外,它也可以用於任何有乙太網MAC並且需要一個物理上的雙絞線連線或一個光纖PECL接口以連線一個外部的100base-FX 光纖收發器模組的嵌入式系統。
系統套用
2.1 LOC(LAN on Chipset,片上LAN)
2.2 NIC(Network Interface Card,網路接口卡)
2.3 MAU(Media Attachment Unit,媒介連線單元)
2.4 CNR(Communication and Networking Riser,通訊和網路插卡)
2.5 ACR(Advanced Communication Riser,高級通訊插卡)
2.6 乙太網HUB,乙太網交換機
特性
Realtek RTL8201BL是一個快速乙太網物理層收發器,它為MAC晶片提供了可選擇的MII或SNI接口。它提供了以下特性:
3.1 支持MII/7線SNI接口
3.2 支持10/100Mbps操作
3.3 支持全雙工/半雙工操作
3.4 雙絞線或光纖模式輸出支持
3.5 符合IEEE 802.3/802.3u
3.6 支持IEEE 802.3u第28條自動協商
3.7 支持掉電模式
3.8 支持在掉線省電模式(LDPS)下操作
3.9 支持基線漫遊校正
3.10 支持轉發器模式
3.11 速度/雙工/自動協商可調
3.12 3.3V操作最大可允許5V IO信號
3.13 低功耗運行,僅需要單一的3.3V支持
3.14 自適應均衡
3.15 25MHz晶振作為時鐘源
3.16 多種網路狀態LED支持
3.17 流控能力支持與MAC共同工作(通過MDC/MDIO)
3.18 48引腳LQFP封裝
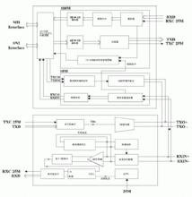
結構框圖
結構框圖RTL8201BL內部結構方框圖
引腳分配
引腳分配RTL8201BL引腳功能
