產品描述
該系列產品具有結構緊湊、體積小、重量輕、安裝方便等特點。
﹥ 公稱通經:DN10-DN250
﹥ 壓力範圍:1.0MPa-6.4MPa
﹥ 介質溫度:-20℃-250℃
﹥ 閥體材料:WCB、304、316、
﹥ 功能選項:開關型、調節型、高溫型等
產品概述
Q971球閥是引進法國技術進行國產化設計而發展出的新一代超短法蘭距球閥,球芯通道形狀有矩形、V形及O形。該系列產品具有結構緊湊、體積小、重量輕、安裝方便等特點,可廣泛套用在石油、化工、冶金、電站、輕工等領域,對油、水、氣及紙漿或纖維狀流體進行自動調節或切斷控制。
主要零部件材質
| 1) 軸 Shaft | 不鏽鋼 ANSI316 | 1.4401 | UNIX5CrNiMo 17 12 |
| 2) 螺母夾 Nut holder | 不鏽鋼 ANSI304 | 1.4301 | UNIX5CrNi 18 10 |
| 3) 防松螺母 Lock nut | 不鏽鋼 ANSI304 | 1.4301 | UNIX5CrNi 18 10 |
| 4) 彈簧 Spring | 不鏽鋼 ANSI301 | 1.4310 | UNIX12CrNi 17 07 |
| 5) 墊圈 Washer | 不鏽鋼 ANSI304 | 1.4301 | UNIX5CrNi 18 10 |
| 6) 壓緊環型螺母 Gland nut ring | 不鏽鋼 ANSI304 | 1.4301 | UNIX5CrNi 18 10 |
| 7) 頂部密封 至p sealing ** | 聚四氯乙烯 P.T.F.E. | / | / |
| 8) O環 O-Ring ** | 氟橡膠 VITON | / | / |
| 9) 密封圈 Seals | 聚四氯乙烯 P.T.F.E. | / | / |
| 10) O環 O-Ring | 氟橡膠 VITON | / | / |
| 11) 環型螺母密封 Ring nut sealing | 聚四氯乙烯 P.T.F.E. | / | / |
| 12) 底部密封 Bot至m sealing | 聚四氯乙烯 P.T.F.E. | / | / |
| 13) 環型螺母 Ring nut * | 不鏽鋼 ANSI316 | 1.4401 | UNIX5CrNiMo 17 12 |
| 14) 球體 Ball * | 不鏽鋼 ANSI316 | 1.4401 | UNIX5CrNiMo 17 12 |
| 15) 閥體 Body * | 不鏽鋼 ANSI316 | 1.4408 | / |
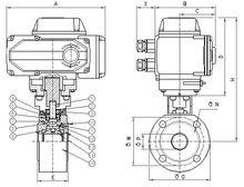
相關尺寸
| SIZE | 1/2" | 3/4" | 1" | 1 1 / 4 " | 1 1 / 2 " | 2" | 2 1 / 2 " | 3" | 4" | 5" | 6" | 8" |
| d | 15 | 19 | 23.5 | 30 | 36 | 45 | 58 | 67 | 76 | 100 | 125 | 195 |
| L | 35 | 38 | 40 | 50 | 60 | 72 | 95 | 118 | 140 | 195 | 260 | 350 |
| D | 95 | 105 | 115 | 135 | 145 | 160 | 180 | 195 | 215 | 245 | 280 | 335 |
| D1 | 65 | 75 | 85 | 100 | 110 | 125 | 145 | 160 | 180 | 210 | 240 | 295 |
| D2 | 45 | 55 | 65 | 78 | 85 | 100 | 120 | 135 | 155 | 185 | 210 | 265 |
| H | 62 | 70 | 79 | 86 | 92 | 102 | 158 | 172 | 187 | 200 | 240 | 278 |
| E | 110 | 125 | 135 | 150 | 150 | 180 | 250 | 300 | 350 | 650 | 840 | 1000 |
| b | 14 | 14 | 16 | 16 | 18 | 20 | 22 | 24 | 24 | 26 | 26 | 28 |
| z-d1 | 4-14 | 4-14 | 4-14 | 4-18 | 4-18 | 4-18 | 4-18 | 8-18 | 8-18 | 8-18 | 8-23 | 12-20 |
| f | 2 | 2 | 2 | 3 | 3 | 3 | 3 | 3 | 3 | 3 | 3 | 3 |
Q971F電動對夾球閥尺寸