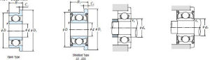
NSKFR1軸承規格尺寸
型號:FR1軸承品牌:NSK軸承
系列:英制深溝球軸承
NSKFR1軸承尺寸參數
系列:英制深溝球軸承2型號:FR1
內徑:1.397
外徑:4.762
厚度:1.984
法蘭外徑:5.944
帶蓋厚度:2.779
法蘭厚度:0.58
帶蓋法蘭厚度:0.79
r
倒角:0.1
Cr額定動載荷(N):231
Cr額定靜載荷(N):66
Cr額定動載荷(kg):24
Cr額定靜載荷(kg):6.5
極限轉速
Open開式Z·ZZ防塵蓋:90000
極限轉速
Open開式Z防塵蓋:110000
安裝尺寸(mm)da:02.2
安裝尺寸(mm)db:02.3
安裝尺寸(mm)ra:0.1
Mass重量
open開式:00.20
Mass重量
Shielded防塵蓋:00.25
NSKFR1軸承用途
可以用於:冷焊機,水力選礦設備,塗裝機,臥式橡膠機械,塑膠成型機,打樁機,流程泵,切斷設備,刨床,高頻焊機,爆破設備,乳化機,玻璃設備,清洗機械,垃圾處理機,等等用途。NSKFR1軸承樣本圖片
NSK FR1軸承樣本圖