MC33060A

簡單介紹

MC33060 是由安森美半導體公司生產的一種性能優良的電壓驅動型脈寬調製器件,採用固定頻率的單端輸出,能工作在-40℃至85℃。

特點

1) 集成了全部的脈寬調製電路;
2) 內置線性鋸齒波振盪器,外置元件僅一個電阻一個電容;
3) 內置誤差放大器;
4) 內置 5V 參考電壓,1.5%的精度;
5) 可調整死區控制;
6) 內置電晶體提供200mA 的驅動能力;
7) 欠壓鎖定保護;

引腳圖

內部結構

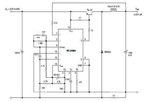
套用舉例

相關詞條

熱門詞條

聯絡我們