INA ZARF2068-L-TV 軸承特點
雙向,用於絲槓安裝,長軸固定墊圈
INA ZARF2068-L-TV 軸承 INA ZARF2068-L-TV 軸承參數
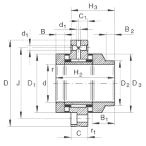
INA ZARF2068-L-TV 軸承圖紙 內徑(d):20mm
外徑(D):68mm
高度(H2):66mm
基本額定動載荷,軸向(Ca):33.5KN
基本額定靜載荷,軸向(Coa):76KN

INA 滾針/推力圓柱滾子軸承 ZARF2068-L-TV 軸承特點及其型號參數。
雙向,用於絲槓安裝,長軸固定墊圈
INA ZARF2068-L-TV 軸承
INA ZARF2068-L-TV 軸承圖紙 內徑(d):20mm
外徑(D):68mm
高度(H2):66mm
基本額定動載荷,軸向(Ca):33.5KN
基本額定靜載荷,軸向(Coa):76KN
