概述
FP6736 是天鈺科技(Fitipower Integrated Technology Inc.)開發的
一款 1.4MHz、SOT23 封裝、電流模式升壓型 DC-DC 轉換器。
FP6736 升壓型DC-DC 轉換器集成了高性能的電流模式、固定頻率脈
寬調製(PWM)電路和一個內部 1Ω 的 N 溝道 MOSFET,可提供高
效穩壓、快速回響特性。高開關頻率(1.4MHz)允許快速環路回響、
用小尺寸組件即可實現濾波。
FP6736 低至 2.5V-5.5V 的輸入電壓,最高 30V 的輸出電壓。軟啟動
可通過外部電容編程,設定輸入電流的紋波擺率。關斷模式下,消耗
電流可減至0.1µA。另外,採用節省空間的 5 或 6 引腳 SOT23 封裝。
超小尺寸的封裝和高開關頻率允許更低的成本和更小的尺寸,並可實現
較高的效率。
特性
效率高於 90%
最高 30V 的可調輸出電壓
確保從 5V 輸入產生 13V/200mA 輸出
2.5V 至 5.5V 輸入電壓範圍
0.1µA 關斷電流
可程式軟啟動
節省空間的 5 或6 引腳 SOT23 封裝
晶片外觀圖

引腳圖 (管腳圖)
SOT-23-5 Package  |
SOT-23-6 Package  |
TSOT-23-6 Package  |
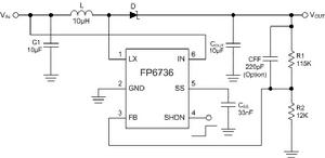
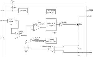
建議原理圖及內部電路方塊圖
圖1. 建議原理圖  |
圖2. 內部電路方塊圖  |



