概述
APF主要採用FFT算法,DFT算法以及三相電路瞬時無功功率理論算法;APF有並聯型和串聯型兩種,前者用的多;並聯有源濾波器主要是治理電流諧波,串聯有源濾波器主要是治理電壓諧波等引起的問題。
理論基礎
有源濾波器同無源濾波器比較,治理效果好,主要可以同時濾除多次及高次諧波,不會引起諧振,但是價位相對高!實際套用安全係數很低,國際普遍做法是以變壓器升壓,來保證可靠性,國家相關部門也要求以變壓器升壓的形式和有源濾波器結合,治理高壓諧波!
標準
國際標準
EN 50091-3, EN 61000-6-2, EN55011, EN 50178:1997, IEC 62040-3, IEC 50178:1997, AS 62040-3(VFI SS 111), CISPR11
國家標準
GB/T14549-93《電能質量:公用電網諧波》
GB/T15543-1995 《電能質量:三相電壓允許不平衡度》
GB/T15945-1995 《電能質量:電力系統頻率允許偏差》
GB/T12326-2000 《電能質量:電壓波動和閃變》
GB/T12325-2003 《電能質量:供電電壓允許偏差》
GB/T18481-2001 《電能質量:暫時過電壓和瞬態過電壓》
GB/T15576-1995 《低壓無功功率靜態補償裝置總技術條件》
GB7625.11998 《低壓電氣電子產品發出的諧波電流限值》
GB4208-93 《外殼防護等級的分類》
三電平
二極體箝位三電平拓撲由日本學者Nabae. A 等人在1980 年提出,經過近30年的發展,廣泛套用於電力電子技術的各個領域。二極體箝位三電平拓撲的優勢在於,各個開關管承受的反向電壓為直流母線電壓的一半,可以用較低電壓等級的開關管,組成較高電壓等級的變流器。已經廣泛套用於4.2kV電動機傳動系統。通常三電平技術一般套用於電壓較高、功率較大的系統中,正是由功率器件耐壓有限與變流器系統需求電壓較高的矛盾現實決定的。但是我們應該看到二極體箝位三電平拓撲本身固有的一些優勢。
技術優勢
(1) 用電壓等級較低的開關管構成電壓等級較高的變流器,隨著功率器件技術的不斷發展,市場上已經有6500V的IGBT出售,但是耐壓越高的IGBT其開關損耗越高,最高開關頻率也變得比較低。3300V以上的IGBT開關頻率最高不會超過5kHz,1200V的IGBT的開關損耗遠大於600V的IGBT。採用低壓IGBT的三電平變流器的開關損耗遠低於同樣電壓等級採用高壓IGBT的兩電平變流器,同時前者可以達到的開關頻率也高於後者。
(2) 能夠輸出三種電平。二極體箝位三電平變流器能夠輸出正母線電壓、負母線電壓以及零電壓(簡稱P、N、O),一般情況下輸出電壓在P-O、O-N之間跳變,特殊情況下會出現P-N跳變,而兩電平變流器只能在P-N之間跳變。也就是說三電平的電壓跳變幅度為直流母線電壓的一半,而兩電平的為直流母線電壓。高的電壓跳變幅度對併網逆變器或有源電力濾波器帶來的是較高的紋波電流,為了抑制紋波電流,需要較大的輸出電感和濾波電容,由此帶來了較高的紋波電流損耗。同時由於輸出濾波電感電容也降低了電流回響速度,或對輸出電流的能力產生了一定的限制。對於變頻器帶來的則是對電機的衝擊以及較大的軸電流,嚴重影響著電機的壽命。另外,較高的電壓跳變幅度也會產生嚴重的電磁干擾,對周邊電子設備產生嚴重危害。而三電平以其固有的優勢,在很大程度上解決了上述問題。
隨著技術的不斷發展,三電平技術被越來越多的人所重視,同時也將其從中壓大功率領域,引入到400V的低壓小功率套用之中,各個國際知名功率器件廠家推出了大量適應於400V系統套用的集成二極體箝位三電平功率模組,並有逐漸取代傳統兩電平變流器的趨勢。套用於400V領域的成功的三電平產品如下:
(1)2008年日本安川電機推出了Varispeed G7系列通用矢量變頻器,其400V產品採用三菱的三電平功率模組,並在套用中取得了巨大成功。
(2)2009年德州和能工業自動化有限公司在自主開發的三電平變流器控制技術的基礎上,推出了HEINV系列三電平光伏併網逆變器,前端採用對稱BOOST進行最大功率點跟蹤,逆變器採用二極體箝位三電平拓撲,兩者相互配合,採用Semikron的三電平功率模組,各項指標均優於同類兩電平產品。
(3)2006年上海交通大學與上海信元瑞電氣有限公司(當時的上海飛平電子有限公司)合作推出了國內唯一一個以能量算法為基礎的有源電力濾波器(APF)NEWSINE系列產品,大大的提高了系統的穩定性,隨著此後該產品在我國137個大型項目中的實際套用情況反饋,證明和標誌了中國FACTS技術已經達到了國際領先水平。
濾波器
將二極體箝位三電平技術套用於有源電力濾波器領域,國內外很多文獻都有涉及,國內外許多專家學者對此都進行了比較深入的研究,也提出了很多新的算法。但是,三電平有源電力濾波器始終沒有從實驗室走向市場。究其原因,有可能是技術不夠成熟,控制算法過於複雜,套用成本高,也可能是企業界對此不夠重視,尚未認識到該技術的優勢。德州和能工業自動化有限公司通過對三電平技術的深入研究以及對市場趨勢的正確把握,在業界首先推出了三電平有源電力濾波器產品。
三電平有源電力濾波器與傳統兩電平有源電力濾波器相比有以下優勢:
基本套用
SPA3系列有源電力濾波器
性能描述
可同時濾除2次到60次諧波
40μs內回響負荷變化,全回響時間小於10ms(1/2周波)
單相動態補償,不受系統不平衡的影響
3.8 英寸QVGA顯示屏,
MODBUS 通訊接口有源電力濾波器
採用速度高達20KHz的IGBT,完美消除諧波
並聯安裝方式,安裝簡單、方便,易於擴展,最多可10台並聯
優勢
SPA3是諧波治理的完美解決方案
動態電流補償消除諧波和提高功率因數
減少諧波在電纜、開關、變壓器中的發熱
減少諧波引起的停電故障和時間
提高電源利用率減少運營成本
套用範圍
SPA3適用於工業負載場合
SPA4系列有源電力濾波器
性能描述
有效消除因零序諧波產生的中性線電流
可以同時濾除2~25次範圍內的全部或選定次數的諧波
單相動態補償,不受系統不平衡的影響
並聯安裝方式,安裝簡單、方便,易於擴展,最多可4台並聯
設計選型簡單,不需要進行詳細的電網分析,只需測量諧波電流的大小
體積輕巧,可壁掛安裝
標準的通訊接口,方便的接入用戶現有的通訊系統
優勢
SPA4系列是諧波治理的完美解決方案
動態電流補償消除諧波和提高功率因數
減少諧波在電纜、開關、變壓器中的發熱
減少諧波引起的停電故障和時間
提高電源利用率減少運營成本
套用範圍
三相四線適用於商業建築負載場合
主要套用場合
1.變頻設備的套用場合 隨著技術的進步,變頻設備大量套用於各類場合,變頻設備會產生大量的諧波,因此,這類場合是有源濾波器主要的目標市場之一。
2.不穩定負荷的套用場合 不穩定負荷不是有源濾波器的主要市場,但它是電力系統一個極其重要的方面,因為不穩定的負荷雖然所占比例不大,但是它們對電力系統產生的影響卻遠遠大於其它負荷所造成的影響,因此對於該類套用場合也應作為有源濾波器的主要市場方向之一。
3.鋼鐵廠 鋼鐵廠的電弧爐、軋鋼機等是主要的諧波發生設備,且主要是衝擊性負荷,對鋼鐵廠附近的其它負荷有很大影響。同時,諧波問題對鋼鐵廠無功補償的影響很大,所以應以無功補償和諧波治理同時處理作為目標。
4.有色冶金 有色冶金的負荷除電弧爐性質的負荷外,還由於採用直流濕法冶金而產生大量的直流成分。
5.港口機械 港機是大型的提升設備,一般都採用很大的變頻器,因此是港口機械主要的諧波發生源,因此對於該類套用場合也應作為有源濾波器的市場方向之一。
6.電氣化鐵路 電氣化鐵路一般使用直流電機拖動,因此是一個市政方面的主要諧波源。根據現有上海、北京等地電氣化鐵路的運行情況,大多數系統都安裝了濾波器。預計本產品可以達到電氣鐵路濾波器國產化的作用。 7.高精度自動化生產線 高精度自動化生產線本身不產生諧波,但是對於電能質量有很高的要求,因此需要在高精度自動化生產線的供電側安裝有源濾波器,以降低諧波對生產線的影響。
8.辦公大樓、大型商業區等節能燈和空調集中場所 辦公大樓、大型商業區等節能燈和空調集中場所的諧波情況也非常嚴重,治理方法宜採用集中治理方法,以節省成本。
其他
國外知名的有源電力濾波器的生產廠家有:ABB、施耐德、西門子、NOBLE等,國內知名生產廠家有:蘇州和順、盛弘電氣、南京亞派科技、思源電氣、上海雙電、英納仕電氣、西安賽博、Satons等。
優勢
(1)低紋波電流,高電流回響速度
紋波電流和電流回響速度是矛盾的兩個指標。作為有源電力濾波器,其基本原理是檢測負載諧波,注入反相諧波,以諧波的相互抵消達到濾波的目的。一般的有源電力濾波器是一個電流模式控制的電壓源逆變器。輸出電流是通過逆變器輸出的電壓作用在輸出電感上產生的。逆變器採用脈衝寬度調製,根據電工的基本原理,紋波電流決定於開關頻率、直流母線電壓、輸出電感的大小,與電流環的控制無關。開關頻率越高紋波電流越小、直流母線電壓越高,紋波電流越大;輸出電感越大,紋波電流越小。而逆變器期望的輸出電流是由電流環所控制。有源電力濾波器輸出諧波電流,如果按基波50Hz,補償50次諧波計算,最高諧波頻率將達到2.5kHz。有源電力濾波器對電流回響速度有很高的要求。電流回響速度與直流母線電壓和輸出電感大小有關。直流母線電壓越高,電流回響越快;輸出電感越大,電流回響越慢。我們期望輸出紋波電流越小越好,電流回響速度越快越好,這是一對矛盾。從上述分析可以看出,兩電平有源電力濾波器解決這個矛盾的辦法只能是提高開關。在某些廠家的兩電平有源電力濾波器產品的開關頻率已經達到20kHz。但是,開關頻率的提高帶來的是更高的開關損耗以及驅動損耗,有源電力濾波器的單機容量會受到限制,而對於更高電壓等級的有源電力濾波器,高壓的IGBT根本就不允許那么高的開關頻率。然而,三電平有源電力濾波器從原理上就是一個解決上述問題的方案。三電平逆變器可以輸出正、負、零三種電壓,在計算紋波電流時,只需按直流母線電壓的一半計算。由此,在相同開關頻率、相同直流母線電壓、相同紋波電流要求的前提下,三電平的輸出電感為兩電平的一半,同時器件的開關損耗和電感上的紋波損耗也會降低。在計算電流回響速度時,起作用的將是全部直流母線電壓,而輸出電感的減半,將加快電流的回響速度,增強濾波效果,提高單機容量。
(2)提高系統耐壓,套用於較高電壓系統
通常國內低壓電網為400V,但是對於某些行業,其低壓電網會比較高,例如石油鑽機傳動採用的是600V,礦山用電可能是690V或1140V,而某些行業的電壓等級可能更加多樣,但一般都是500V以上。如何解決這些行業諧波治理需求,是一個問題。通常為了提高電流回響速度、保證補償效果,處理諧波的有源電力濾波器比處理基波的變頻器或併網逆變器需要更高的直流母線電壓。通常兩電平逆變器的直流母線電壓是交流電網電壓有效值的2倍。對於380V套用,直流母線電壓一般在700V~750V,而對於600V,直流母線電壓需要達到1200V。很多企業的做法是加一個變壓器,將其他等級的電壓變為400V。通過諧波的變壓器是經過特殊設計的,價格比較高,體積也比較大,變壓的損耗也會比較大。而採用三電平技術,可以用耐壓較低的管子組成耐壓較高的變流器系統,可以直接連線到電壓較高的電網上,同時保證較好濾波效果和單機容量。
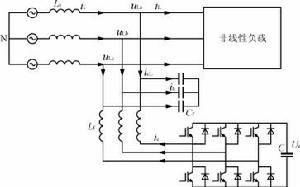
工作原理
薩頓斯有源電力濾波器通過電流互感器檢測負載電流,並通過內部DSP計算,提取出負載電流中的
APF[有源電力濾波器]諧波成分,然後通過PWM信號傳送給內部IGBT,控制逆變器產生一個和負載諧波電流大小相等,方向相反的諧波電流注入到電網中,達到濾波的目的。
指令電流檢測電路的功能主要是從負載電流中分離出諧波電流分量和基波無功電流,然後將其反極性作用後發生補償電流的指令信號。電流跟蹤控制電路的功能是根據主電路產生的補償電流,計算出主電路各開關器件的觸發脈衝,此脈衝經驅動電路後作用於主電路。這樣電源電流中只含有基波的有功分量,從而達到消除諧波與進行無功補償的目的。根據同樣的原理,電力有源濾波器還能對不對稱三相電路的負序電流分量進行補償。
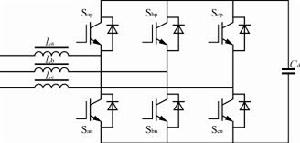
有源電力濾波器的主電路一般由PWM逆變器構成。根據逆變器直流側儲能元件的不同,可分為電壓型有源濾波器(儲能元件為電容)和電流型有源濾波器(儲能元件為電感)。電壓型有源濾波器在工作時需對直流側電容電壓控制,使直流側電壓維持不變,因而逆變器交流側輸出為PWM電壓波。而電流型有源濾波器在工作時需對直流側電感電流進行控制,使直流側電流維持不變,因而逆變器交流側輸出為PWM電流波。電壓型有源濾波器的優點是損耗較少,效率高,該電流在電感內阻上將產生較大損耗。
APF[有源電力濾波器]圖 電壓型有源濾波器
APF[有源電力濾波器]圖 電流型有源濾波器
APF[有源電力濾波器]圖 控制原理
性能說明
1.動態有源濾波,全面改善電能質量;
2.DSP全數字控制,20KHz開關頻率,對負載的動態變化迅速回響;
3.諧波補償次數可選擇,最高能濾除50次諧波;
4.有源電力濾波器可選擇同時補償無功;
5.具備三相不平衡補償能力;
6.具有自動限流功能,不會發生過載;
7.效率高,滿載損耗小於2.57;
8.並聯安裝方式,安裝簡單,體積小;
9.降低線路損耗,消除諧波引起的變壓器和電機發熱,實現系統大幅度節能;
10.有源電力濾波器的濾波效果不受系統阻抗變化影響,並能自動抑制系統諧振;
11.按照配電結構,可選擇局部補償、部分補償或總補償,CT可位於電源側或負載側;
12.易於擴展和冗餘設計,可最多10台並聯運行。
配件選型
1.電流互感器的額定工作電壓應與線路額定電壓相符合;
2.電流互感器的額定電流≥線路負載電流,一般按線路的1.5~2倍電流選定電流互感器;
3.電流互感器所接二次負載不應超過相應準確等級下的額定容量,否則準確等級會下降;
4.用於精確計量一般選用0.2級互感器;
5.為了方便現場施工,推薦選用開合式電流互感器。
![APF[有源電力濾波器] APF[有源電力濾波器]](/img/a/fe4/nBnauM3XwEjM5ITMzYjN0ETN1UTM1QDN5MjM5ADMwAjMwUzL2YzL1QzLt92YucmbvRWdo5Cd0FmLyE2LvoDc0RHa.jpg)
