基本介紹
Intel8086擁有四個16位的通用暫存器,也能夠當作八個8位暫存器來存取,以及四個16位索引暫存器(包含了堆疊指標)。資料暫存器通常由指令隱含地使用,針對暫存值需要複雜的暫存器配置。它提供64K8位元的輸出輸入(或32K16位元),以及固定的向量中斷。大部分的指令只能夠存取一個記憶體位址,所以其中一個運算元必須是一個暫存器。運算結果會儲存在運算元中的一個暫存器。
Intel8086有四個記憶體區段(segment)暫存器,可以從索引暫存器來設定。區段暫存器可以讓CPU利用特殊的方式存取1MB記憶體。8086把段地址左移4位然後把它加上偏移地址。大部分的人都認為這是一個很不好的設計,因為這樣的結果是會讓各分段有重疊。儘管這樣對組合語言而言大部分被接受(也甚至有用),可以完全地控制分段,使在編程中使用指針(如C程式語言)變得困難。它導致指針的高效率表示變得困難,且有可能產生兩個指向同一個地方的指針擁有不同的地址。更壞的是,這種方式產生要讓記憶體擴充到大於1MB的困難。而8086的定址方式改變讓記憶體擴充較有效率。
8086處理器的時鐘頻率介於4.77MHz(在原先的IBMPC頻率)和10MHz之間。8086沒有包含浮點指令部分(FPU),但是可以通過外接數學輔助處理器來增強浮點計算能力。Intel8087是標準版本。
微處理器
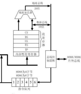
i8086處理器8086有16根數據線和20根地址線,它既能處理16位數據,也能處理8位數據。可定址的記憶體空間為1MB。
在取得IBM個人電腦部門敲定的重要銷售契約之後,Intel8088處理器不僅成為了IBM個人電腦的大腦,而且還讓IBM個人電腦成為新款暢銷產品。為此,Intel8088處理器的成功,也將英特爾進入“財富雜誌500大企業排行榜”,《財富》雜誌將英特爾評為“70年代最成功的企業”之一。Intel8088電晶體數目約為2.9萬顆。
1978年英特爾公司生產的8086是第一個16位的微處理器。很快Zilog公司和摩托羅拉公司也宣布計畫生產Z8000和68000。這就是第三代微處理器的起點。
8086微處理器最高主頻速度為8MHz,具有16位數據通道,記憶體定址能力為1MB。同時,英特爾還生產出與之相配合的數學協處理器i8087,這兩種晶片使用相互兼容的指令集,但intel8087指令集中增加了一些專門用於對數、指數和三角函式等數學計算的指令。人們將這些指令集統一稱之為x86指令集。雖然以後英特爾又陸續生產出第二代、第三代等更先進和更快的新型CPU,但都仍然兼容原來的x86指令,而且英特爾在後續CPU的命名上沿用了原先的x86序列,直到後來因商標註冊問題,才放棄了繼續用阿拉伯數字命名。
1979年,英特爾公司又開發出了8088。8086和8088在晶片內部均採用16位數據傳輸,所以都稱為16位微處理器,但8086每周期能傳送或接收16位數據,而8088每周期只能傳輸8位。因為最初的大部分設備和晶片是8位的,而8088的外部8位的數據傳送、接收能與這些設備相兼容。8088採用40針的DIP封裝,工作頻率為6.66MHz、7.16MHz或8MHz,微處理器集成了大約29000個電晶體。
8086和8088問世後不久,英特爾公司就開始對他們進行改進。他們將更多功能集成在晶片上,這樣就誕生了80186和80188。這兩款微處理器內部均以16位工作,在外部輸入輸出上80186採用16位,而80188和8088一樣是採用8位工作。
1981年,IBM公司將8088晶片用於其研製的PC機中,從而開創了全新的微機時代。也正是從8088開始,個人電腦(PC)的概念開始在全世界範圍內發展起來。從8088套用到IBMPC機上開始,個人電腦真正走進了人們的工作和生活之中,它也標誌著一個新時代的開始
結構
匯流排接口單元BIU匯流排接口單元BIU
匯流排接口單元BIU[1]
匯流排接口部件由下列各部分組成
⑴4個段地址暫存器:
CS(codesegment)——16位的代碼段暫存器;
DS(datasegment)——16位的數據段暫存器;
ES(extrasegment)——16位的擴展段暫存器;
SS(stacksegment)——16位的堆疊段暫存器;
⑵16位的指令指針暫存器IP;
⑶20位的地址加法器;
⑷6位元組的指令佇列緩衝器。
執行單元
執行部件由下列幾個部分組成:
⑴8個通用暫存器:即AX、BX、CX、DX,BP,SP,SI,DI;其中,4個數據暫存器:AX、BX、CX、DX;
2個地址指針暫存器:BP(basepointer),SP(stackpointer);2個變址暫存器:SI(sourceindex),DI(destinationindex)[2];⑵標誌暫存器FR(flagsregister);
⑶算術邏輯單元ALU(arithmeticlogicunit)。
EU負責全部指令的執行,同時向BIU輸出數據(操作結果),並對暫存器和標誌暫存器進行管理。在ALU中進行16位運算,數據傳送和處理均在EU控制下執行。[3]
BIU和EU的管理
⑴BIU和EU可以並行工作,提高CPU效率。BIU監視著指令佇列。當指令佇列中有2個空位元組時,就自動把指令取到佇列中。
⑵EU執行指令時,從指令佇列頭部取指令,然後執行。如需訪問存儲器,則EU向BIU發出請求,由BIU訪問存儲器。
⑶在執行轉移、調用、返回指令時,需改變佇列中的指令,要等新指令裝入佇列中後,EU才繼續執行指令。
引腳
8086CPU引腳圖在學習8086CPU的引腳信號前,必須弄清CPU最小模式和最大模式的概念。所謂最小模式,就是在系統中只有一個8086微處理器,所有的匯流排控制信號都直接由8086CPU產生,因此,系統中的匯流排控制電路被減到最少。最大模式是相對最小模式而言的。在最大模式系統中,總是包含兩個或多個微處理器,其中一個主處理器就是8086,其他的處理器稱為協處理器,它們是協助主處理器工作的。如數學運算協處理器8087,輸入/輸出協處理器8089。8086CPU到底工作在最大模式還是最小模式,完全由硬體決定。
當CPU處於不同工作模式時,其部分引腳的功能是不同的。
與之功能相同的
⑴AD15~AD0(addressdatabus):地址/數據匯流排,雙向,三態。
這是一組採用分時的方法傳送地址或數據的復用引腳。根據不同時鐘周期的要求,決定當前是傳送要訪問的存儲單元或I/O連線埠的低16位地址,還是傳送16位數據,或是處於高阻狀態。
⑵A19/S6~A16/S3(address/status):地址/狀態信號,輸出,三態。
這是採用分時的方法傳送地址或狀態的復用引腳。其中A19~A16為20位地址匯流排的高4位地址,S6~S3是狀態信號。S6表示CPU與匯流排連線的情況,S5指示當前中斷允許標誌IF的狀態。S4,S3的代碼組合用來指明當前正在使用的段暫存器。S4,S3的代碼組合及對應段暫存器的情況。
⑶BHE(低)/S7(bushighenable/status):允許匯流排高8位數據傳送/狀態信號,輸出,三態。
為匯流排高8位數據允許信號,當低電平有效時,表明在高8位數據匯流排D15~D8上傳送1個位元組的數據。S7為設備的狀態信號。
⑷RD/(read):讀信號,輸出,三態,低電平有效。
信號低電平有效時,表示CPU正在進行讀存儲器或讀I/O連線埠的操作。
⑸READY(ready):準備就緒信號,輸入,高電平有效。
READY信號用來實現CPU與存儲器或I/O連線埠之間的時序匹配。當READY信號高電平有效時,表示CPU要訪問的存儲器或I/O連線埠已經作好了輸入/輸出數據的準備工作,CPU可以進行讀/寫操作。當READY信號為低電平時,則表示存儲器或I/O連線埠還未準備就緒,CPU需要插入若干個“TW狀態”進行等待。
⑹INTR(interruptrequest):可禁止中斷請求信號,輸入,高電平有效。
8086CPU在每條指令執行到最後一個時鐘周期時,都要檢測INTR引腳信號。INTR為高電平時,表明有I/O設備向CPU申請中斷,若IF=1,CPU則會回響中斷,停止當前的操作,為申請中斷的I/O設備服務。
⑺TEST/(test):等待測試控制信號,輸入,低電平有效。
信號用來支持構成多處理器系統,實現8086CPU與協處理器之間同步協調的功能,只有當CPU執行WAIT指令時才使用。
⑻NMI(non-maskableinterrupt):非禁止中斷請求信號,輸入,高電平有效。
當NMI引腳上有一個上升沿有效的觸發信號時,表明CPU內部或I/O設備提出了非禁止的中斷請求,CPU會在結束當前所執行的指令後,立即回響中斷請求。
⑼RESET(reset):復位信號,輸入,高電平有效。
RESET信號有效時,CPU立即結束現行操作,處於復位狀態,初始化所有的內部暫存器。復位後各內部暫存器的狀態,當RESET信號由高電平變為低電平時,CPU從FFFF0H地址開始重新啟動執行程式。
⑽CLK(clock):時鐘信號,輸入。
CLK為CPU提供基本的定時脈衝信號。8086CPU一般使用時鐘發生器8284A來產生時鐘信號,時鐘頻率為5MHz~8MHz,占空比為1:3。
⑾VCC電源輸入引腳。
8086CPU採用單一+5V電源供電。
⑿GND:接地引腳。
⒀MN/MX/(minimum/maximum):最小/最大模式輸入控制信號。
引腳用來設定8086CPU的工作模式。當為高電平(接+5V)時,CPU工作在最小模式;當為低電平(接地)時,CPU工作在最大模式。
CPU工作於最小模式時使用的引腳信號
當引腳接高電平時,CPU工作於最小模式。此時,引腳信號24~31的含義及其功能如下。
⑴M/IO/(memoryI/Oselect):存儲器、I/O連線埠選擇控制信號。
信號指明當前CPU是選擇訪問存儲器還是訪問I/O連線埠。為高電平時,訪問存儲器,表示當前要進行CPU與存儲器之間的數據傳送。為低電平時,訪問I/O連線埠,表示當前要進行CPU與I/O連線埠之間的數據傳送。
⑵WR/(write):寫信號,輸出,低電平有效。
信號有效時,表明CPU正在執行寫匯流排周期,同時由信號決定是對存儲器還是對I/O連線埠執行寫操作。
⑶INTA/(interruptacknowledge):可禁止中斷回響信號,輸出,低電平有效。
CPU通過信號對外設提出的可禁止中斷請求做出回響。為低電平時,表示CPU已經回響外設的中斷請求,即將執行中斷服務程式。
⑷ALE(addresslockenable):地址鎖存允許信號,輸出,高電平有效。
CPU利用ALE信號可以把AD15~AD0地址/數據、A19/S6~A16/S3地址/狀態線上的地址信息鎖存在地址鎖存器中。
⑸DT/(datatransmitorreceive):數據傳送/接收信號,輸出,三態。
DT/信號用來控制數據傳送的方向。DT/為高電平時,CPU傳送數據到存儲器或I/O連線埠;DT/為低電平時,CPU接收來自存儲器或I/O連線埠的數據。
⑹DEN/(dataenable):數據允許控制信號,輸出,三態,低電平有效。
信號用作匯流排收發器的選通控制信號。當為低電平時,表明CPU進行數據的讀/寫操作。
⑺HOLD(busholdrequest):匯流排保持請求信號,輸入,高電平有效。
在DMA數據傳送方式中,由匯流排控制器8237A發出一個高電平有效的匯流排請求信號,通過HOLD引腳輸入到CPU,請求CPU讓出匯流排控制權。
⑻HLDA(holdacknowledge):匯流排保持回響信號,輸出,高電平有效。
HLDA是與HOLD配合使用的聯絡信號。在HLDA有效期間,HLDA引腳輸出一個高電平有效的回響信號,同時匯流排將處於浮空狀態,CPU讓出對匯流排的控制權,將其交付給申請使用匯流排的8237A控制器使用,匯流排使用完後,會使HOLD信號變為低電平,CPU又重新獲得對匯流排的控制權。
CPU工作於最大模式時使用的引腳信號
當引腳接低電平時,CPU工作於最大模式。此時,引腳信號24~31的含義及其功能如下。
⑴S2,S1,S0(statussignals):匯流排周期狀態信號,輸出,低電平有效。
它們表明當前匯流排周期所進行的操作類型。,,代碼組合及其對應操作見表2.3。
表2.3,,代碼組合及對應操作表
⑵RQ/,GT/(request/grant):匯流排請求允許信號輸入/匯流排請求允許輸出信號,雙向,低電平有效。
匯流排接口單元BIU⑶LOCK/(lock)匯流排封鎖信號,輸出,低電平有效。
信號有效時,表示此時8086CPU不允許其他匯流排部件占用匯流排。
⑷QS1,QS0(queuestatus):指令佇列狀態信號,輸出。
QS1和QS0信號的組合可以指示匯流排接口部件BIU中指令佇列的狀態,以便其他處理器監視、跟蹤指令佇列的狀態。
指令集
數據傳送指令
MOV
功能:把源運算元送給目的運算元
語法:MOV目的運算元,源運算元
格式:MOVr1,r2
MOVr,m
MOVm,r
MOVr,data
XCHG
功能:交換兩個運算元的數據
語法:XCHG
格式:XCHGr1,r2XCHGm,rXCHGr,m
PUSH,POP
功能:把運算元壓入或取出堆疊
語法:PUSH運算元POP運算元
格式:PUSHrPUSHMPUSHdataPOPrPOPm
PUSHF,POPF,PUSHA,POPA
功能:堆疊指令群
格式:PUSHFPOPFPUSHAPOPA
LEA,LDS,LES
功能:取地址至暫存器
語法:LEAr,mLDSr,mLESr,m
XLAT(XLATB)
功能:查表指令
語法:XLATXLATm
算數運算指令
ADD,ADC
功能:加法指令
語法:ADDOP1,OP2ADCOP1,OP2
格式:ADDr1,r2ADDr,mADDm,rADDr,data
影響標誌:C,P,A,Z,S,O
SUB,SBB
功能:減法指令
語法:SUBOP1,OP2SBBOP1,OP2
格式:SUBr1,r2SUBr,mSUBm,rSUBr,dataSUBm,data
影響標誌:C,P,A,Z,S,O
INC,DEC
功能:把OP的值加一或減一
語法:INCOPDECOP
格式:INCr/mDECr/m
影響標誌:P,A,Z,S,O
MUL,IMUL
功能:乘法指令
語法:MULOPIMULOP
格式:MULr/mIMULr/m
影響標誌:C,P,A,Z,S,O(僅IMUL會影響S標誌)
DⅣ,IDⅣ
功能:除法指令
語法:DⅣOPIDⅣOP
格式:DⅣr/mIDⅣr/m
邏輯運算指令
NEG
功能:將OP的符號反相(取二進制補碼)
語法:NEGOP
格式:NEGr/m
影響標誌:C,P,A,Z,S,O
CBW,CWD
功能:有符號數擴展指令
語法:CBWCWD
AAA,AAS,AAM,AAD
功能:非壓BCD碼運算調整指令
語法:AAAAASAAMAAD
影響標誌:A,C(AAA,AAS)S,Z,P(AAM,AAD)
DAA,DAS
功能:壓縮BCD碼調整指令
語法:DAADAS
影響標誌:C,P,A,Z,S
位運算集
AND,OR,XOR,NOT,TEST
功能:執行BIT與BIT之間的邏輯運算
語法:ANDr/m,r/m/dataORr/m,r/m/dataXORr/m,r/m/dataTESTr/m,r/m/dataNOTr/m影響標誌:C,O,P,Z,S(其中C與O兩個標誌會被設為0)NOT指令不影響任何標誌位SHR,SHL,SAR,SAL
功能:移位指令
語法:SHRr/m,data/CLSHLr/m,data/CLSARr/m,data/CLSALr/m,data/CL影響標誌:C,P,Z,S,O
ROR,ROL,RCR,RCL
功能:循環移位指令
語法:RORr/m,data/CLROLr/m,data/CLRCRr/m,data/CLRCLr/m,data/CL影響標誌:C,P,Z,S,O
程式流程控制集
CLC,STC,CMC
功能:設定進位標誌
語法:CLCSTCCMC
標誌位:C
CLD,STD
功能:設定方向標誌
語法:CLDSTD
標誌位:D
CLI,STI
功能:設定中斷標誌
語法:CLISTI
標誌位:I
CMP
功能:比較OP1與OP2的值
語法:CMPr/m,r/m/data
標誌位:C,P,A,Z,O
JMP
功能:跳往指定地址執行
語法:JMP地址
JXX
功能:當特定條件成立則跳往指定地址執行
語法:JXX地址
註:
A:ABOVE,當C=0,Z=0時成立
B:BELOW,當C=1時成立
C:CARRY,當弁時成立CXZ:CX暫存器的值為0(ZERO)時成立E:EQUAL,當Z=1時成立
G:GREATER(大於),當Z=0且S=0時成立
L:LESS(小於),當S不為零時成立
N:NOT(相反條件),需和其它符號配合使用
O:OVERFLOW,O=1時成立
P:PARITY,P=1時成立
PE:PARITYEVEN,P=1時成立
PO:PARITYODD,P=0時成立
S:SIGN,S=1時成立
Z:ZERO,Z=1時成立
LOOP
功能:循環指令集
語法:LOOP地址
LOOPE(Z)
地址LOOPNE(Z)地址
標誌位:無
CALL,RET
功能:子程式調用,返回指令
語法:CALL地址RETRETn
標誌位:無
INT,IRET
功能:中斷調用及返回指令
語法:INTnIRET
標誌位:在執行INT時,CPU會自動將標誌暫存器的值入棧,在執行IRET時則會將堆疊中的標誌值彈回暫存器串操作集
MOVSB,MOVSW,MOVSD
功能:字元串傳送指令
語法:MOVSBMOVSWMOVSD
標誌位:無
CMPSB,CMPSW,CMPSD
功能:字元串比較指令
語法:CMPSBCMPSWCMPSD
標誌位:C,P,Z,S,O
SCASB,SCASW
功能:字元串搜尋指令
語法:SCASBSCASW
標誌位:C,P,Z,S,O
LODSB,LODSW,STOSB,STOSW
功能:字元串載入或存貯指令
語法:LODSBLODSWSTOSBSTOSW
標誌位:無
REP,REPE,REPNE
功能:重複前綴指令集
語法:REP指令SREPE指令SREPNE指令S
標誌位:依指令S而定

