含義
74HC57374HC573包含八路3態輸出的非反轉透明鎖存器,是一種高性能矽柵CMOS器件。
SL74HC573跟LS/AL573的管腳一樣。器件的輸入是和標準CMOS輸出兼容的,加上拉電阻他們能和LS/ALSTTL輸出兼容。
鎖存器
輸入是和標準 CMOS 輸出兼容的;加上拉電阻,他們能和 LS/ALSTTL 輸出兼容。
當鎖存使能端LE為高時,這些器件的鎖存對於數據是透明的(也就是說輸出同步)。當鎖存使能變低時,符合建立時間和保持時間的數據會被鎖存。
·I/O輸出能直接接到 CMOS,NMOS 和 TTL 接口上
·工作電壓範圍:2.0V~6.0V
74HC573·最低輸入電流:1.0uA
·器件的高噪聲抵抗特性
·三態匯流排驅動輸出
·置數全並行存取
·緩衝控制輸入
·使能輸入有改善抗擾度的滯後作用
原理說明
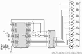
74HC573M54HC563/74HC563/M54HC573/74HC573的八個鎖存器都是透明的D 型鎖存器,當使能(G)為高時,Q 輸出將隨數據(D)輸入而變。當使能為低時,將輸出鎖存在已建立的數據電平上。輸出控制不影響鎖存器的內部工作,即老數據可以保持,甚至當輸出被關閉時,新的數據也可以置入。這種電路可以驅動大電容或低阻抗負載,可以直接與系統匯流排接口並驅動匯流排,而不需要外接口。特別適用於緩衝暫存器,I/O 通道,雙向匯流排驅動器和工作暫存器。
數據鎖存
當輸入的數據消失時,在晶片的輸出端,數據仍然保持; 這個概念在並行數據擴展中經常使用到。
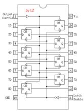
| OE— | 1 | 20 | —Vcc |
| D0— | 2 | 19 | —Q0 |
| D1— | 3 | 18 | —Q1 |
| D2— | 4 | 17 | —Q2 |
| D3— | 5 | 16 | —Q3 |
| D4— | 6 | 15 | —Q4 |
| D5— | 7 | 14 | —Q5 |
| D6— | 8 | 13 | —Q6 |
| D7— | 9 | 12 | —Q7 |
| GND— | 10 | 11 | —LE |
| OEˉ | LE | D | Q |
| L | H | H | H |
| L | H | L | L |
| L | L | X | Q0 |
| H | X | X | Z |
| 1腳三態允許控制端低電平有效 |
| 1D~8D為數據輸入端 |
| 1Q~8Q為數據輸出端 |
| 74HC573引腳圖 |
LE為鎖存控制端;OE為使能端。

