11204TV軸承詳細參數
所屬品牌(Brand) 德國FAG軸承軸承類型(Series) 調心球軸承
軸承型號(BearingNO) 型號 11204TV
新型號 11204-TVH
舊型號 11204TV
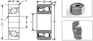
基本尺寸(Basicsize)
單位:mm
d(內徑) 20
D(外徑) 47
B(厚度或高度) 14
r(min) 1
d1 29.2
D1 38.1
Bi 40
其他參數 e 0.28
Y0 2.34
Y1 2.24
Y2 3.46
額定負荷(Basicloadratings)
單位:N(牛) 基本額定動載荷,徑向(Cr) 10100
基本額定靜載荷,徑向(Cor) 2600
轉速(LimitingSpeeds(rpm)) 極限速度(nG) 13000
疲勞極限載荷,徑向(Cur) 161
重量(Mass) 0.085kg
詳細信息(Detail) 調心球軸承,加寬內圈
調心球軸承11204TV圖紙
調心球軸承11204TV圖紙 