濾波器結構
因為濾波器也是依照一定的數學模型來的,通過選擇數學模型,再來構建電路獲得性能,通常設計濾波器會要求選擇原型,也就是數學模型。常用的有巴特沃思和切比雪夫。
選擇好基本結構後,可按照設計者對具體性能要求(比如達到某個頻率點的衰減量,帶內損耗。。。)定下具體的濾波器階數。
高階濾波器
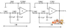
為達到高的衰減量,或者換句話衰減要很快的上升,這就需要多階的濾波器組合,以巴特沃思為例,奇數高階低通濾波電路是一個一階巴特沃思(Butterworth)低通濾波電路和若干個二階巴特沃思濾波網路的級聯,偶數高階低通濾波電路是若干個二階巴特沃思濾波網路的級聯。例如,五階巴特沃思低通濾波器,由兩個二階和一個一階巴特沃思低通濾波器組成。

