發展
據《 中國風電變流器市場研究報告》數據顯示2010年全球風能產業創造產值近400億歐元(550億美元),而2009年同期數據為500億歐元(700億美元)。2010年全球風能產業產值的下降同風力發電費用下降、風能產業向中國轉移有關。2010年中國成為風能裝機容量最大的國家,並成為國際風能產業的中心,中國在全球風能市場比重超過50%。
在海上風能發電方面,中國2010年在上海附近外海建立了第二個主要海上風場,裝機容量達到100MW。相比中國總風能裝機容量,海上風能目前在中國依然微不足道(其新增裝機容量僅占總新增裝機容量的0.5%)。在低增長、中度增長和高速增長三種情境下,中國的風電裝機容量將在2020年分別達到1億kW,1.5億kW和2億kW的規模。與此同時,風電在總能源消費中的比重將分別達到1.6%、2.5%和3.3%。
我國風電裝機容量的快速增長為我國風電變流器產業的發展提供了強大動力。2009年,我國風電變流器的市場容量為60億元。其中,直驅風機對於全功率變頻器的需求為2202MW,市場容量為14億元;雙饋裝機新增容量對雙饋變流器的市場需求為11608MW,市場容量為46億元。2010年,直驅風機對於全功率變流器的需求量在3230MW左右,市場容量約為19億元;雙饋風機對於雙饋變流器的需求量在9770MW左右,市場容量約為35億元。2010年,我國風電變流器市場總容量約為55億元。
2009年,我國兆瓦級風電變流器約為3000套,多數企業生產的變流器主要為1.5MW級。目前已經形成1.5MW產能的企業主要有清能華福,科諾偉業,陽光電源,禾望電氣,南車時代等,但2010年仍然以小批量生產為主。從規劃產能來看,主要國內企業將會在2011年形成總量4000台以上的生產能力。2011年,陽光電源、禾望電氣和南車時代各自的產能有望達到1000颱風電變流器。
2015年,航天一院18所自主研發的風電變流器完成低電壓穿越試驗。此次低電壓穿越試驗的成功,標誌著我國已經自主掌握了風電變流器的核心技術和關鍵算法。
功能
變流器通過對雙饋異步風力發電機的轉子進行勵磁,使得雙饋發電機的定子側輸出電壓的幅值、頻率和相位與電網相同,並且可根據需要進行有功和無功的獨立解耦控制。
變流器控制雙饋異步風力發電機實現軟併網,減小併網衝擊電流對電機和電網造成的不利影響。
變流器提供多種通信接口,如Profibus, CANopen等(可根據用戶要求擴展),用戶可通過這些接口方便的實現變流器與系統控制器及風場遠程監控系統的集成控制。
變流器配電系統提供雷擊、過流、過壓、過溫等保護功能。
變流器提供實時監控功能,用戶可以實時監控風機變流器運行狀態。
變流器可根據海拔進行特殊設計,可以按客戶定製實現低溫、高溫、防塵、防鹽霧等運行要求。
基本原理
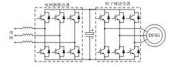
變流器採用三相電壓型交-直-交雙向變流器技術,核心控制採用具有快速浮點運算能力的“雙DSP的全數位化控制器”;在發電機的轉子側變流器實現定子磁場定向矢量控制策略,電網側變流器實現電網電壓定向矢量控制策略;系統具有輸入輸出功率因數可調、自動軟併網和最大功率點跟蹤控制功能。功率模組採用高開關頻率的IGBT功率器件,保證良好的輸出波形。這種整流逆變裝置具有結構簡單、諧波含量少等優點,可以明顯地改善雙饋異步發電機的運行狀態和輸出電能質量。這種電壓型交-直-交變流器的雙饋異步發電機勵磁控制系統,實現了基於風機最大功率點跟蹤的發電機有功和無功的解耦控制,是目前雙饋異步風力發電機組的一個代表方向。
變流器工作原理框圖如所示:
系統構成
變流器由主電路系統、配電系統以及控制系統構成。包括定子併網開關、整流模組、逆變模組、輸入/輸出濾波器、IGBT、PLC、JCE1000-AXS電流感測器、風機、有源Crowbar電路、控制器、監控界面等部件。
變流器主迴路系統包含如下幾個基本單元:
轉子側逆變器、直流母線單元、電網側整流器。
原理圖如下:
風電變流器配電系統由併網接觸器、主斷路器、繼電器、變壓器等組成,自身集成有併網控制系統,用戶無須再配置併網櫃,提高了系統集成度,節約了機艙空間,櫃中還可提供現場調試的220V電源。
控制系統由高速數位訊號處理器(DSP)、人機操作界面和可程式邏輯控制器(PLC)共同構成。整個控制系統配備不間斷電源(UPS),便於電壓跌落時系統具有不間斷運行能力。
上述各功能分配到控制櫃、功率櫃、併網櫃中:
控制櫃:控制櫃主要對採集回的各種模擬數位訊號進行分析,發出控制指令,控制變流器的運行狀態
控制櫃主要由主控箱、PLC、濾波器、電源模組等組成。
功率櫃:主要負責轉子滑差能量的傳遞。
功率櫃主要由功率模組、IGBT、PLC、JCE1005-FS電流感測器、風機、有源Crowbar等構成。
併網櫃:主要用於變流器與發電機系統和電網連線控制、一些控制信號的採集以及二次迴路的配置。
併網櫃主要由斷路器、接觸器、信號採集元件、UPS、加熱器、信號接口部分等構成。
風電變流器變流器控制結構框圖如下:
技術特徵
風電變流器可以最佳化風力發電系統的運行,實現寬風速範圍內的變速恆頻發電,改善風機效率和傳輸鏈的工作狀況,減少發電機損耗,提高運行效率,提升風能利用率。
風電變流器具有以下一些特點:
² 優異的控制性能
² 完備的保護功能
² 良好的電網適應能力
² 具備高可靠性,適應高低溫、高海拔等惡劣地區運行
² 模組化設計,組合式結構,安裝維護便捷

