一、頻率計數器簡介
電子工程師經常需要測量頻率、時間間隔、相位和對事件計數,精確的測量離不開頻率計數器或它的同類產品,如電子計數器和時間間隔分析儀。這些儀器為研發提供高精度和分析能力,為大批量生產提供高效率並為維修提供低成本和便攜性。最早的電子計數器是為了對諸如原子現象之類的事情進行計數而設計出來的。在發明計數器之前,頻率的測量都是用頻率計(一種精度很低的協調裝置)完成。頻率計數器是以數字方式對信號參數進行精密測量的首批儀器之一。
衡量頻率計數器主要指標是測量範圍、測量功能、精度和穩定性,這些也是決定價格高低的主要依據。隨著電子測試技術的發展,頻率計數器日趨成熟。目前,頻率計數器已經能輕鬆測量射頻、微波頻段信號。除頻率測量外,大多數頻率計數器還綜合了以下功能:頻率比、時間間隔、周期、上升/下降時間、相位、占空比、正/負脈衝寬度、總和、峰值電壓以及時間間隔平均等。頻率計功能延伸的最高境界就是綜合了調製域分析儀的功能。
本文從頻率計數器基本功能出發,對測量參數分別做出介紹,最後介紹頻率計數器的一些數學統計功能。
計數器二、頻率計數器測量功能
1、頻率(f)頻率表示單位時間波形振動的次數,是周期的倒數,如圖1所示。頻率是最基本的測量參數。
圖1頻率周期圖據頻率的不同範圍可把頻率計數器分為兩類:通用頻率計數器和微波頻率計數器。前者的測量範圍一般在1GHz以下;而微波頻率計數器提供從DC到數十GHz的高性能頻率測量,可覆蓋整個射頻、微波頻段。高頻測量是頻率計數器獨特的優勢,普通示波器很難達到。頻率測量很簡單,將信號接入頻率計數器輸入端後再調節功能鍵至頻率測量,螢幕即顯示當前頻率值。單一的頻率測量只需要一個輸入通道即可。
2、周期(T)
周期為波形振動一次所需要的時間,是頻率的倒數,如圖1所示。大多數頻率計數器都會提供這項功能。信號周期的測量方法和頻率測量基本相似。
3、頻率比(f1/f2)
頻率比是對兩個頻率進行比較,它可用來測試倍頻器或前置換算器(分頻器)的性能。在許多儀器系統中,兩個頻率的比值遠比兩個獨立的頻率值有意義。例如在比率電容感測器研發中,工程師關心的重點是兩個信號的頻率比,如圖2所示。
圖2 頻率比值這時,用頻率計數器頻率比功能就能很直觀快捷顯示出兩路輸入信號頻率比。免去了測量兩路信號頻率後再自行計算的不便。這項功能要求頻率計數器至少有兩個通道。如果是有三路輸入信號時,可以測量任何兩路信號的頻率比。
4、時間間隔(ΔT)
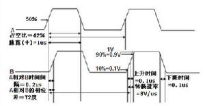
時間間隔測量起始信號與終止信號之間所經歷的時間。如圖3所示,起始信號通常接入到一個通道A,而終止信號則通常接入到另一個通道B,這種功能通常稱為世界間隔A到B。測量的解析度一般為100ns或更佳,有時低到皮秒(10-12)級。
高解析度時間間隔測量在時間頻率傳遞和測量、航空航天、雷達定位、雷射測距等領域具有十分重要的作用。這項功能同樣要求頻率計數器至少有兩個通道。
圖3 相位差、占空比、正負脈寬以及上升/下降時間5、相位差(ΔΦ)
相位差又稱為相位移,是指兩個頻率相等的信號相位之差,表示兩信號再時間上的超前或滯後關係。如圖3所示,A、B兩個通道之間的相位差為72度。
6、上升/下降時間(tr)
上升時間通常定義為信號從其穩態最大值的10%到90%所用的時間,如圖3所示。同樣,下降時間對應著信號從穩態最大值的90%到10%所用的時間。上升/下降時間和脈寬在數字電路測量中特別有用。若上升時間和下降時間的觸發點已知,根據測量出來的上升/下降時間便能顯示轉換速率(v/s)計算結果。例,圖3中測量到上升時間為0.1μs,兩個觸發點的電平相差0.8V,轉換速率為8V/μs。
7、脈衝寬度(tw)
脈衝寬度、脈衝幅度以及脈衝形狀是脈衝信號的主要參數。脈衝寬度通常為脈衝幅值為50%時所對應前後兩個點之間的時間差。如圖3所示,脈衝寬度用來表示脈衝能量作用的持續時間。頻率計數器一般都能測量正負脈衝寬度。
8、占空比(duty ratio)
占空比是指信號處於高\低電平的時間所占信號總時間的比率,也可表述為單個脈寬占周期的比例。圖3中,正脈衝的寬度和周期的比值為42%,也就是占空比為42%。方波信號的占空比為50%。在其他參數相同的情況下,占空比越大,信號所攜帶的能量越高。
9、時間間隔平均()
時間間隔平均是一種能給出高解析度且可用於濾出信號抖動的功能,此功能可準確測量兩路信號的時間間隔。這裡有兩種測量時間間隔的方法:普通時間間隔和正負時間間隔。普通時間間隔測量兩個信號的絕對時間差,即兩個信號相對應的上升沿時間差。而正負時間間隔測量兩個信號之間的相對定時,在它們之間相互前後飄移的場合進行測量。這在調節定時偏移以保證兩個信號之間重合一致時非常有用。
下面簡要介紹這兩種方法的差別。如圖4所示,A、B為兩路脈衝信號,利用正負時間間隔時,終止沿(B)相對起始沿(A)有+10ns和-10ns的預期結果前後變動。利用普通時間間隔時,當終止沿(B)向左變動時,便會呈現+90ns的未預料的結果。這裡應該注意,某些計數器可以測量低到大約0~-5ns的普通時間間隔。
圖4 普通時間間隔和正負時間間隔之間的差別 10、累計(count)
累計是對事件的簡單計數。它在對電子事件或物理事件計數或自動測試需要數位化結果的場合十分有用。計數器在對事件數進行累加和顯示同時,門電路開通。某些情況下,這個功能稱為累計計數。
累計有時會有些變化。在正常測量情況下,為了將計數讀入計算單元,門電路一開始必須關閉。這意味著在讀入時可能丟失一些計數。某些計數器具有連續累計功能,能夠在將計數讀入計算單元的同時仍然進行計數。少數頻率計數器還具有向上-向下計數的能力。一個通道內的事件引起計數增加,但第二個通道的事件引起計數減少。比如,在比較兩個需要相互比較的獨立軸桿鏇轉時,套用此功能就會很方便。
三、頻率計數器的數學功能
1、標度和偏置
設定標度和偏置並打開數學功能後,顯示數值將按以下公式定義:
顯示結果=測量結果×標度+偏置設定
使用這種功能,能夠讓螢幕上顯示對用戶更有意義的頻率值,在實際套用中往往比較方便。此功能的數學處理原理形象表述在圖5中。其中,1為原始採樣數據,2為經過數學運算後的數據。
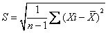
2、統計功能
可以用來統計和顯示當前輸入數據的標準偏差,並能選擇統計次數。標準偏差是描述信號一致性好環的參數。標準偏差越大,表示信號幅值相差比較大,一致性差;而較小的標準偏差表示信號的幅值都很接近,信號波動小。
標準偏差可用以下公式描述:
標準偏差公式其中,S為樣本標準偏差。i從1到n,∑是總和,是樣本均值。
3、極限
可以為輸入信號設定頻率上下限,只捕獲範圍內的數據。從圖5中能看出,3中設定極限後,根據設定的極限對2中的數據進行篩選,得到4中的數據。當用戶需要過濾掉一定範圍外的信號時,這個功能提供了很大的幫助。
圖5 數學運算和極限處理示意圖四、頻率計數器套用
頻率計數器功能是根據其套用來設計的。頻率計數器最常見的套用是確定發射機和接收機的特性。發射機的頻率必須進行檢驗和校準,才能符合有關規章制度的要求。頻率計數器能對輸出頻率和一些關鍵的內部頻率點(如本振)進行測量,查明無線電發射時候是否滿足技術指標。
頻率計數器的另一些套用包括計算機領域,在此領域中的數據通信、微處理器和顯示器中都使用了高性能時鐘。對性能要求不高的套用領域包括對機電產品進行測量。頻率計數器的早期套用之一是作為信號發生器的一部分。在信號發生器信號輸出之前,先通過頻率計數器部件測量該信號,測量到的結果被轉換為模擬信號用於反饋控制信號發生器的頻率,直到達到所需要的數值,從而能得到穩定的信號輸出。目前,很多信號發生器中都集成了頻率計數器的簡單功能。例如OI1842信號發生器也集成了測量範圍為0.1Hz~50MHz的頻率計功能。

