

相關詞條
-
啟輝器
啟輝器是一個用來預熱日光燈燈絲,並提高燈管兩端電壓,以點亮燈管的自動開關,啟輝器的基本組成可分為:充有氖氣的玻璃泡、靜觸片、動觸片,動觸片為雙金屬片。 ...
設備特點 拓展部件 工作原理 別名 種類 -
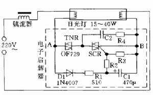
電子鎮流器
電子鎮流器(Electricalballast),是鎮流器的一種,是指採用電子技術驅動電光源,使之產生所需照明的電子設備。與之對應的是電感式鎮流器(或鎮...
基本概述 基本分類 套用領域 主要優點 選用建議 -
電子節能燈
電子節能燈也叫LED節能燈,也叫半導體節能燈,是一種新光源,顯色指數達90以上,光效100流明/瓦,色溫4000-6000K。優點壽命長(大於50000...
構成特性 製造原理 節能價值 光源組成 產品選購 -
珠海科德電子有限公司
珠海科德電子有限公司是由德國TRILUX公司於1999年7月獨家投資的外資獨資企業,專業生產感性元件(包括電感、變壓器、線圈等等)、電子啟輝器、電子鎮流...
珠海科德電子有限公司 -
無線電愛好者實用電子製作精選
《無線電愛好者實用電子製作精選》是陳有卿編著,人民郵電出版社於1999年12月1日出版發行的書籍。
圖書信息 圖書簡介 圖書目錄 -
電子控制電路實例
新穎的節電燈控制器 光電控制的防盜報警器 光電控制警示燈
基本信息 內容簡介 目錄 -
螢光燈
15000小時――20000小時。工作三要素 燈管、啟輝器、鎮流器(或以電子...簡介螢光燈傳統型螢光燈內裝有兩個燈絲。燈絲上塗有電子發射材料三元碳酸鹽(碳酸鋇、碳酸鍶和碳酸鈣),俗稱電子粉。在交流電壓作用下,燈絲交替地作為...
簡介 發光原理 發明過程 種類 工作三要素 -
山東豐源電子有限公司
大功率LED效率優於80-100lm/w,使用壽命大於20000小時。 (FYLD-120、美國CREE原裝LED)大於80lm/W 光源採用國際最先進...
-
東莞市鴻宸五金電子有限公司
- - -
名片 公司布置 生產實力 LED燈概述 適用範圍
