
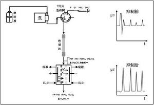
是有效降低柱後背景電導、提高被檢測離子的靈敏度。下圖為使用抑制器前後的對比。使用抑制器後峰高明顯增加,靈敏度比使用前提高數倍。
作用其作用方式為,將淋洗液中的Na2CO3/NaHCO3、NaOH轉化為H2CO3、H2O,將待分析物轉化為酸,如NaCl轉化為HCl。
原理
如下圖所示,由淺藍色的虛線代表的陽離子交換膜(陽離子選擇性滲透膜,只有陽離子能夠透過),將抑制器分為三個室,分別為兩膜之間的抑制室和膜兩側的陽極再生室、陰極再生室。再生室中裝有電極,水在再生室內分別發生電化學反應:
陽極:H2O - 2e = 2H+ + 1/2 O2 ↑
陰極:2H2O + 2e = 2OH- + H2 ↑
在電場的作用下,陽極產生的H+透過陽離子交換膜進入抑制室,而抑制室淋洗液及樣品中的陽離子(如Na+)透過陽離子交換膜進入陰極室,這樣就將抑制室中的淋洗液及樣品全部轉化成為相應的酸,如淋洗液Na2CO3變為H2CO3,樣品NaCl變為HCl。
原理電化學自再生膜抑制器有三種再生方式
1.通過電解分析廢液產生H+和OH-連續再生
優點:
(1)連續再生不需外加再生液
(2)抑制容量能過電流大小控制,具有高的抑制容量 ,符合梯度淋洗要求
(3)恆電流驅動,平衡快
(4)無需再生液驅動設備(泵或氣瓶)
缺點:
(1)噪聲相對其它再生方式稍大,樣品濃度較低時影響較大
(2)不適合用在淋洗液中含有30/100以上的有機溶劑的條件下,樣品中含有較高濃度有機溶劑時,會使得抑制能力下降,基線上漂,影響正常出峰。
2外加水方式再生
優點:
(1)抑制容量通過電流大小控制,具有高的抑制容量 ,符合梯度淋洗要求
(2)恆電流驅動,平衡快
(3)基線噪聲較電解分析廢液再生要小,可用於分析低濃度樣品
缺點:
需要外加水再生,增加了附屬驅動設備,如氣瓶、泵等。
3.外加化學試劑再生
優點:
(1)基線噪聲小,適合低濃度樣品分析
(2)既可分析常規樣品,又適合含有機溶劑樣品分析。淋洗液中可含有較高濃度有機溶劑也可以使用,可用來分析甲醇、異丙醇中陰離子。
缺點:
(1)需要配製硫酸等溶液,操作麻煩,有時試劑的質量會影響再生效果
(2)需要外加溶液驅動設備,如氣壓驅動、泵等
以上是根據自己的經驗簡單總結的一點心得。戴安公司的SRS ULTRA II和SRS300抑制器同時具有以上三種再生方式,使用時可根據實際需要選擇合適的再生方式。而國產的抑制器現在同時具有前兩種再生方式,不兼容化學再生方式。
抑制電流如何計算
WLK-6A陰離子抑制器,則應如此計算
電流=淋洗液中陽離子摩爾濃度×流速×3
如果你使用的是ASRS300陰離子抑制器
電流=淋洗液中陽離子摩爾濃度×流速×2.47(約乘2.5即可)
如上述6mM碳酸鈉淋洗液,假設流速為1.0mL/min,應如些計算
電流=6×2(2個鈉)×1×2.47=29.64mA,用30mA即可
電流=20×2(2個鈉)×1×2.47=98.8mA,用100mA即可
