原理概況
蝶閥具有結構簡單、點體積小、重量輕、材料耗用省,安裝尺寸小,開關迅速、90°往復迴轉,驅動力矩小等特點,用於截斷、接通、調節管路中的介質,具有良好的流體控制特性和關閉密封性能。蝶閥處於完全開啟位置時,蝶板厚度是介質流經閥體時的阻力,因此通過該閥門所產生的壓力降很小,故具有較好的流量控制特性。蝶閥有彈密封和金屬的密封兩種密封型式。彈性密封閥門,密封圈可以鑲嵌在閥體上或附在蝶板周邊。
採用金屬密封的閥門一般比彈性密封的閥門壽命長,但很難做到完全密封。金屬密封能適應較高的工作溫度,彈性密封則具有受溫度限制的缺陷。
如果要求蝶閥作為流量控制使用,主要的是正確選擇閥門的尺寸和類型。蝶閥的結構原理尤其適合製作大口徑閥門。蝶閥不僅在石油、煤氣、化工、水處理等一般工業上得到廣泛套用,而且還套用於熱電站的冷卻水系統。
常用的蝶閥有對夾式蝶閥、法蘭式蝶閥、對焊式蝶閥三種。對夾式蝶閥是用雙頭螺栓將閥門連線在兩管道法蘭之間;法蘭式蝶閥是閥門上帶有法蘭,用螺栓將閥門上兩端法蘭連線在管道法蘭上;對焊式蝶閥的兩端面與管道焊接連線。
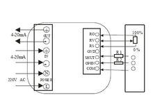
接線圖
開關型帶有源燈指示電動蝶閥接線圖,共有5根接線,1,2,3是控制部分,1,4,5是反饋部分
電動碟閥開關型帶無源觸點型反饋電動蝶閥接線圖,1,2,3是控制部分接線,4,5,6為無源觸點反饋
電動碟閥開關型帶開度信號反饋電動蝶閥接線圖。1,2,3為控制接線部分,4,5,6為反饋部分,輸出0-5K的電阻值,可以選定
電動碟閥智慧型調節式電動蝶閥接線圖,輸入輸出4-20mA
電動碟閥直流DC24V DC12V電動蝶閥接線圖 交換正負正開關電動蝶閥同時無源信號反饋
電動碟閥特點以及問題
特點
蝶閥作為一種用來實現管路系統通斷及流量控制的部件,已在石油、化工、冶金、水電等許多領域中得到極為廣泛地套用。在已公知的蝶閥技術中,其密封形式多採用密封結構,密封材料為橡膠、聚四氟乙烯等。由於結構特徵的限制,不適應耐高溫、高壓及耐腐蝕、抗磨損等行業。現有一種比較先進的蝶閥是三偏心金屬硬密封蝶閥,閥體和閥座為連體構件,閥座密封表面層堆焊耐溫、耐蝕合金材料。多層軟疊式密封圈固定在閥板上,這種蝶閥與傳統蝶閥相比具有耐高溫,操作輕便,啟閉無磨擦,關閉時隨著傳動機構的力矩增大來補償密封,提高了蝶閥的密封性能及延長使用壽命的優點。
問題
但是,蝶閥在使用過程中仍然存在以下問題:
一、由於多層軟硬疊式密封圈固定在閥板上,當閥板常開狀態時介質對其密封面形成正面沖刷,金屬片夾層中的軟密封帶受沖刷後,直接影響密封性能。
二、受結構條件的限制該結構不適應做通徑DN200以下閥門,原因是閥板整體結構太厚,流阻大。
三、因三偏心結構的原理,閥板的密封面與閥座之間的密封是靠傳動裝置的力矩使閥板壓向閥座。正流狀態時,介質壓力越高密封擠壓越緊。當流道介質逆流時隨著介質壓力的增大閥板與閥座之間的單位正壓力小於介質壓強時,密封開始泄漏。
分類
按結構形式分類
(1)中心密封蝶閥
(2)單偏心密封煤閥
(3)雙偏心密封蝶閥
(4)三偏心密封跺閥
按密封面材質分類
(1)軟密封蝶閥。
1)密封副由非金屬軟質材料對非金屬軟質材料構成。
2)密封副由金屬硬質材料對非金屬軟質材料構成。
(2)金屬硬密封蝶閥。密封副由金屬硬質材料對金屬硬質材料構成。
按密封形式分類
(1)強制密封蝶閥
1)彈性密封蝶閥。密封比壓由閥門關閉時閥板擠壓閥座,閥座或閥板的彈性產生
2)外加轉矩密封蝶閥。密封比壓由外加於閥門軸上的轉矩產生
(2)充壓密封蝶閥。密封比壓由閥座或閥板上的彈件密封元件充壓產生
(3)自動密封蝶閥。密封比壓由介質壓力自動產生。
按工作壓力分類
(1)真空蝶閥。工作壓力低於標堆大氣歷的蝶閥。
(2)低壓蝶閥。公稱壓力PN<1.6MPa的蝶閥。
(3)中壓蝶閥。公稱壓力PN為2.5--6.4MPa的蝶閥。
(4)高壓碟閥。公稱壓力PN為10。0--80.0MPa的蝶閥。
(5)超高壓蝶閥。公稱壓力PN>100MPa的蝶閥。
按工作溫度分類
(1)高溫蝶閥。t>450 C的蝶閥
(2)中溫碟閥。120 C<t<450 C的蝶閥
(3)常溫蝶閥。一40C<t<;120 C的蝶閥
(4)低溫蝶閥。一100<t<一40 C的蝶閥
(E)超低溫蝶閥。t<一100 C的蝶閥
按連線方式分類
(1)對夾式蝶閥
(2)法蘭蝶閥
(3)支耳式蝶閥
(4)焊接式蝶閥

