乾濕球濕度計
乾濕球濕度計由兩支規格完全相同的溫度計組成,一支稱為幹球溫度計,其溫泡暴露在空氣中,用以測量環境溫度;
乾濕球溫度計工作原理是乾濕球濕度計由兩支規格完全相同的溫度計組成,一支稱為幹球溫度計,其溫泡暴露在空氣中,用以測量環境溫度;另一支稱為濕球溫度計,其溫泡用特製的紗布包裹起來,並設法使紗布保持濕潤,紗布中的水分不斷向周圍空氣中蒸發並帶走熱量,使濕球溫度下降。水分蒸發速率與周圍空氣含水量有關,空氣濕度越低,水分蒸發速率越快,導致濕球溫度越低。可見,空氣濕度與乾濕球溫差之間存在某種函式關係。乾濕球濕度計就是利用這一現象,通過測量幹球溫度和濕球溫度來確定空氣濕度的。
電動乾濕球濕度計
圖1 乾濕球電信號傳送器電動乾濕球濕度計的感測器,採用兩支鎳電阻代替水銀溫度計,將乾、濕球兩個溫度轉換為兩個電阻值。為了造成測點處有一固定風速,在感測器處安裝一個小軸流風機,使風速達到2.5m/s,可提高測量精度。乾濕球感測器與小軸流風機安裝在一個塑膠殼內,總稱乾濕球信號傳送器,如圖1(1-濕球溫度計;2-接線端子;3-軸流風機;4-幹球溫度計;5-水杯)所示。
電動乾濕球濕度計原理
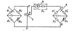
圖2 雙電橋(複合電橋)線路乾濕球電信號的兩個鎳電阻,採用圖2(1-幹球溫度測量電橋;2-補償可變電阻;3-檢流計;4-濕度溫度測量電橋)所示的“雙電橋”(又稱複合電橋)測量。它是由兩個不平衡電橋連在一起組成的。圖中左面電橋1為幹球溫度測量電橋,電阻Rw為幹球溫度熱電阻。圖中右面電橋4為濕球溫度測量電橋,電阻Rs為濕球熱電阻。
左電橋輸出的不平衡電壓是幹球溫度t的函式,而右電橋輸出的不平衡電壓是濕球溫度t的函式。左、右電橋輸出的信號,通過補償電阻R連線,R上的滑動點為D。
當右電橋上的輸出電壓與左電橋輸出的部分電壓—R的電壓相等時,檢流計3中無電流,此時指針指中間零點,此稱雙電橋處於平衡狀態。此時電阻R上的電壓就是左電橋輸出電壓U,它是幹球溫度的函式,右電橋A、B兩點的輸出電壓U也就等於電壓U。
雙電橋平衡時,D點位置反映了左、右電橋的電壓差,也即間接反映了乾、濕球的溫度差,從而D點位置反映了空氣相對濕度值。根據計算和標定,可在足上標出相對濕度值。在測量時,可靠手動或自動平衡儀表,調節電阻R的滑動點D,使雙電橋處於平衡,即檢流計3中無電流。
圖3 自動乾濕球濕度計框圖圖3為自動乾濕球濕度計框圖。雙電橋的不平衡電壓,經電子放大器放大,帶動可逆轉平衡電動機,自動調節雙電橋平衡。在調平衡的同時,可逆電動機帶動指示、記錄機構與調節機構,其自動平衡部分與溫度自動平衡電橋一致。
