概念
變流器雜散電感會使IGBT的集、射極之間產生較高的電壓尖峰,從而造成較大的電磁干擾,甚至導致絕緣柵雙極性電晶體(IGBT)損壞。若能測量變流器雜散電感,則可在一定程度上預估該電壓尖峰,並設計適當的緩衝電路。IGBT技術不能落後於套用要求。因此,推出了最新一代的IGBT晶片以滿足具體套用的需求。與逆變器設計套用功率或各自額定電流水平相關的開關速度和軟度要求是推動這些不同型號器件最佳化的主要動力。這些型號包括具備快速開關特性的T4晶片、具備軟開關特性的P4晶片和開關速度介於T4和P4之間的E4晶片。
基於IGBT開關過程的變流器雜散電感分析方法
研究背景
在大功率變流器中,由於元器件和直流母排存在雜散參數,IGBT開通和關斷過程中會產生較大的電壓和電流尖峰,特別是IGBT關斷瞬間集射極間的電壓尖峰很大,增大了開關損耗,產生較強的電磁干擾,甚至引起電路諧振。大功率變流器中的雜散參數包括母線電容寄生電感、母排雜散電感和電阻、開關器件引線電感和連線螺栓雜散電感等,其中影響IGBT開關特性的主要是母排雜散電感。
為了降低母排雜散電感,大功率變流器中普遍採用疊層母排,以降低關斷電壓尖峰,減小緩衝電路的壓力。由於疊層母排結構通常比較複雜,採用解析方法計算雜散參數的精度很低,因此通常採用數值計算法(如有限元法、部分單元等效電路法等)、建模仿真法(Ansoft Maxwell軟體、Ansoft Q3D Extractor 軟體等),但建模過程繁瑣複雜,仿真軟體價格昂貴;也可採用阻抗分析儀直接測量,但阻抗分析儀適合測量分立器件,對雜散參數測量精度較低。更實用的方法是採用間接測量法,利用測試電路獲取IGBT開通和關斷瞬態電壓過沖和對應的電流變化率di(t)/dt,並根據電感伏安特性u(t)=Ldi(t)/dt 來計算母排雜散參數。由於IGBT開關過程中電流變化率不斷變化,為了降低具體選擇的開關時刻隨機性誤差,文獻 將IGBT的開關過程分為多個階段,並選擇其中對雜散電感提取最有利的階段進行計算。
研究提出了一種基於IGBT開關過程的變流器雜散電感間接測量方法,在直流母線端並聯吸收電容,採用雙脈衝測試方法測量IGBT的開通和關斷瞬態曲線。在考慮二極體反向恢復和吸收電容的情況下,詳細分析了IGBT關斷和開通瞬態曲線,將IGBT關斷過程等效為LC諧振電路,通過測量開關過程諧振參數來計算變流器的雜散參數;選擇IGBT開通過程中適合進行雜散參數提取的有效時段,通過最小二乘法計算di/dt,從而計算變流器雜散電感。最後,通過雙脈衝測試方法對西門康功率器件SKM400GAL176D的開關過程進行測試,獲取其開通和關斷瞬態曲線來驗證此方法。
IGBT關斷瞬態過程分析
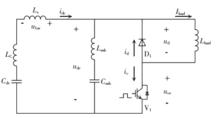
圖1 帶吸收電容的測試電路原理以圖1所示的帶吸收電容的開關測試電路為例進行分析。圖中,C為直流母線電容,L為C的寄生電感;L為待測母排的雜散電感;D為二極體;V為IGBT;L為並聯於二極體兩端的電感負載;C為吸收電容,L為C的寄生電感。
圖2 IGBT關斷瞬態過程等效電路考慮吸收電容C對開關管V端電壓的影響,對圖1中開關管V的關斷過程進行分析。將圖1中直流電容寄生電感、疊層母排寄生電感及與母排連線電纜和螺栓的寄生電感統一等效為變流器雜散電感L;直流母線電容視為恆壓源U;在V關斷過程中,負載電感L上的電流I可視為恆流源;在V關斷後,I線性下降。
V關斷瞬態過程的等效電路和瞬態電壓、電流波形分別如圖2和圖3所示,分析如下。
(1)t~t階段:IGBT處於開通狀態,其電壓u(t)等於額定壓降V。
(2)t~t階段:t時刻IGBT開始關斷,其內部等效電阻增大,電壓u開始上升,在t時刻達到u(t)。t時刻二極體為截止狀態,u逐漸下降,在t時刻降為0 V。 二極體電流i(t)略增,IGBT電流i(t)略降;i(t)略降。 在此階段中,L上di/dt基本無變化,不適用於提取雜散參數。
圖3(a)瞬態電流(3)t~t階段:t時刻,電流i(t)迅速下降,到t時刻降低到拖尾電流I。 二極體進入正向恢復階段,i(t)迅速增加。由於吸收電容的雜散電感L遠小於L,因此i(t)下降的部分流入吸收電容,i(t)迅速增加。 在此階段中,L上di/dt基本無變化,不適用於提取雜散參數。
(4)t~t階段:i逐漸升高,i緩慢降低至0。t時刻u降為0。 此後i(t)與I相同。
圖3(b)瞬態電壓(5)t~t階段:L、C、L、C形成2階諧振迴路,諧振電流為i(t)、諧振電壓為u(t)。 由於 C容值很大,其電壓基本保持恆定,在諧振電路分析中可以將其視為短路。
從以上分析可見,在IGBT關斷瞬態中,可以通過t~t階段中u的諧振周期來計算。在此過程中,LC、L、C形成2階諧振迴路, 由於C電壓保持恆定,在諧振電路分析中可以將其視為短路。因此,可選取兩個不同容值的吸收電容分別進行測量,則有
雜散電感
雜散電感通過上式即可計算出變流器雜散電感L。
IGBT開通瞬態過程分析
圖4 IGBT開通瞬態過程等效電路考慮吸收電容C對開關管V端電壓的影響,對圖1中開關管V的開通過程進行分析。在V開通瞬態過程中,負載電感 L上的電流I為恆流源;在V開通過程結束後,I線性上升。V開通瞬態過程等效電路及瞬態電流電壓波形如圖4和圖5所示。
(1)t~t階段:V處於關斷狀態,其電壓u(t)等於母線電壓U;直流母線電流i(t)為0,負載電流I通過二極體D續流。D端電壓為0(忽略二極體壓降),電流流向如圖4(a)所示。
(2)t~t階段:t1時刻開通,電流i(t)從0開始增長,到t時刻等於負載電流I。在此期間i(t)線性增加,i(t)逐漸減小,到t時刻,i(t)降為0。i(t)的電流一部分由吸收電容i(t)提供,另一部分由母線電流i(t)提供。在此階段,母線電流i(t)線性增長,di/dt值較大,L上感應電壓u(t),導致u(t)下降。因此,此階段適合用於提取雜散參數。
圖5 IGBT開通瞬態電流電壓波形(3)t~t階段:t時刻二極體開始反向恢復,i反向增大,由於負載電流 I不會突變,因此i(t)迅速增大,且dic/dt增大。在t時dic/dt達到最大值,之後減小。t時刻二極體反向電流達到最大。由於吸收電容寄生電感L遠小於變流器寄生電感L,因此在此過程中i(t)繼續線性上升,二極體反向恢復電流主要由i(t)提供。在此階段,udc(t)和 uce(t)電壓下降變緩,測量誤差較大,不適用於提取雜散參數。
(4)t~t階段:t時刻反向恢復電流開始減小,到t時刻關斷。此後i(t)與I相同。
(5)t~t階段:L、C、L、C形成2階諧振迴路,諧振電流為i(t)、諧振電壓為u(t)。但諧振電流值i(t)很小,難以準確測量。
雜散電感對晶閘管開關特性的影響
晶閘管自世紀年代產生已有年歷史,其耐壓、耐流能力與其它的電力電子器件相比均為最高,在大功率電力電子設備中占主導地位晶閘管的開關過程是由器件自身半導體特性、溫度、器件的緩衝吸收電路以及相關電路雜散參數共同作用下的複雜動態過程,後兩者是變換器設計時重點考慮和研究的問題由於大容量電力電子變換器對絕緣、耐壓和散熱的要求高,使得電路尺寸變大、雜散電感大,對器件開關特性的影響加重基於晶閘管的半橋逆變電路,對雜散電感所引起的環流、電壓尖峰、電流尖峰問題進行了詳細的分析並給出了相應的抑制措施。
半橋逆變電路工作模式
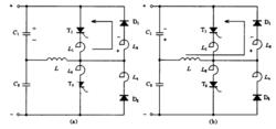
圖6 半橋逆變主電路半橋逆變電路如圖6所示,C、C為諧振電容,T、T為逆變晶閘管,D、D為續流二極體,L為感應線圈。其工作過程如下,T開通,C通過T、L放電,L上的電流成正弦規律變化,當L的電流到0,C上的電壓反向充到最大,電感L上的電流開始反向流過續流二極體D,T承受反壓關斷;T關斷後,觸發T,C通過L、T放電形成振盪,D續流,T關斷。完成一個周期的循環。逆變器的工作頻率通過改變續流二極體的導通時間來進行控制。必須保證續流二極體的續流時間大於逆變晶閘管的關斷時間,即晶閘管完全關斷以後,才能觸發另一組晶閘管使之工作,否則將導致逆變顛硬。
環流問題
圖7 環流問題示意圖設備運行中,在續流時間遠大於逆變晶閘管關斷時間時,卻發生了異常的逆變頗被現象。用示波器同時監測逆變晶閘管電流信號和與之反並聯的續流二極體電流信號時,發現當逆變晶閘管電流還未過零時,與之反並聯的續流二極體上就有電流信號。續流二極體D上的電流波形實際上是小環流和續流電流兩部分疊加的結果。雖然續流電流給逆變橋臂加上了反壓,但由於小環流的作用,逆變橋臂電感的感生電壓使晶閘管T承受正向電壓,流過晶閘管T的正向電流會在比較長的時間裡大於關斷電流(一般約為40 mA),使T仍然處於導通狀態。需要續流電流增大到一定程度,續流二極體支路分布電感L產生的感應電動勢抵消小環流在逆變橋臂電感L上產生的正向感應電動勢,晶閘管才開始關斷,這樣另一組逆變橋臂的晶閘管就遲遲不能導通。在C放電時也存在上述情況。
電壓尖峰及電流尖峰問題
在設備的運行過程中,當晶閘管T導通時,流過T的電流有一個大的電流毛刺。幾乎同時,在已關斷的晶閘管T上產生一個很大的電壓毛刺。電壓毛刺電流毛刺的存在會增大器件的開關損耗,甚或導致逆變顛覆,導致器件損壞。其產生原因分析如下:如圖8所示,當T導通時,D正在續流,由於D存在反向恢復過程,不能馬上截止,所以電源E直接加在D、T上,將產生很大的電流。故在T導通的瞬間,流過T的電流有一個大的電流毛刺。隨後D反向恢復過程截止,流過D、T的大電流突然消失,在雜散電感L、L、L上產生高壓,加在T和D上。D續流,T導通時,也會有同樣的問題。
圖8 T2導通時的示意圖為了消除電壓毛刺和電流毛刺,必須限制二極體的恢復電流。這個問題同樣可以通過逆變晶閘管與續流二極體之間串聯大電感L來解決。晶閘管T開通之前,續流電流流過大電感L,當開關T導通時,在D、L、T中出現二極體恢復電流,由於電感內電流不能突變,大電感L限制晶閘管T的電流上升率,使之從零開始較慢上升。消除了T開通時的電流毛刺。由於流過二極體D的電流緩慢變化,二極體恢復阻斷時,電流很小,在雜散電感上產生的感生電壓也就很小,消除了T上的電壓毛刺。經實驗證實,加電感L很好的解決了這個問題。

