產品介紹
臨戰前人防主管部門要對所有人防工程的供配電做統一規劃。為方便人防主管部門在臨門鈴呼叫按鈕(亦稱防爆按鈕)用於人員進入防空地下室時與防空地下室內值班。
防爆呼叫按鈕產品用途
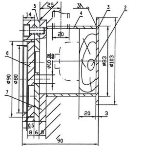
由於將按鈕設定在防震防爆的底座內,即使有強烈的外力衝擊也無法損壞到按鈕,保證其安全性,使用時轉動手柄,使轉盤上的通孔與襯板上的通孔相對應,手邊可以伸入到底座內按動按鈕,使裡面的人聽到及時打開密閉門。
本設備作為人防工事口部用於傳遞信號的防護配套設備,平時逆時針關閉手柄,使用時順時針撥動手柄,使箭頭對準“開”的位置,單指伸入即可操作按鈕進行傳呼。該人防呼叫音響按鈕為防護型,設在戰時主要出入口防護密閉門外側,底邊距地1.4m暗裝。施工時參考國標圖集04FD01~02。電鈴設在通風方式信號控制箱內。
人防呼喚按鈕產品功能
功能與結構:產品包括一帶容置腔的底座,一按鈕設定在容置腔內;一襯板蓋在底座上,且該襯板上對應的按鈕處設有一通孔,一帶有通孔的上蓋板蓋在襯板上,且在襯板和上蓋板之間形成一容置槽,一轉盤可轉動的設定在容置槽內並且部份露在蓋板的通孔處,在轉盤上開設有一轉盤轉動至適當位置時與襯板上的通孔對應的通孔,所述的轉盤上另向外設有一手柄。由於將按鈕設定在防震防爆的底座內,即使有強烈的外力衝擊也無法損壞到電按鈴,保證其安全性。使用時,轉動手柄,讓轉盤上的通孔與襯板上的通孔相對應,手指便可伸入到底座內按動按鈕讓裡面的人知道,及時打開密閉門。
人防圖集
D28防爆按鈕-價格|參數|規格|資料
防爆按鈕
人防防爆呼叫按鈕