鋼絲繩壓套機簡介
鋼絲繩壓套機是國際上較流行的一種鋼絲繩索具加工設備,經過我國設備製造引進、研發、改進、生產後在國內企業中被廣泛使用,該設備通過液壓為動力,結構緊湊、運行穩定、噪音小、工作效率高。鋼絲繩壓套機通過採用無切削塑性加工工藝,在不破壞鋼絲強度的前提下使軟金屬在模腔內充分流動,束緊鋼絲繩的鋼絲,通過鋼絲之間摩擦力達到成型的目的。目前國內生產的主要型號有:125 350 600 1000 1500 3000 5000等幾種型號規格。
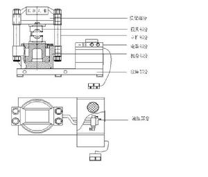
鋼絲繩壓套機形式及結構
鋼絲繩壓套機結構圖鋼絲繩壓套機壓制的套用
鋼絲繩壓套機廣泛套用在鋼鐵、港口、運輸、工程建設等行業。鋼絲繩吊索採用壓制工藝製作與插編等傳統工藝比較降低了對鋼絲繩局部的損傷,是冷加工技術,軟金屬在模腔內充分流動,束緊鋼絲繩的鋼絲,通過鋼絲之間摩擦力固定繩套。繩套締結強度高,壓制部分外型美觀,耐腐蝕性強,節省鋼絲繩,長度精確,生產效率高、
