重油燃燒器介紹
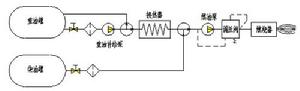
重油燃燒器是為粘度高、霧化性能差的重油專門設計的提高重油燃燒性能的燃燒裝置,主要由重油罐、柴油罐、油過濾器、重油補給泵、換熱器、輕重油切換閥、燃油泵、調壓閥、燃燒器及其輸送管道等組成。
原理
重油燃燒系統的結構原理圖重油燃料介紹
重油是原油經過提煉後的副產品,一般是由裂化重油、減壓重油、常壓重油或臘油等按不同比例調製而成。
在選擇時,總體要求應該是熱值高、燃燒性能好、粘度適中、腐蝕性和固體雜質小,易於儲存和輸送。
粘度表示燃油流動性能的好壞,粘度越大,霧化效果越差,是重油最重要的質量指標和使用性能指標,直接影響油泵、噴油嘴的工作效率和燃料消耗量。而隨著溫度的升高,重油粘度逐漸減小,因而高粘度的油為了順利地運輸和霧化必須進行加熱升溫。
因此,在選用油品時,除了解油品的常規指標外,還必須了解油品的粘度-溫度曲線,確保加熱能使重油達到霧化前燃燒器所要求的粘度。對於機械式霧化燃燒器,其噴嘴前的最佳燃油粘度為2.5~3.5°Et,高壓空氣霧化燃燒器的最佳燃油粘度4.5~5.8°Et。
粘度的單位表達有恩氏粘度(°Et)和運動粘度νt(mm2/s,又稱為厘斯cSt)兩種,其換算關係為:νt=7.310°Et-6.31/°Et
在重油中,硫可以以單質、化合物等各種形式存在。硫在燃燒後生成的SO2、SO3等排入大氣將嚴重污染環境,與水蒸氣結合,生成強腐蝕性的亞硫酸、硫酸等,對煙道、除塵器、風機使用壽命造成影響。此外,油中的硫化物對管道、閥、泵、密封圈、噴槍等都有不同程度的影響。因此,選擇重油時,其硫含量越低越好,一般應小於3%。
3、機械雜質機械雜質會堵塞過濾網、噴槍、油閥,加快油泵、噴嘴的磨損,嚴重影響機件使用壽命,因而一般要求燃油機械雜質含量小於0.5~1%。
4、閃點和燃點閃點和燃點是燃油的防火防爆安全性的重要指標,其溫度越高越好。在選擇油品時,一定要知道其閃點和燃點,以確定加熱的溫度。在無壓開口的重油儲存罐中,其加熱溫度應低於閃點10~20℃,這樣可以有效避免火災。
5、發熱量(熱值)發熱量是燃油的一項重要經濟指標,和瀝青站的燃油消耗直接相關,發熱量越高越好。通常油的低位發熱量為38.5~44MJ/kg。
6、含水量水分是燃料中的主要雜質之一,它不僅降低燃油中可燃成分的含量,而且使燃料著火困難。過高的水分會增加管道和設備腐蝕,增加排煙熱損失和輸送能耗,同時不均勻的水分含量會導致火焰脈動甚至熄火。燃料油使用前應作脫水處理,一般水分含量應控制在1%~3%之間。
重油燃燒器的技術特點
1、採用火焰穩定器,使火焰根部能夠保持穩定的渦流循環,降低內風的鏇轉,從而使一次風量可以降低一半。
2、採用攏焰罩,使夾帶於氣流中的重油不能任意發散而產生煞狀效應”,火焰形狀史加合理,避免窯頭高溫,延長窯口護鐵的使用壽命。
3、外淨風有間斷的長方形直空噴射,到燃燒器前端後改為環形間隙噴射,同時增大了環形間隙的面積能夠拉長火焰,提高窯內的平均溫度。
4、鏇流葉片安裝在內風道前端,距外風筒壁前端2cm,發揮了對火焰的收攏作用,避免窯頭高溫。可以調節燃燒器的第一道手柄,鏇流葉片的位置出廠時定位在標尺的6”位,調整範圍0 }6cm,沒有負值,內風鏇流只能向回拉,拉長火焰。
5、中心風將噴頭周圍的高溫氣體吹散頂回,不僅冷卻了噴頭內部,而且也冷卻了端面,從而保護燃燒器頭部,延長燃燒器的壽命。
