簡介
過零比較器是將集成運放的一個輸入端接地,另一輸入端接輸入電壓進行電壓比較的電路,在輸入電壓過零點附近輸出電壓發生躍變。
用比較器構造的過零比較器存在一定的測量誤差。當兩個輸入端的電壓差與開環放大倍數之積小於輸出閾值時探測器都會給出零值。例如,開環放大倍數為106,輸出閾值為6v時若兩輸入級電壓差小於6微伏探測器輸出零。這也可以被認為是測量的不確定度。
原理
電路圖過零比較器就是翻轉閾值為零的比較器。無工作區域之說,比較器實質就是開環狀態工作的誤差放大器,以閾值為界,小於閾值則輸出一個邏輯,大於則輸出與剛才相反的邏輯,達到區分比較結果的目的。至於是不是單值要看是否有遲滯量存在。
當輸入信號Vi為一正弦波時,Vi每過零一次,比較器的輸出Vo將產生一次電壓跳變,輸入Vi,輸出Vo,經RC微分電路後的輸出Vo’如下圖所示:
輸入Vi,輸出Vo,經RC微分電路後的輸出Vo’波形圖。
波形圖過零比較器特點
由於集成運放的淨輸入電壓和淨輸入電流均近似為零,從而保護了輸入級;
由於集成運放並沒有工作到非線性區,因而在輸入電壓過零時,其內部的電晶體不需要從截止區逐漸進入飽和區,或從飽和區逐漸進入截止區,所以提高了輸出電壓的變化速度。
例子
電壓比較器是將一個模擬輸入信號ui與一個固定的參考電壓UR進行比較和鑑別的電路。
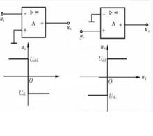
參考電壓為零的比較器稱為零電平比較器。按輸入方式的不同可分為反相輸入和同相輸入兩種零電位比較器,如圖三所示。 左邊反相輸入;右邊同相輸入。
圖三通常用閾值電壓和傳輸特性來描述比較器的工作特性。
閾值電壓(又稱門檻電平)是使比較器輸出電壓發生跳變時的輸入電壓值,簡稱為閾值,用符號UTH表示。
估算閾值主要應抓住輸入信號使輸出電壓發生跳變時的臨界條件。這個臨界條件是集成運放兩個輸入端的電位相等(兩個輸入端的電流也視為零),即U+=U–。對於圖三左電路,U–=Ui, U+=0, UTH=0。
傳輸特性是比較器的輸出電壓uo與輸入電壓ui在平面直角坐標上的關係。
畫傳輸特性的一般步驟是:先求閾值,再根據電壓比較器的具體電路,分析在輸入電壓由最低變到最高(正向過程)和輸入電壓由最高到最低(負向過程)兩種情況下,輸出電壓的變化規律,然後畫出傳輸特性。
套用
材料電加工設備諧波抑制技術的研究
過零比較器本文 以TMS320F240為核心,設計了有源濾波器的數字控制系統,前端擴展了信號調理電路和高速AD採樣電路,後端擴展了高速DA。利用 過零比較器和DSP的捕捉連線埠實現了和電網電壓的同步。此外擴展了通信連線埠,串列EEPOM等。基於所設計的硬體,設計了有源濾波器控制系統所要求的所有軟體,包括諧波檢測、數字濾波、電流環的校正、電壓環的校正、PWM、錯誤處理等。
基於ALTPLL的水聲測量用相位計設計
以ALTERA公司的FPGA為核心,設計了一種水聲測量用高精度的相位計。相位差的測量基於過零鑒相法,即利用過零比較器將2路同頻正弦信號整成脈衝信號,然後通過測量兩路脈衝信號的周期和上升沿之間的時間差來測量相位差。本文特色在於2路脈衝信號上升沿之間的時間差測量利用了ALTERA公司FPGA中集成的鎖相環模組 ALTPLL,該模組可以輸出多路具有固定相位偏移的系統時鐘信號,時間差測量時實際使用的時基信號為其中上升沿最接近待測信號上升沿和下降沿的2路系統時鐘信號,從而降低了計數法測量時間間隔的±1誤差。實驗結果表明利用該方法可以將水聲測量領域的相位差測量不確定度降低到0.1度。

